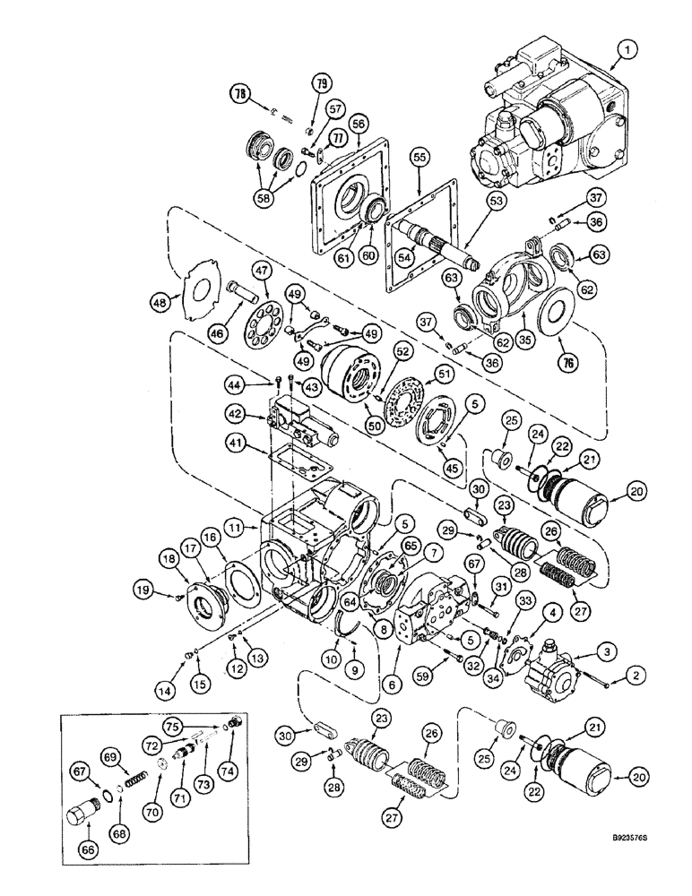
Запчасти Case IH 2166 (6-18) - HYDROSTATIC PUMP ASSEMBLY (03) - POWER TRAIN

Схема запчастей Case IH 2166 - (6-18) - HYDROSTATIC PUMP ASSEMBLY (03) - POWER TRAIN
33
71
45
58
14
53
9
22
5
28
51
16
65
63
44
20
31
62
5
49
36
24
46
72
11
3
64
49
68
20
15
55
77
6
76
2
59
4
74
57
48
18
50
62
79
8
23
5
10
13
49
27
36
1
30
60
25
67
24
27
26
47
63
78
26
41
22
21
73
69
56
67
21
66
43
70
37
12
61
54
42
37
29
7
34
29
75
32
23
35
17
30
52
19
25
28
FIT
1:1
100%

Артикул

Название

Примечание

Количество

1

1343716C4

PUMP, HYDROSTATIC

PUMP ASSEMBLY - hydrostatic, new, corn and grain, parts list Figures 6-18 - 6-26, Includes: Ref. 2 - 75

1шт.

1

87659947

REMAN-HYDROSTAT PUMP

Corn And Grain

1шт.

1

400478A1C

CORE-HYDROSTAT PUMP

Return Part Number

1шт.

1

108113A2

PUMP, HYDROSTATIC

PUMP ASSEMBLY - hydrostatic, new, rice, parts list Figures 6-18 - 6-24 and 6-28, Includes: Ref. 2 - 75

1шт.

1

87637529R

REMAN-HYDROSTAT PUMP

Rice

1шт.

1

87637529C

CORE-HYDROSTAT PUMP

Return Part Number

1шт.

2

413-556

BOLT,Hex, 5/16" - 18 x 3-1/2", Gr 5

4шт.

3

92740C2

PUMP

ASSEMBLY - charge, corn and grain, parts list Figure 6-26

1шт.

3

107593A2

PUMP

ASSEMBLY - charge, rice, parts list Figure 6-28

1шт.

4

133760C2

GASKET

- charge pump

1шт.

5

140754C1

PIN

- dowel, 5/16 x 5/8 inch

5шт.

6

NSS

NOT SOLD SEPARAT

COVER - pump end, order pump assembly

1шт.

142398C91

SHIM KIT

KIT - shim, end cover, Includes: Ref. 7

1шт.

7

NSS

NOT SOLD SEPARAT

SHIM - 0.003 inch

1шт.

7

NSS

NOT SOLD SEPARAT

SHIM - 0.005 inch

1шт.

7

NSS

NOT SOLD SEPARAT

SHIM - 0.010 inch

1шт.

7

NSS

NOT SOLD SEPARAT

SHIM - 0.015 inch

1шт.

7

NSS

NOT SOLD SEPARAT

SHIM - 0.020 inch

1шт.

7

NSS

NOT SOLD SEPARAT

SHIM - 0.030 inch

1шт.

8

92741C2

GASKET,0.38mm Thk

- end cover

1шт.

9

461-3086

HEX SOC SCREW,#8 - 32 x 3/8"

BOLT, Hex Soc Hd, #8-32 x 3/8"

6шт.

10

142408C1

RETAINER

- servo

2шт.

11

NSS

NOT SOLD SEPARAT

HOUSING - pump, order pump assembly

1шт.

12

278548

PLUG,Hex, 7/16"-20 ORB

Incl Ref 13 Hex Soc, 7/16"-20 ORB

1шт.

13

237-6004

O-RING,0.072" Thk x 0.351" ID, -904, Cl 6, 90 Duro

4-1, 90 Duro, .351" ID x .072" Thk

1шт.

14

9672438

PLUG,7/16" - 20 ORB

Incl. Ref. 15 Hex Hd, 7/16"-20 ORB

1шт.

15

237-6004

O-RING,0.072" Thk x 0.351" ID, -904, Cl 6, 90 Duro

4-1, 90 Duro, .351" ID x .072" Thk

1шт.

142386C91

SHIM KIT

KIT - shim, trunnion bearing, Includes: Ref. 16

1шт.

16

NSS

NOT SOLD SEPARAT

SHIM - 0.002 inch

6шт.

16

NSS

NOT SOLD SEPARAT

SHIM - 0.005 inch

4шт.

16

NSS

NOT SOLD SEPARAT

SHIM - 0.010 inch

4шт.

16

NSS

NOT SOLD SEPARAT

SHIM - 0.015 inch

4шт.

16

NSS

NOT SOLD SEPARAT

SHIM - 0.025 inch

4шт.

17

238-5234

O-RING,0.139" Thk x 2.984" ID, -234, Cl 5, 75 Duro

2шт.

18

NSS

NOT SOLD SEPARAT

TRUNNION - pump, order pump assembly

2шт.

19

413-714

BOLT,Hex, 7/16" - 14 x 7/8", Gr 5

- hex, 7/16 NC x 7/8 inch

6шт.

20

142407C2

KIT

SLEEVE - servo

2шт.

21

238-5237

O-RING,0.139" Thk x 3.359" ID, -237, Cl 5, 75 Duro

2шт.

22

238-5234

O-RING,0.139" Thk x 2.984" ID, -234, Cl 5, 75 Duro

2шт.

23

224669C91

PISTON

ASSEMBLY - servo, Includes: Ref. 24 - 30

2шт.

24

NSS

NOT SOLD SEPARAT

SCREW - hex socket

1шт.

25

NSS

NOT SOLD SEPARAT

RETAINER - servo spring

1шт.

26

NSS

NOT SOLD SEPARAT

SPRING - servo, heavy

1шт.

27

NSS

NOT SOLD SEPARAT

SPRING - servo, light

1шт.

28

NSS

NOT SOLD SEPARAT

PIN - link

1шт.

29

NSS

NOT SOLD SEPARAT

RING - link retaining

2шт.

30

NSS

NOT SOLD SEPARAT

LINK - servo

1шт.

31

413-748

BOLT,Hex, 7/16" - 14 x 3", Gr 5

6шт.

32

140769C1

CHECK VALVE

VALVE ASSEMBLY - check, Includes: Ref. 33 & 34

2шт.

33

140770C1

RING

- backup

1шт.

34

238-6113

O-RING,0.103" Thk x 0.549" ID, -113, Cl 6, 90 Duro

1шт.

35

1980171C1

HOUSING

PLATE - swash

1шт.

36

140766C1

PIN,14.22mm OD x 39.12mm L

- pivot, servo linkage

2шт.

37

28145R1

SNAP RING,#56, Ext

Ring, Snap, , servo linkage pin #56, Ext

4шт.

41

133756C1

GASKET

- control valve

1шт.

42

191065A1

CONTROL VALVE

VALVE ASSEMBLY - control, parts list Figure 6-24

1шт.

43

413-528

BOLT,Hex, 5/16" - 18 x 1-3/4", Gr 5

2шт.

44

413-516

BOLT,Hex, 5/16" - 18 x 1", Gr 5

4шт.

45

1346255C1

PLATE

- valve

1шт.

1346254C1

KIT

- rotating group, cylinder, Includes: Ref. 46 - 52

1шт.

46

NSS

NOT SOLD SEPARAT

PISTON - cylinder block

9шт.

47

NSS

NOT SOLD SEPARAT

PLATE - retaining

1шт.

48

NSS

NOT SOLD SEPARAT

PLATE - retaining, clear

1шт.

49

NSS

NOT SOLD SEPARAT

KIT - hold down, piston

1шт.

50

NSS

NOT SOLD SEPARAT

BARREL - cylinder

1шт.

51

NSS

NOT SOLD SEPARAT

PLATE - bearing

1шт.

52

140754C1

PIN

- dowel, 5/16 x 5/8 inch

7шт.

53

1980169C1

SHAFT

ASSEMBLY - input, Includes: Ref. 54

1шт.

54

NSS

NOT SOLD SEPARAT

RING - snap

1шт.

55

142399C1

GASKET

- mounting flange

1шт.

56

NSS

NOT SOLD SEPARAT

FLANGE - mounting, order pump assembly

1шт.

57

413-720

BOLT,Hex, 7/16" - 14 x 1-1/4", Gr 5

12шт.

58

1346205C1

SEAL KIT

KIT - seal, shaft, four piece

1шт.

59

426-732

BOLT,Hex, 7/16" - 14 x 2", Gr 8

2шт.

60

56694H

BEARING ASSY,50.8mm ID x 30.3mm W

BEARING - tapered roller, input shaft

1шт.

61

ST863

BEARING CUP,93.22mm OD x 23.81mm W

CUP - tapered roller bearing, input shaft

1шт.

62

399933C91

ROLLER BEARING,45.24mm ID x 19.81mm W

CONE - tapered roller bearing, 1-25/32 inch ID, trunnion

2шт.

63

399934C1

BEARING CUP,73.43mm OD x 15.75mm W

CUP - tapered roller bearing, 2-57/64 inch OD, trunnion

2шт.

64

400983R91

ROLLER BEARING,1.18775" ID x 2.5317" OD x 0.8478"

CONE - tapered roller bearing, 1-3/16 inch ID, input shaft

1шт.

65

530741R1

BEARING CUP

CUP - tapered roller bearing, 2-17/32 inch OD, input shaft

1шт.

1986739C1

REPAIR KIT

KIT - spool repair, internal pressure override, rice combine only, Includes: Ref. 66 - 75

1шт.

66

NSS

NOT SOLD SEPARAT

BODY - valve

1шт.

67

237-6010

O-RING,0.097" Thk x 0.755" ID, -910, Cl 6, 90 Duro

10-1, 90 Duro, .755" ID x .097" Thk

1шт.

68

NSS

NOT SOLD SEPARAT

KIT - shim

1шт.

69

NSS

NOT SOLD SEPARAT

SPRING - override

1шт.

70

NSS

NOT SOLD SEPARAT

SPACER - spring

1шт.

71

NSS

NOT SOLD SEPARAT

SPOOL - override

1шт.

72

NSS

NOT SOLD SEPARAT

ROLLER - short

1шт.

73

NSS

NOT SOLD SEPARAT

ROLLER - long

1шт.

74

NSS

NOT SOLD SEPARAT

PLUG - valve, Includes: Ref. 75

1шт.

75

237-6006

O-RING,0.078" Thk x 0.468" ID, -906, Cl 6, 90 Duro

6-1, 90 Duro, .468" ID x .078" Thk

1шт.

76

80369C1

PLATE

- thrust

1шт.

77

NSS

NOT SOLD SEPARAT

STRAP - shipping (reference only)

2шт.

78

413-832

BOLT,Hex, 1/2" - 13 x 2", Gr 5

4шт.

79

186852C1

FLANGE NUT,Hex, 1/2"-13, Lock

- hex flange, self-locking, special, 1/2 inch NC, grade 8

4шт.

Выбрано товаров: 95