Запчасти Case IH 2188 (6-38) - HYDROSTATIC MOTOR ASSEMBLY, RELIEF VALVE BLOCK, SINGLE SPEED, PRIOR TO COMBINE S/N JJC0193725 (03) - POWER TRAIN

Схема запчастей Case IH 2188 - (6-38) - HYDROSTATIC MOTOR ASSEMBLY, RELIEF VALVE BLOCK, SINGLE SPEED, PRIOR TO COMBINE S/N JJC0193725 (03) - POWER TRAIN
11
4
6
13
12
13
14
11
7
7
8
22
3
8
21
7
20
2
3
7
18
12
10
17a
10
19
17
4
23
6
15
FIT
1:1
100%

Артикул

Название

Примечание

Количество

192404A1

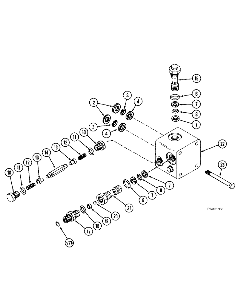
VALVE

BLOCK ASSEMBLY - relief valve, Includes: Ref. 2 - 22

1шт.

140747C92

SEAL KIT

KIT - valve block mounting seal, valve block, Includes: Ref. 2 - 4

1шт.

2

NSS

NOT SOLD SEPARAT

RING - square, 3/4 x 7/8 x 1/16 inch

1шт.

3

238-6018

O-RING,0.07" Thk x 0.739" ID, -18, Cl 6, 90 Duro

2шт.

4

NSS

NOT SOLD SEPARAT

RING - backup

2шт.

393885R91

GASKET KIT

KIT - relief valve seal, Includes: Ref. 6 - 8

3шт.

6

237-6014

O-RING,0.116" Thk x 1.048" ID, -914, Cl 6, 90 Duro

14-1, 90 Duro, 1.048" ID x .116" Thk

1шт.

7

393887R1

BACK-UP RING

RING - backup

2шт.

8

238-6117

O-RING,0.103" Thk x 0.799" ID, -117, Cl 6, 90 Duro

1шт.

145559C91

KIT

- shuttle valve, Includes: Ref. 10 - 14

1шт.

10

NSS

NOT SOLD SEPARAT

PLUG - valve

2шт.

11

237-6010

O-RING,0.097" Thk x 0.755" ID, -910, Cl 6, 90 Duro

10-1, 90 Duro, .755" ID x .097" Thk

2шт.

12

145560C1

SPRING

- shuttle valve

2шт.

13

NSS

NOT SOLD SEPARAT

VALVE - shuttle

2шт.

14

NSS

NOT SOLD SEPARAT

SPOOL - shuttle

1шт.

15

140761C1

VALVE PRESSURE RELIE

VALVE Assy - low pressure relief, Incl. Ref. 17 - 21

1шт.

192288A1

VALVE

ASSEMBLY - feathering relief, Includes: Ref. 17 - 21

2шт.

17

NSS

NOT SOLD SEPARAT

CONNECTOR - special

1шт.

17a

238-6011

O-RING,0.07" Thk x 0.301" ID, -11, Cl 6, 90 Duro

1шт.

18

NSS

NOT SOLD SEPARAT

O-RING - 1/4 inch OD tube

1шт.

19

NSS

NOT SOLD SEPARAT

BUSHING - ball guide

1шт.

20

NSS

NOT SOLD SEPARAT

BALL - steel, 1/4 inch

1шт.

21

NSS

NOT SOLD SEPARAT

CARTRIDGE - valve

1шт.

22

NSS

NOT SOLD SEPARAT

BLOCK - valve

1шт.

23

413-664

BOLT,Hex, 3/8" - 16 x 4", Gr 5

- hex, 3/8 NC x 4 inch

4шт.

Выбрано товаров: 25