Запчасти Case IH 2188 (6-72) - TRACK FRAME (03) - POWER TRAIN

Схема запчастей Case IH 2188 - (6-72) - TRACK FRAME (03) - POWER TRAIN
36
2
19
44
18
32
20
50
38
4
7
48
17
27
32
33
3
49
11
14
35
1
32
37a
31
44
28
25
46
43
6
37
40
30
31
43
41
5
34
12
10
31
47
15
9
21
8
39
41
23
45
24
2
22
26
42
29
42
3
13
30
FIT
1:1
100%

Артикул

Название

Примечание

Количество

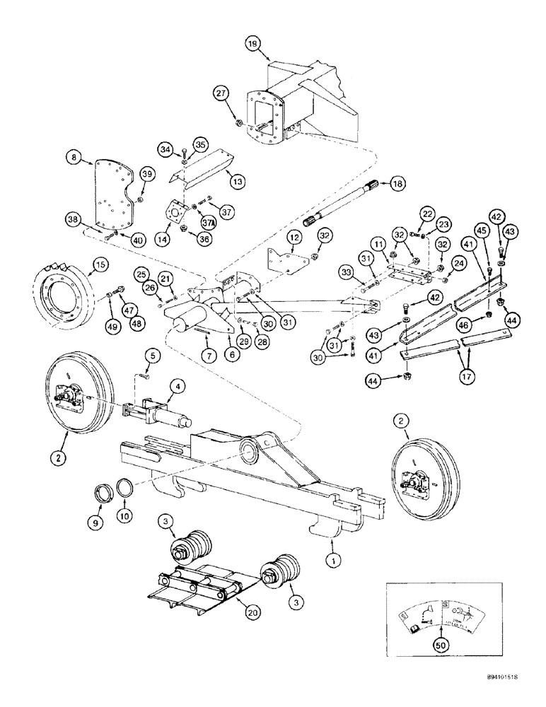
1541592C1

FRAME ASSY

FRAME ASSEMBLY - track, 6 roller, Includes: Ref. 1 - 5

2шт.

1

NSS

NOT SOLD SEPARAT

FRAME - track, order frame assembly 1541592C1

1шт.

2

R53591

FRONT IDLER

IDLER ASSEMBLY - track, front and rear, parts list Figure 6-78

2шт.

3

R57357

TRACK ROLLER

ROLLER ASSEMBLY - track, parts list Figure 6-80

6шт.

4

1541714C1

ADJUSTER

- idler, component parts not serviced separately

1шт.

5

426-828

BOLT,Hex, 1/2" - 13 x 1-3/4", Gr 8

- hex, 1/2 NC x 1-3/4 inch, grade 8

4шт.

6

188487C1

FRAME

PIVOT - track frame, left-hand

1шт.

6

188488C2

FRAME

PIVOT - track frame, right-hand

1шт.

7

23854R1

LOCK PIN,1/2" x 5", Slotted

Pin, 1/2" x 5", Slotted

2шт.

8

186832C2

PLATE

- outer pivot support

2шт.

9

167791C1

SPACER

COLLAR - pivot retainer

2шт.

10

168385C2

WASHER,102.6mm ID x 127mm OD x 3.3mm Thk

- flat, special, track pivot shaft

4шт.

11

188498C1

BRACKET

SUPPORT - pivot rear anchor, left-hand, used in field installation

1шт.

11

188496C1

SUPPORT

- Pivot Rear Anchor, LH, Used in factory installation

1шт.

11

188499C1

BRACKET

SUPPORT - pivot rear anchor, right-hand, used in field installation

1шт.

11

188497C1

SUPPORT

- Pivot Rear Anchor, RH, Used in factory installation

1шт.

12

186006C1

SUPPORT

- inner pivot, high clearance

2шт.

12

1302371C1

PLATE

SUPPORT - inner pivot, low clearance, left-hand

1шт.

12

1302372C1

PLATE

SUPPORT - inner pivot, low clearance, right-hand

1шт.

13

1338130C1

SHIELD

- axle shaft, drive

2шт.

14

186016C4

SUPPORT

Bracket, Outer shaft shield, LH

1шт.

14

186017C4

SUPPORT

Bracket, Outer shaft shield, RH

1шт.

15

184490C2

SPROCKET

- track drive, 23 teeth

2шт.

17

186018C1

STRAP

BAR - diagonal support, separator frame, Figures 9H-6, Ref. 14, and 9H-8, Ref. 12

2шт.

18

135705A1

SHAFT

- axle, 770 mm, use on combines with track attachment

2шт.

19

136417A3

AXLE

- drive, use on combines with track attachment

1шт.

20

1541593C1

TRACK CHAIN

CHAIN ASSEMBLY - track with shoes, parts list Figure 6-76

2шт.

21

496-11081

WASHER,13/16" x 1 1/2" x .134", HDN

Flat 13/16" x 1 1/2" x .134", HDN

14шт.

22

426-616

BOLT,Hex, 3/8" - 16 x 1", Gr 8

4шт.

23

492-11038

LOCK WASHER,3/8"

4шт.

24

429-106

NUT,3/8"-16, G8

- hex, 3/8 inch NC, grade 8

4шт.

25

426-1244

BOLT,Hex, 3/4" - 10 x 2-3/4", Gr 8

- hex, 3/4 NC x 2-3/4 inch, grade 8

10шт.

26

426-1248

BOLT,Hex, 3/4" - 10 x 3", Gr 8

- hex, 3/4 NC x 3 inch, grade 8

4шт.

27

186852C1

FLANGE NUT,Hex, 1/2"-13, Lock

- hex flange, self-locking, special, 1/2 inch NC, grade 8

6шт.

28

426-820

BOLT,Hex, 1/2" - 13 x 1-1/4", Gr 8

- hex, 1/2 NC x 1-1/4 inch, grade 8

6шт.

29

496-21053

WASHER,17/32" x 1 1/16" x .134"

- flat, 17/32 x 1-1/16 x 1/8 inch, hardened

6шт.

30

426-1028

BOLT,Hex, 5/8" - 11 x 1-3/4", Gr 8

- hex, 5/8 NC x 1-3/4 inch, grade 8

22шт.

31

396-41066

WASHER,16.66mm ID x 38.1mm OD x 5.05mm Thk

- flat, 21/32 x 1-1/2 x 3/16 inch, hardened

26шт.

32

186851C1

FLANGE NUT

- hex flange, self-locking, 5/8 inch NC, grade 8

24шт.

33

426-1020

BOLT,Hex, 5/8" - 11 x 1-1/4", Gr 8

- hex, 5/8 NC x 1-1/4 inch, grade 8

2шт.

34

413-612

BOLT,Hex, 3/8" - 16 x 3/4", Gr 5

4шт.

35

495-11041

WASHER,0.406" ID x 0.812" OD x 0.065" W

(Flat, 13/32 x 13/16 x 1/16") 3/8", SAE

4шт.

36

231-5146

FLANGE NUT,3/8"-16

4шт.

37

614-10025

BOLT,Hex, M10 x 1.5 x 25mm, Cl 8.8

6шт.

37a

895-11010

WASHER,11mm ID x 20mm OD x 2mm Thk

- flat, 11 x 21 x 2 mm

6шт.

38

426-1240

BOLT,Hex, 3/4" - 10 x 2-1/2", Gr 8

- hex, 3/4 NC x 2-1/2 inch, grade 8

10шт.

39

429-1012

NUT,3/4"-10, G8

- hex, 3/4 inch NC, grade 8

10шт.

40

392-21075

LOCK WASHER,3/4"

3/4"

10шт.

41

186025C1

BRACKET

ANGLE - main sill center cross

1шт.

42

426-828

BOLT,Hex, 1/2" - 13 x 1-3/4", Gr 8

- hex, 1/2 NC x 1-3/4 inch, grade 8

2шт.

43

496-21053

WASHER,17/32" x 1 1/16" x .134"

- flat, 17/32 x 1-1/16 x 1/8 inch, hardened

2шт.

44

186852C1

FLANGE NUT,Hex, 1/2"-13, Lock

- hex flange, self-locking, special, 1/2 inch NC, grade 8

2шт.

45

413-516

BOLT,Hex, 5/16" - 18 x 1", Gr 5

- hex, 5/16 NC x 1 inch

2шт.

46

231-5145

SERRATED NUT,Flg, USR, 5/16"-18

NUT - hex serrated flange, 5/16 inch NC

2шт.

47

131443A1

BOLT,M20 x 1.5 x 210mm, Cl 8.8

BOLT - special, drive wheel starter

2шт.

48

130965A1

FLANGE BOLT,Hex, M20 x 1.5 x 70mm, Cl 10.9

BOLT - hex flange, 20 - 1.5 x 70 mm, class 10.9

20шт.

49

130871A2

SPACER

- special, bolt

20шт.

50

135780A2

DECAL

- single drive wheel bolt torque

1шт.

Выбрано товаров: 58