Запчасти Case IH 2188 (4-56) - STARTER AND ALTERNATOR MOUNTING (06) - ELECTRICAL

Схема запчастей Case IH 2188 - (4-56) - STARTER AND ALTERNATOR MOUNTING (06) - ELECTRICAL
17
22
19
21
25
16
18
23
13
2
15
10
24
20
4
26
9
3
5
12
8
11
6
1
29
27
28
7
14
21
FIT
1:1
100%

Артикул

Название

Примечание

Количество

1

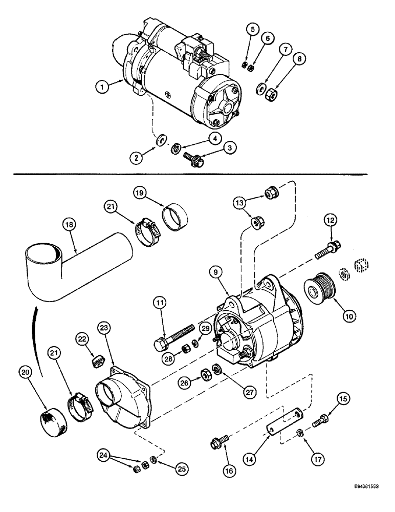
A187728

STARTING MOTOR

STARTER ASSEMBLY - engine, parts list Figures 4-60 and 4-62

1шт.

1

AR187728

REMAN-STARTER

Remanufactured Starter

1шт.

1

A187728GV

STARTER MOTOR

Value

1шт.

1

AC187728

CORE-STARTER

Return Part Number

1шт.

2

896-11012

WASHER,13.5mm ID x 24mm OD x 3mm Thk

WASHER, M13.5 x 24.5 x 3, HT

3шт.

3

868-12035

12 PT SCREW,M12 x 35mm, Cl 12.9

BOLT - 12 point flange, 12 - 1.75 x 35 mm, class 12.9

3шт.

4

892-11012

LOCK WASHER,M12

WASHER, LOCK, , If used M12

3шт.

5

492-11010

LOCK WASHER,#10

WASHER, LOCK, #10

1шт.

6

225-14210

NUT,#10-32

NUT, #10-32

1шт.

7

495-11053

WASHER,1/2", SAE

WASHER, (17/32" x 1-1/16" x 3/32") 1/2", SAE

1шт.

8

425-108

NUT,1/2" - 13, Gr 5

NUT, , Hex 1/2"-13, G5

1шт.

9

125849A1

ALTERNATOR,12V, 135A, W/ Pulley

ALTERNATOR ASSEMBLY - engine, 135 ampere, parts list Figure 4-58, alternator mounting

1шт.

9

125849A1R

REMAN-ALTERNATOR

Remanufactured Alternator, 12 volt 135 ampere

1шт.

9

125849A1C

CORE-ALTERNATOR

Return Part Number

1шт.

9

125849A1GV

ALTERNATOR

Value, 12 volt 135 ampere

1шт.

10

A189616

PULLEY

PULLEY - alternator mounting

1шт.

11

854-12065

BOLT,Hvy Hex, M12 x 65mm, Cl 10.9

BOLT - heavy hex flange, 12 - 1.75 x 65 mm, class 10.9, alternator mounting

1шт.

12

854-12050

BOLT,Hvy Hex, M12 x 50mm, Cl 10.9

BOLT, , Alternator mounting Hex Flg, M12 x 50, 10.9

1шт.

13

829-2312

FLANGE NUT,M12 x 1.75, Flg, Cl 10

NUT - hex flange, 12 mm - 1.75, class 10, alternator mounting

2шт.

14

J911485

SUPPORT

BRACE - alternator mounting

1шт.

15

614-8030

BOLT,Hex, M8 x 1.25 x 30mm, Cl 8.8, Full Thd

BOLT, HH, CL 8.8, M8 x 1.25 x 30, Alternator mounting

1шт.

16

360-820

BOLT,Hex, 1/2" - 13 x 1 1/4", Gr 8

BOLT - hex flange, 1/2 NC x 1-1/4 inch, grade 8, alternator mounting

1шт.

17

892-11008

LOCK WASHER,8mm ID

WASHER, LOCK, , Alternator mounting M8

1шт.

18

143953A1

ELBOW

HOSE - 90 degree, formed, alternator air inlet, alternator mounting

1шт.

19

179418A1

TUBE,53.975 mm OD

TUBE - alternator air inlet, straight, 2-1/4 (54) OD x 13/16 inch (20 mm) long, alternator mounting

1шт.

20

1979627C1

COVER

SCREEN - alternator dust cover, alternator mounting

1шт.

21

214-1532

HOSE CLAMP,#32, 1.56" - 2.5", Type F Worm, W/ Liner

HOSE CLAMP, , Adj., Alternator mounting #32, 1.56/2.50 Type F Worm, W/liner

2шт.

22

1964826C1

GROMMET

GROMMET - alternator mounting

1шт.

23

1338890C1

COVER

COVER - end, alternator mounting

1шт.

24

825-1405

NUT,M5, Cl 8

NUT, , Alternator mounting M5, Cl 8

8шт.

25

495-31025

WASHER,3/16"

WASHER - flat, 1/4 x 9/16 x 3/64 inch, alternator mounting

4шт.

26

425-147

JAM NUT,Jam, 7/16"-14, G5

NUT - hex jam, 7/16 inch NC, alternator mounting

1шт.

27

492-11044

LOCK WASHER,7/16"

WASHER, LOCK, , Alternator mounting 7/16"

1шт.

28

825-1404

NUT,M4, Cl 8

NUT, , Alternator mounting M4, Cl 8

1шт.

29

892-11004

LOCK WASHER,M4

WASHER, LOCK, , Alternator mounting M4

1шт.

Выбрано товаров: 35