Запчасти Case IH 2188 (4-66) - WINDSHIELD WIPER ASSEMBLY, SINGLE BLADE (06) - ELECTRICAL

Схема запчастей Case IH 2188 - (4-66) - WINDSHIELD WIPER ASSEMBLY, SINGLE BLADE (06) - ELECTRICAL
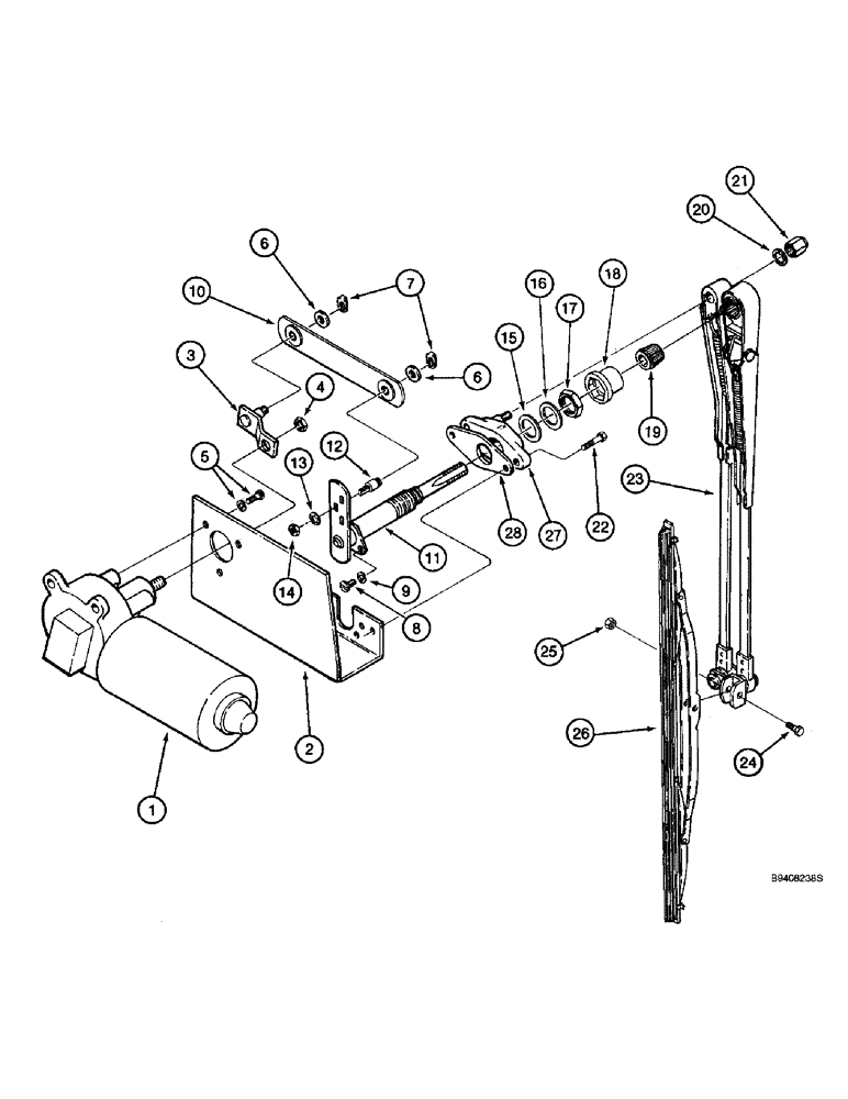
6
26
12
22
6
14
3
6
23
4
17
25
13
11
19
8
7
2
9
18
1
21
15
16
28
27
20
10
24
FIT
1:1
100%

Артикул

Название

Примечание

Количество

137608A1

WIPER MOTOR

MOTOR ASSEMBLY - windshield wiper, includes mounting bracket, Includes: Ref. 1 - 21

1шт.

1

60-6586T1

WIPER MOTOR

MOTOR - wiper drive

1шт.

2

D72850

BRACKET

- mounting, drive motor (Replaces bracket 60-6633T1)

1шт.

3

60-6626T1

LEVER

- drive

1шт.

4

143267A1

LOCK NUT

- special (Replaces nut 60-6632T1)

1шт.

5

60-6631T1

SCREW

BOLT - special, hex slotted with lockwasher, no longer available, order bolt 414-412 and washer 492-11025, Ref. 29 and 30

3шт.

6

A22431

WASHER

- special

2шт.

7

D71414

CLIP

RETAINER - spring clip

2шт.

8

459-1108

SCREW,Slotted Pan Hd, #10-32 x 1/2"

- machine, pan head slotted, No. 10 NF x 1/2 inch

2шт.

9

492-11010

LOCK WASHER,#10

WASHER, LOCK, #10

2шт.

10

D71427

LINK,85.85mm L

- connecting, to pivot shaft

1шт.

N6714

SHAFT

ASSEMBLY - pivot, Includes: Ref. 11 - 21

1шт.

11

NSS

NOT SOLD SEPARAT

SHAFT - pivot, order shaft assembly N6714

1шт.

12

D73642

PIN

- special

1шт.

13

493-21026

LOCK WASHER,Int Tooth, 1/4"

WASHER - internal tooth lock, 1/4 inch

1шт.

14

425-154

JAM NUT,Jam, 1/4"-28, G5

- hex jam, 1/4 inch NF

1шт.

15

D71417

SPECIAL WASHER

WASHER - special, flat

1шт.

16

495-81032

WASHER,18.26mm ID x 31.75mm OD x 1.7mm Thk

- flat, 23/32 x 1-1/4 x 3/64 inch

1шт.

17

D71419

NUT

- special, hex jam

1шт.

18

D71420

CAP

- shaft

1шт.

19

1267556C1

BUTTON

NUT - knurled drive

1шт.

20

493-21039

LOCK WASHER,Int Tooth, 3/8"

WASHER - internal tooth lock, 3/8 inch

1шт.

21

60-6635T1

NUT

- special

1шт.

22

414-48

BOLT,Hex, 1/4" - 28 x 1/2", Gr 5

2шт.

23

121259A1

WIPER ARM

ARM ASSEMBLY - windshield wiper, 22 inch (559 mm) long, Includes: Ref. 24 and 25

1шт.

24

NSS

NOT SOLD SEPARAT

SCREW - blade mounting

1шт.

25

NSS

NOT SOLD SEPARAT

NUT - blade mounting

1шт.

26

121260A1

WIPER BLADE

BLADE - windshield wiper, 19-3/4 inch (502 mm) long

1шт.

133935A1

PACKAGE

KIT - pantograph wiper adapter, Includes: Ref. 27 and 28

1шт.

27

NSS

NOT SOLD SEPARAT

PLATE - pivot

1шт.

28

NSS

NOT SOLD SEPARAT

GASKET - plate

1шт.

29

414-412

BOLT,Hex, 1/4" - 28 x 3/4", Gr 5

- hex, 1/4 NF x 5/8 inch, not shown

3шт.

30

492-11025

LOCK WASHER,1/4"

WASHER, LOCK, , Not shown 1/4"

3шт.

Выбрано товаров: 0