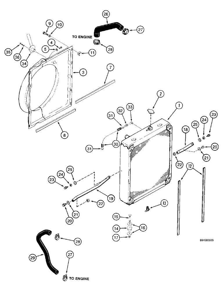
Запчасти Case IH 2188 (2-02) - RADIATOR AND FAN SHROUD, PRIOR TO COMBINE P.I.N. JJC0191483 (01) - ENGINE

Схема запчастей Case IH 2188 - (2-02) - RADIATOR AND FAN SHROUD, PRIOR TO COMBINE P.I.N. JJC0191483 (01) - ENGINE
3
25
30
13
10
21
11
31
22
20
16
7
24
14
9
31
27
18
4
28
20
8
2
25
27
1
22
34
35
5
32
29
23
19
24
26
33
23
21
28
17
36
15
12
FIT
1:1
100%

Артикул

Название

Примечание

Количество

1

116154A1

RADIATOR

- engine cooling, grain and corn models only

1шт.

1

117403A1

RADIATOR

- engine cooling, rice models only

1шт.

2

A170241

RADIATOR CAP

CAP, RADIATOR, Filler, 15 psi

1шт.

3

117404A4

SHROUD

ASSEMBLY - fan, includes both halves, Includes: Ref. 4 and 5

1шт.

4

806-8025

BOLT,Hex, M8 x 1.25 x 25mm, Cl 10.9

- hex, self-locking, 8 - 1.25 x 25 mm, class 10.9

4шт.

5

896-11008

WASHER,9mm ID x 17mm OD x 2mm Thk

- flat, 9 x 17 x 2 mm, hardened

4шт.

7

1970457C2

SEAL

- radiator to shroud, upper, 31 inch (787 mm) long, cut from 1974883CX bulk seal below

1шт.

See Figure 9G-38 for pressurized blower, air filter and precleaner mounting.

1шт.

8

1979476C1

SEAL

- radiator to shroud, lower, 28-3/4 inch (730 mm) long, cut from 1974883CX bulk seal below

1шт.

See Figure 9G-38 for pressurized blower, air filter and precleaner mounting.

1шт.

9

409-7512

BOLT,Hex Flg, 5/16" - 18 x 3/4", Spcl

- hex serrated flange, 5/16 NC x 3/4 inch

8шт.

10

495-81001

WASHER,5/16"

- flat, 3/8 x 1-1/8 x 1/16 inch

9шт.

11

488837C1

SPRING NUT

- speed, 5/16 inch

9шт.

12

118327A1

SEAL

SEAL - radiator to air chute, 38-25/32 inch (985 mm) long, cut from 195917C1 bulk seal below

2шт.

See Figure 9G-38 for pressurized blower, air filter and precleaner mounting.

1шт.

13

86982771

VALVE

- drain, 1/4 inch PT

1шт.

14

R29799

SHOCK ABSORBER

INSULATOR - rubber, radiator mounting

2шт.

15

434-736

CARRIAGE BOLT,Sht Sq Nk, 7/16" - 14 x 2 1/4", Gr 5

BOLT - carriage, 7/16 NC x 2-1/4 inch

2шт.

16

495-81013

WASHER,.469" x 1 3/4" x .120"

4шт.

17

231-4117

LOCK NUT,7/16"-14, GB

NUT - hex, self-locking, 7/16 inch NC

2шт.

18

118056A1

SUPPORT

- radiator, left-hand

1шт.

19

118055A2

SUPPORT

- radiator, right-hand

1шт.

20

409-7616

BOLT,Hex Flg, 3/8" - 16 x 1", Spcl

2шт.

21

495-81140

WASHER,13/32" x 1 1/4" x .060"

- flat, 13/32 x 1-1/4 x 1/16 inch

2шт.

22

231-5146

FLANGE NUT,3/8"-16

2шт.

23

199953C1

SELF-TAP SCREW,HWH, 5/16" - 18 x 13/16"

SCREW, SELF TAP, Hex Wash Hd, 5/16"-18 x 13/16"

2шт.

24

492-11031

LOCK WASHER,5/16"

WASHER, LOCK, 5/16"

2шт.

25

495-81001

WASHER,5/16"

- flat, 3/8 x 1-1/8 x 1/16 inch

2шт.

26

117405A1

RADIATOR HOSE,50.80 mm ID, 56.00 mm ID x 368.40 mm

Engine Outlet, Upper 50.80 mm ID, 56.00 mm ID x 368.40 mm

1шт.

27

214-3240

HOSE CLAMP,1-3/4" - 2-5/8", HD Worm, W/ Liner

CLAMP, HOSE, , Adj. 1.75/2.625 HD Worm, W/liner

2шт.

28

214-3248

HOSE CLAMP,57mm - 79mm

CLAMP, HOSE, , Adj. 2.25/3.125 HD Worm, W/liner

2шт.

29

1979382C2

HOSE

- engine inlet, radiator lower

1шт.

30

1960764C1

RADIATOR HOSE,9.50 mm ID x 560.00 mm, SAE 20R3

Radiator vent to engine, If used 9.50 mm ID x 560.00 mm, SAE 20R3

1шт.

31

214-1706

HOSE CLAMP,#06, 0.44" - 0.78", Type M Worm

CLAMP, HOSE, , Adjustable #6, 0.44/0.78 Type M Worm

2шт.

32

217-151

FITTING,3/8" Hose Barb x 1/4" Male NPTF

Adapter 3/8" Hose X 1/4" NPTF Beaded

1шт.

33

217-1085

ELBOW,45 Degree, 1/4"-18 Female x 1/4"-18 Male

45°, 1/4"-18 Female x 1/4"-18 Male

1шт.

34

131595A1

TUBE

- aspirator

1шт.

See Figure 9G-38 for pressurized blower, air filter and precleaner mounting.

1шт.

35

806-6016

BOLT,Hex, M8 x 1.25 x 16mm, Cl 10.9

- hex, self-locking, 6 - 1.0 x 16 mm, class 10.9

2шт.

36

895-11006

WASHER,6.6mm ID x 12mm OD x 1.6mm Thk

2шт.

1974883CX

SEAL

- bulk, adhesive-backed, 1/2 (13) x 1-1/2 (38) x 600 inch (15240 mm) long

1шт.

See Figure 9G-38 for pressurized blower, air filter and precleaner mounting.

1шт.

195917C1

GASKET

SEAL - bulk, foam, adhesive-backed, 600 inch (15240 mm) long

1шт.

See Figure 9G-38 for pressurized blower, air filter and precleaner mounting.

1шт.

Выбрано товаров: 44