Запчасти Case IH 2188 (9G-52) - AIR CONDITIONING SYSTEM, COMPRESSOR MOUNTING AND DRIVE (10) - CAB & AIR CONDITIONING

Схема запчастей Case IH 2188 - (9G-52) - AIR CONDITIONING SYSTEM, COMPRESSOR MOUNTING AND DRIVE (10) - CAB & AIR CONDITIONING
16
2
7
6
4
15
9
10
5
14
3
8
13
1
13
14
12
11
14
8
FIT
1:1
100%

Артикул

Название

Примечание

Количество

1999755C2

COMPRESSOR

ASSEMBLY - air conditioning, Includes: Ref. 1 - 4

1шт.

86993462R

REMAN-COMPRESSOR

2188 (1/95-12/97), Reman for New P/N 1999755C2

1шт.

86993462C

CORE-COMPRESSOR

Return Number

1шт.

48017123R

REMAN-A/C COMP KIT

Reman AC Compressor Kit

1шт.

48017123C

REMAN-A/C COMP KIT

Return Number

1шт.

1999755C3R

REMAN-A/C COMPRESSOR

Inc.- 8 Mounting Holes, 2 Groove Pulley, For Use w/HFC134A Refrigerant

1шт.

1999755C3C

CORE-COMPRESSOR

Return Number

1шт.

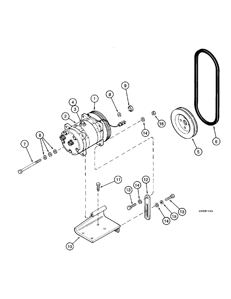
1

NSS

NOT SOLD SEPARAT

COMPRESSOR - air conditioning, order compressor assembly 1999755C2

1шт.

2

135324A1

CLUTCH

- compressor

1шт.

3

A49667

PLUG

- hex

1шт.

4

128483A1

O-RING,1.78mm Thk x 7.65mm ID, 70 Duro

- 5/16 ID x 1/16 inch wide

1шт.

5

A189155

PULLEY

- compressor drive

1шт.

6

396829R1

V-BELT,0.50" W x 44.00" L

Compressor drive 0.50" W x 44.00" L

1шт.

7

814-10130

BOLT,Hex, M10 x 1.5 x 130mm, Cl 8.8

- hex, 10 - 1.5 x 130 mm

1шт.

8

896-12010

WASHER,11mm ID x 21mm OD x 2.5mm Thk

- flat, 11 x 21 x 2.5 mm, hardened

4шт.

9

832-41310

NUT,M10 x 1.5, Cl 10

NUT - hex, self-locking, 10 mm - 1.5, class 10

1шт.

10

84715C1

BRACKET

SUPPORT - compressor mounting

1шт.

11

614-10030

BOLT,Hex, M10 x 1.5 x 30mm, Cl 8.8, Full Thd

Full Thd Hex, M10 x 30, 8.8

4шт.

12

84716C1

SUPPORT

STRAP - adjusting

1шт.

13

614-10035

BOLT,Hex, M10 x 1.5 x 35mm, Cl 8.8, Full Thd

- hex, full threads, 10 - 1.5 x 35 mm

2шт.

14

896-12010

WASHER,11mm ID x 21mm OD x 2.5mm Thk

- flat, 11 x 21 x 2.5 mm, hardened

3шт.

15

892-11010

LOCK WASHER,M10

1шт.

16

832-41310

NUT,M10 x 1.5, Cl 10

NUT - hex, self-locking, 10 mm - 1.5, class 10

1шт.

Выбрано товаров: 23