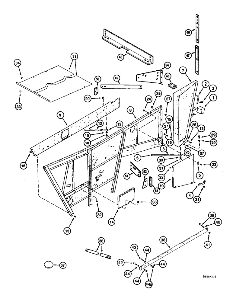
Запчасти Case IH 2188 (9H-08) - RIGHT HAND SEPARATOR DOORS, SIDE AND SUPPORTS (12) - CHASSIS

Схема запчастей Case IH 2188 - (9H-08) - RIGHT HAND SEPARATOR DOORS, SIDE AND SUPPORTS (12) - CHASSIS
35
27
46
44
23
6
20
24
8
34
6
26
30
18
11
44
12
38
32
12
37
2
29
13
40
43
42
51
41
44a
50
25
33
27
13
4
39
19
10
22
21
48
3
49
44
45
31
36
9
1
52
53
47
15
5
44
7
16
27
33
15
14
54
28
FIT
1:1
100%

Артикул

Название

Примечание

Количество

1

1989327C2

RETAINER

BLOCK - feeder pivot

1шт.

2

192533C2

ROD

- feeder pivot block

1шт.

3

1978738C1

HAIR PIN COTTER

3/16"

1шт.

4

160638C1

HANDLE

- door, separator

1шт.

5

167800C1

CLIP

- door retaining clip

4шт.

6

1308946C1

BAR

- front post diagonal, if used

1шт.

7

136762A3

SUPPORT

POST - separator, right-hand

1шт.

8

1968986C9

SIDE ASSY.

SIDE - separator, right-hand

1шт.

9

1317554C5

SUPPORT

- separator, right-hand main

1шт.

10

193261C1

DOOR

- separator, front right-hand

1шт.

11

1330089C2

PROTECTION PLATE

PLATE - engine deck

1шт.

12

186018C1

STRAP

BAR - diagonal support, separator frame

1шт.

13

426-1020

BOLT,Hex, 5/8" - 11 x 1-1/4", Gr 8

- hex, 5/8 NC x 1-1/4 inch, grade 8

20шт.

14

181085C2

DOOR

- separator

1шт.

15

232-51310

FLANGE NUT,Flg, USR, 5/8"-12

- hex serrated flange, 5/8 inch NC, grade 8

20шт.

16

495-21044

WASHER,3/8"

(flat, 7/16 x 1 x 5/64 inch) 3/8"

3шт.

17

409-7616

BOLT,Hex Flg, 3/8" - 16 x 1", Spcl

Not shown Hex Flg, 3/8"-16 x 1", Serr

1шт.

18

426-824

BOLT,Hex, 1/2" - 13 x 1-1/2", Gr 8

- hex, 1/2 NC x 1-1/2 inch, grade 8

2шт.

19

496-21053

WASHER,17/32" x 1 1/16" x .134"

- flat, 17/32 x 1-1/16 x 1/8 inch, hardened

2шт.

20

186852C1

FLANGE NUT,Hex, 1/2"-13, Lock

- hex flange, self-locking, special, 1/2 inch NC, grade 8

2шт.

21

477-73108

SERRATED SCREW,Sl Truss Hd, 5/16" - 18 x 1/2"

BOLT - serrated slotted truss head, 5/16 NC x 1/2 inch

2шт.

22

231-5145

SERRATED NUT,Flg, USR, 5/16"-18

NUT - hex serrated flange, 5/16 inch NC

7шт.

23

440-1108

SCREW,Cross Pan Hd, #10-24 x 1/2"

- machine, pan Phillips, No. 10 NC x 1/2 inch

4шт.

24

231-51409

SERRATED NUT,Flg, USR, #10-24

4шт.

25

396-41066

WASHER,16.66mm ID x 38.1mm OD x 5.05mm Thk

- flat, 21/32 x 1-1/2 x 3/16 inch, hardened

2шт.

26

169256C2

WASHER,16.28mm ID x 31.8mm OD x 3.05mm Thk

- flat, special, 41/64 x 1-1/2 x 1/8 inch

9шт.

27

426-816

BOLT,Hex, 1/2" - 13 x 1", Gr 8

- hex, 1/2 NC x 1 inch, grade 8

10шт.

28

232-5138

FLANGE NUT,Flg, USR, 1/2"-13, G8

10шт.

29

413-1028

BOLT,Hex, 5/8" - 11 x 1-3/4", Gr 5

- hex, 5/8 NC x 1-3/4 inch

2шт.

30

492-11062

BEARING WASHER,5/8"

WASHER, LOCK, 5/8"

2шт.

31

425-1010

NUT,5/8"-11, G5

2шт.

32

477-73112

SERRATED SCREW,Sl Truss Hd, 5/16" - 18 x 3/4"

- serrated slotted truss head, 5/16 NC x 3/4"

5шт.

33

231-5146

FLANGE NUT,3/8"-16

1шт.

34

477-73812

SERRATED SCREW,Truss HD, 3/8" - 16 x 3/4"

BOLT - serrated slotted truss head, 3/8 NC x 3/4 inch

1шт.

35

493-21065

LOCK WASHER,Int Tooth, 5/8"

WASHER - internal tooth lock, 5/8 inch

2шт.

36

1319395C1

CONDUIT

- convoluted, 12-1/8 inch long, cut from bulk conduit 1262114C1 below

1шт.

37

353-414

PLUG,Dome, 1.375" Hole, Nylon

1шт.

38

198572A1

STRAP

- separator support, used on rice models

1шт.

39

326-632

BOLT,Hex, 3/8" - 16 x 2", Gr 8

Used on rice models Hex, 3/8"-16 x 2", G8

1шт.

40

496-41041

WASHER,13/32" x 1 1/8" x .134"

- flat, 13/32 x 1-1/8 x 9/64 inch, hardened, Used on rice models

2шт.

41

429-106

NUT,3/8"-16, G8

- hex, 3/8 inch NC, grade 8, used on rice models

1шт.

42

326-832

BOLT,Hex, 1/2" - 13 x 2", Gr 8

Used on rice models Hex, 1/2"-13 x 2", G8

6шт.

43

426-836

BOLT,Hex, 1/2" - 13 x 2-1/4", Gr 8

- hex, 1/2 NC x 2-1/4 inch, grade 8, used on rice models

2шт.

44

496-21053

WASHER,17/32" x 1 1/16" x .134"

- flat, 17/32 x 1-1/16 x 1/8 inch, hardened, Used on rice models

16шт.

44a

429-108

NUT,1/2"-13, G8

- hex, 1/2 inch NC, grade 8, used on rice models

8шт.

1262114C1

CONDUIT

- bulk, 31 inch (787 mm) long

1шт.

45

237623A1

SUPPORT

- front post

1шт.

46

236934A1

PLATE

STRAP - separator side, upper right-hand

1шт.

47

236935A1

PLATE

STRAP - separator side, lower right-hand

1шт.

48

236509A1

SPACER

- plate

1шт.

49

236727A1

PLATE

STRAP - axle to post, right-hand

1шт.

50

236728A1

PLATE

- axle support for post side

1шт.

51

238987A1

PLATE

- post support, left-hand front

1шт.

52

239289A1

SPACER

- separator side, left-hand side

1шт.

53

239001A1

PLATE

- spacer

1шт.

54

236317A1

SUPPORT

BRACE - right-hand side to front post

1шт.

Выбрано товаров: 56