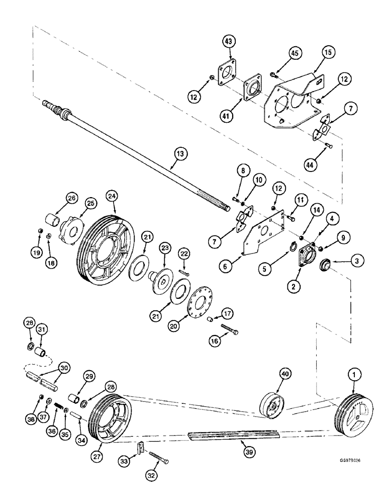
Запчасти Case IH 2188 (9A-25A) - FEEDER, JACKSHAFT DRIVE, COMBINE P.I.N. JJC0193725 AND AFTER (13) - FEEDER

Схема запчастей Case IH 2188 - (9A-25A) - FEEDER, JACKSHAFT DRIVE, COMBINE P.I.N. JJC0193725 AND AFTER (13) - FEEDER
36
4
19
34
23
12
1
15
32
6
40
14
20
45
25
24
43
28
41
35
21
13
37
29
16
21
28
39
30
5
44
3
8
18
27
12
7
9
38
12
11
17
33
7
26
10
2
22
31
FIT
1:1
100%

Артикул

Название

Примечание

Количество

241930A1

PULLEY

ASSEMBLY - feeder jackshaft, Includes: Ref. 1 - 5

1шт.

1

238967A2

PULLEY,335.5mm OD

- jackshaft

1шт.

241929A2

BEARING ASSY

BEARING ASSEMBLY - jackshaft, right-hand, Includes: Ref. 2 - 4

1шт.

2

NSS

NOT SOLD SEPARAT

HOUSING - bearing, order bearing assembly 241929A2

1шт.

3

193282C91

BEARING ASSY,50.8 mm ID x 100 mm OD x 55.5 mm

BEARING - rotor front

1шт.

4

219-40

LUBE NIPPLE,65 Degree Elbow, 1/8" - 27 NPTF

FITTING - grease, 65 degree, 1/8 PT x 7/8 inch

1шт.

5

100-11200

SNAP RING,#200, Ext

Ring, Snap, #200, Ext

1шт.

6

239239A2

SUPPORT

- Jackshaft

1шт.

7

240436A2

SUPPORT

BRACKET - jackshaft cover

2шт.

8

433-1032

CARRIAGE BOLT,Sq Nk, 5/8" - 11 x 2", Gr 5

BOLT - carriage, 5/8 NC x 2 inch

4шт.

9

231-51410

FLANGE NUT,Flg, USR, 5/8"-11

4шт.

10

498-81010

SQ HOLE WASHER,16.66mm ID x 38.1mm OD x 2.67mm Thk

- square hole, 21/32 x 1-1/2 x 3/32 inch

4шт.

11

409-7816

BOLT,Hex Flg, 1/2" - 13 x 1", Spcl

- hex serrated flange, 1/2 NC x 1 inch

2шт.

12

231-5148

FLANGE NUT,Flg, USR, 1/2"-13

9шт.

13

241931A3

SHAFT

- feeder cross

1шт.

P/N 241931A3 JACKSHAFT ASSEMBLY; NEW DESIGN HAS P/N 241931A3 SUBBING TO 253531A1 JACKSHAFT ASSEMBLY. SEE DRAWING FOR REPAIRABLE COMPONENTS LIKE RETAINING RING, BEARING, SETSCREW, ETC

1шт.

14

425-1410

JAM NUT,Jam, 5/8"-11, G5

- hex jam, 5/8 inch NC

4шт.

15

239240A2

SUPPORT

- bearing, left-hand

1шт.

16

326-656

BOLT,Hex, 3/8" - 16 x 3-1/2", Gr 8

4шт.

17

1305375C1

SPACER

- drive lug

4шт.

18

492-11038

LOCK WASHER,3/8"

4шт.

19

329-106

NUT,3/8"-16, G8

4шт.

20

185955C1

PLATE

- friction

1шт.

21

181579C1

DISC

DISC - friction

2шт.

22

Q3959

COTTER PIN,Gib, 3/8" Sq x 4 1/2"

Tapered Gib, 3/8" Sq x 4 1/2"

2шт.

23

1305154C2

HUB

- slip clutch

1шт.

24

1305297C1

PULLEY

- driven, 22-9/16 inch OD, see Figure 9A-20

1шт.

25

1305220C91

HUB ASSY.

HUB ASSEMBLY - clutch, Includes: Ref. 26

1шт.

26

610435C1

BUSHING,69.93mm ID x 82.65mm OD x 76.2mm L

- hub

1шт.

27

1305288C1

PULLEY

- drive, 16-11/16 inch OD, feeder jackshaft

1шт.

28

495-81093

WASHER,45.24mm ID x 63.5mm OD x 3.4mm Thk

- flat, 1-25/32 x 2-1/2 x 7/64 inch

1шт.

29

1305393C1

SPACER

- 2-35/64 inch long

1шт.

30

1321440C3

SHAFT

- conveyor, feeder

1шт.

31

162172C1

SPACER

- 1-13/16 x 2-1/4 x 1-15/16 inch

1шт.

32

1315319C1

BOLT,Hex, 3/8" - 16 x 6", Gr 8

- hex, special, 3/8 x 6 inch, grade 8

8шт.

33

1315316C1

SUPPORT

- spring, models with rock trap

2шт.

34

1305370C3

SPACER

- spring clutch

8шт.

35

495-81129

WASHER,13/32" x 3/4" x .120"

- flat, 13/32 x 3/4 x 7/64 inch

8шт.

36

1305692C2

SPRING

- slip clutch

8-10шт.

37

495-81143

WASHER,13/32" x 1 1/2" x .120"

16шт.

38

231-4116

NUT,3/8"-16, GB

NUT - hex, self-locking, 3/8 inch NC

8шт.

39

1308489C2

V-BELT,22.33 mm W x 3990.69 mm L

Drive, for 60 inch Feeder 22.33 mm W x 3990.69 mm L

1шт.

39

1313097C3

V-BELT,22.33 mm W x 3706.69 mm L

Drive, Models with 54-1/2 Inch Feeder 22.33 mm W x 3706.69 mm L

1шт.

40

176579C1

IDLER

- drive tightener, 8 inch OD (Replaces pulley 1319401C1)

1шт.

43

241577A1

FLANGE

- bearing, with lubricator

1шт.

41

241578A1

FLANGE

- bearing, left-hand

1шт.

43

241577A1

FLANGE

- bearing, with lubricator

1шт.

44

434-820

CARRIAGE BOLT,Sht Sq Nk, 1/2" - 13 x 1 1/4", Gr 5

BOLT - carriage, 1/2 NC x 1-1/4 inch

4шт.

45

409-7816

BOLT,Hex Flg, 1/2" - 13 x 1", Spcl

- hex serrated flange, 1/2 NC x 1 inch

3шт.

Выбрано товаров: 49