Запчасти Case IH 2188 (9D-26) - TAILINGS ELEVATOR, DRIVE (16) - GRAIN ELEVATORS & AUGERS

Схема запчастей Case IH 2188 - (9D-26) - TAILINGS ELEVATOR, DRIVE (16) - GRAIN ELEVATORS & AUGERS
4
24
1
22
8
7
28
23
3
21
32
31
24
25
13
8
20
6
12
2
30
5
6
FIT
1:1
100%

Артикул

Название

Примечание

Количество

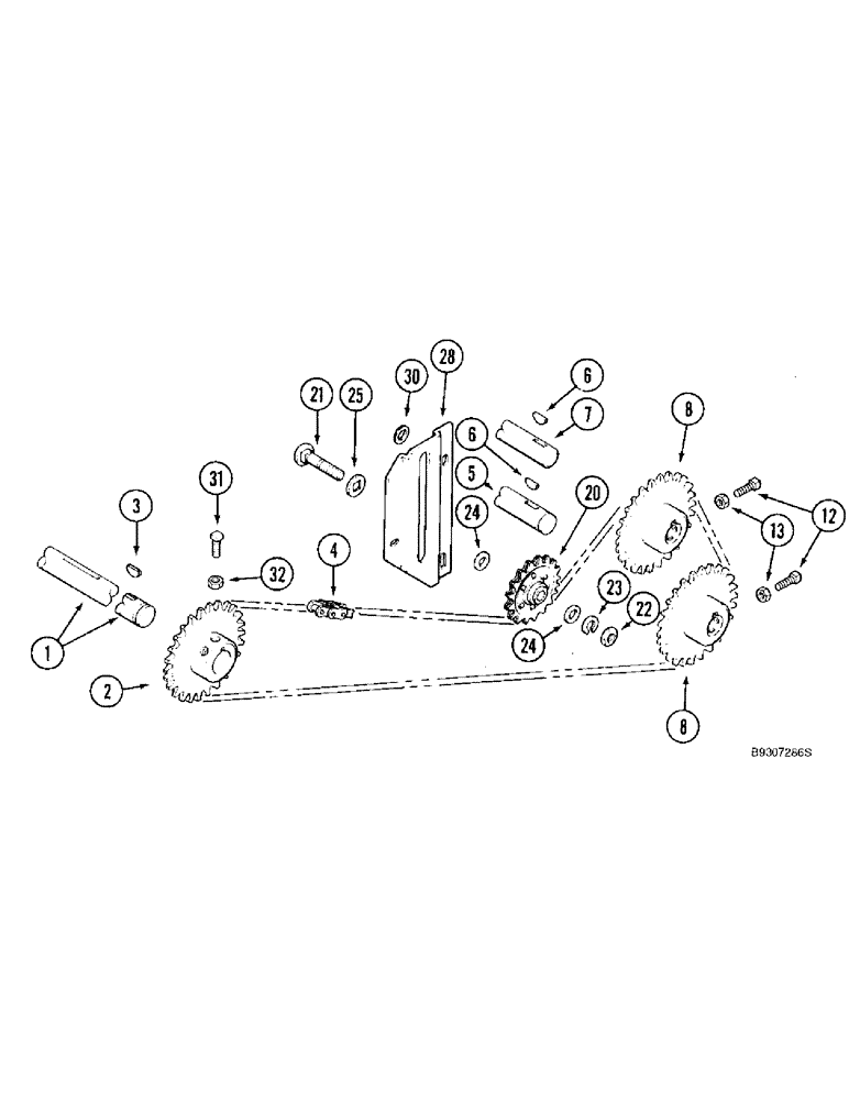
1

1319247C1

SHAFT

- drive, jackshaft

1шт.

2

192139C2

SPROCKET

- drive, 25 teeth

1шт.

3

126-125

WOODRUFF KEY,#B, 5/16" x 1", HT

1шт.

4

NSS

NOT SOLD SEPARAT

CHAIN - drive, use 153 links of 1791D bulk chain and (1) 1310D connecting link

1шт.

Drive, use 155 links not 153.

1шт.

5

192563C1

AUGER

- delivery, tailings, see Figure 9D-14

1шт.

6

126-124

WOODRUFF KEY,#15, 1/4" x 1", HT

2шт.

7

191785C1

SHAFT

- head, elevator

1шт.

8

1345472C1

SPROCKET

- chain drive, 27 teeth

2шт.

12

485-13816

SET SCREW,Sq Hd, 3/8"-16 x 1"

SCREW - set, square head, 3/8 NC x 1 inch, cup point

2шт.

13

425-146

JAM NUT,3/8" - 16, Gr 5

- hex jam, 3/8 inch NC

2шт.

20

631905R91

SPROCKET

- idler drive, 17 teeth

1шт.

21

411-1040

CARRIAGE BOLT,Sq Nk, 5/8" - 11 x 2 1/2", Gr 2

BOLT - carriage, 5/8 NC x 2-1/2 inch, grade 2

1шт.

22

425-1010

NUT,5/8"-11, G5

1шт.

23

492-11062

BEARING WASHER,5/8"

WASHER, LOCK, 5/8"

1шт.

24

495-11066

WASHER,5/8", SAE

- flat, 21/32 x 1-5/16 x 3/32 inch

4шт.

25

498-81009

SQ HOLE WASHER,41/64" x 1 1/4" x .105", Sq Hole

- square hole, 21/32 x 1-1/4 x 3/32 inch

2шт.

28

1302069C2

SUPPORT

BRACKET - support, sprocket

1шт.

30

495-81113

WASHER,0.34" ID x 0.75" OD x 0.18" Thk

- flat, 11/32 x 3/4 x 3/16 inch

3шт.

31

485-13816

SET SCREW,Sq Hd, 3/8"-16 x 1"

SCREW - set, square head, 3/8 NC x 1 inch, cup point

1шт.

32

425-146

JAM NUT,3/8" - 16, Gr 5

- hex jam, 3/8 inch NC

1шт.

Выбрано товаров: 21