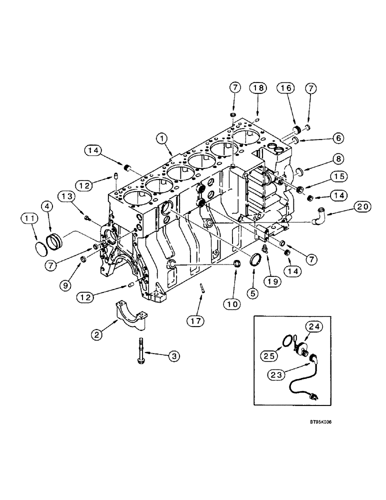
Запчасти Case IH 2188 (2-44) - CYLINDER BLOCK, 6TA-830 ENGINE, PRIOR TO COMBINE P.I.N. JJC0191483, ENGINE BLOCK HEATER (01) - ENGINE

Схема запчастей Case IH 2188 - (2-44) - CYLINDER BLOCK, 6TA-830 ENGINE, PRIOR TO COMBINE P.I.N. JJC0191483, ENGINE BLOCK HEATER (01) - ENGINE
8
16
1
17
9
5
24
4
7
15
20
23
10
14
3
18
14
14
13
12
11
2
6
19
7
7
25
12
7
FIT
1:1
100%

Артикул

Название

Примечание

Количество

1989174C2

ENGINE ASSEMBLY

ENGINE ASSY Complete, 6TA-830, includes all parts except starter, alternator, fan, fan belt, air cleaner, muffler and exhaust pipe, for service order basic engine below

1шт.

1989174C2R

REMAN-REPLACEMENT EN

1шт.

6TA-830C

CORE-REPLACEMENT ENG

Return Part Number, KNOWN POTENTIAL CORE VARIATIONS, REFER TO CORE CRITERIA FOR PROPER CORE IDENTIFICATION

1шт.

1989167C3

BASIC ENGINE

ENGINE ASSEMBLY

1шт.

basic, includes all parts except starter, alternator, fan, fan belt, air cleaner, muffler, exhaust manifold, flywheel and housing, oil fill and dipstick, fuel injection pump, injectors and lines, front pulley, belt tensioner, turbocharger and aftercooler

1шт.

199949A1R

REMAN-BASIC ENGINE

Remanufactured Basic Engine Assembly, assembly includes short block assembly, cylinder head, valve cover, front cover, oil pan, water pump, thermostat and gasket kit to transfer trim parts

1шт.

199949A1C

CORE-BASIC ENGINE

Return Part Number

1шт.

J926151

SKELETON ENGINE

BLOCK ASSEMBLY - short, new, includes stripped block, pistons, connecting rods and bearings, crankshaft and bearings, Includes: Ref. 1 - 8

1шт.

1

J929604

CRANKCASE

BLOCK ASSEMBLY - stripped engine (Replaces block assembly J926145), Includes: Ref. 2 - 8

1шт.

2

J917313

BEARING CAP

CAP - bearing, main

7шт.

3

J916369

FLANGE BOLT,Hex, M14 x 2 x 128mm, Cl 10.9

SCREW, , Main bearing cap to block Hex Flg Hd, M14 x 128

14шт.

4

J901685

BUSHING

BUSHING - camshaft

7шт.

5

A77782

PLUG

PLUG - expansion, 58 mm OD

1шт.

6

A77586

PLUG

PLUG - expansion, 28.9 mm OD

1шт.

7

A77506

PLUG

PLUG - expansion, 21 mm OD

4шт.

8

J905401

PLUG

PLUG - expansion, 35 mm OD

4шт.

A77716

BLOCK

KIT - block hardware, no longer available, order components separately, Includes: Ref. 9 - 20

1шт.

9

A77530

PLUG

PLUG - expansion, 30 mm OD

2шт.

10

J920706

PLUG

PLUG - expansion, 22 mm OD, not used in this application

1шт.

11

41-3044

PLUG,Exp, 2 3/4"

PLUG, Exp, 2 3/4"

1шт.

12

J901846

PIN,12.01mm OD x 24mm L

PIN - dowel

4шт.

13

J906619

PLUG,1/8" - 27

PLUG - hex, 1/8 inch PT

6шт.

14

A77429

PLUG

PLUG - hex socket, 1/2 inch PT

5шт.

15

A77505

PLUG

PLUG - hex socket, 3/4 inch PT

2шт.

16

A77533

PLUG

PLUG - hex socket, 1 inch PT

1шт.

17

J928031

NOZZLE,8.5mm OD x 30mm L

NOZZLE - piston cooling (Replaces nozzle J919003)

12шт.

18

J900257

PIN,10.01mm OD x 16mm L

PIN - dowel, 16 mm long

2шт.

19

217-103

COCK, DRAIN

VALVE - 1/4 inch PT

1шт.

20

J903744

PIPE FITTING,22.42 mm ID x 28 mm OD x 90.2, 64 mm L

TUBE - turbocharger oil drain, see Figure 2-26 for connecting turbocharger parts

1шт.

196804A1

KIT

KIT - engine block heater (Replaces kit A77595), Includes: Ref. 23 - 26

1шт.

23

196466A1

ELECTRIC CABLE

CABLE - engine block heater (Replaces cable J905113)

1шт.

24

NSS

NOT SOLD SEPARAT

ELEMENT - heater, 120 volt, order kit 196804A1, engine block heater

1шт.

25

J910517

O-RING

O-RING - heater sealing, engine block heater

1шт.

26

L18337

CABLE TIE,9.95"-12.1" lg

CABLE STRAP STRAP - tie, 15 inch, not shown, engine block heater

1шт.

Выбрано товаров: 34