Запчасти Case IH 2188 (3-03C) - ANEROID AND WASTEGATE SYSTEM, 6TA-830 EMISSIONS CERTIFIED ENGINE, COMBINE P.I.N. JJC0191483 AND AFT (02) - FUEL SYSTEM

Схема запчастей Case IH 2188 - (3-03C) - ANEROID AND WASTEGATE SYSTEM, 6TA-830 EMISSIONS CERTIFIED ENGINE, COMBINE P.I.N. JJC0191483 AND AFT (02) - FUEL SYSTEM
13
16
4
6
5
15
7
8
2
12
9
10
3
14
1
17
18
11
4
FIT
1:1
100%

Артикул

Название

Примечание

Количество

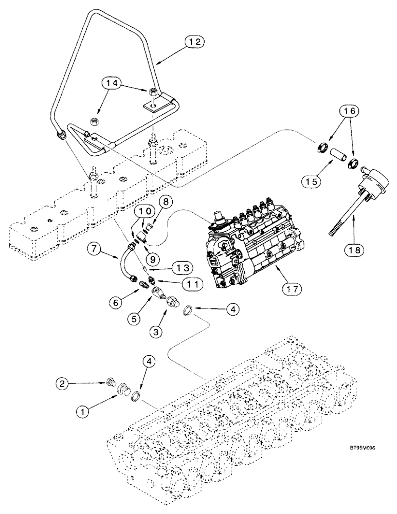
1

J908110

PLUG

- threaded

1шт.

2

J906619

PLUG,1/8" - 27

- hex, 1/8 inch PT, install in J908110 plug

1шт.

3

J921594

PLUG

- threaded orifice, cylinder, Serial Range: head-tee

1шт.

4

J902425

SEALING WASHER,22.2mm ID x 26.9mm OD x 1.75mm Thk

- sealing, plug

2шт.

5

217-1061

TEE,1/8" - 27 Female x 1/8" - 27 Male Run

- street, 1/8 inch female PT branch x female PT x PT

1шт.

6

222-21

FITTING,7/16"-24 x 1/8" NPTF

Compression, Tee to aneroid tube 7/16"-24 x 1/8" NPTF

1шт.

7

J926738

TUBE,4.76 mm OD x 110 mm L

- aneroid, nylon, flexible

1шт.

8

J903035

BANJO BOLT

BOLT - banjo hex, 12 - 1.5 x 24 mm

1шт.

9

J919644

FITTING

CONNECTOR - banjo

1шт.

10

J918191

PACKING RING

WASHER - sealing, special, 12 x 18 x 1 mm

2шт.

11

A77796

CONNECTOR, ELEC

ADAPTER - straight, 1/4 barb end x 1/8 inch PT, tee to wastegate tube

1шт.

12

J929846

TUBE,6.35 mm OD x 865.7 mm L

- wastegate

1шт.

13

222-102

SLEEVE,1/4" Tube

1шт.

14

J900589

NUT

- hex flange, special, 8 mm, wastegate tube to valve cover No. 3 and 5

2шт.

15

J920871

HOSE,1294.00 mm

- wastegate tube to actuator, 2 inch (51 mm) long

1шт.

16

214-1404

HOSE CLAMP,#04, 0.25" - 0.62", Type F Worm

CLAMP - adjustable, 1/4 - 5/8 inch diameter

2шт.

17

J926887

PUMP, FUEL INJECTION

PUMP - fuel injection, with aneroid

1шт.

18

J533135

ACTUATOR

- turbo wastegate, see Figure 2-31C (Replaces actuator J532892)

1шт.

J580830C

CORE-HYD CYLINDER

Return Number, ACTUATOR - for N.A. Only

1шт.

J533135C

CORE-HYD CYLINDER

Return Number, ACTUATOR - for N.A. Only

1шт.

Выбрано товаров: 20