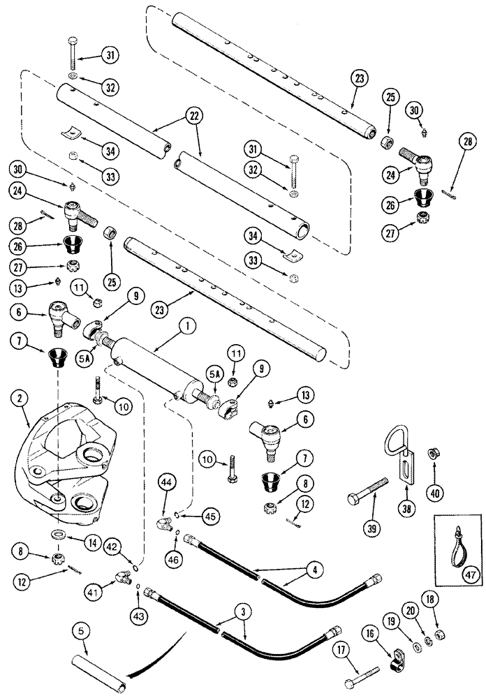
Запчасти Case IH 2344 (05-17) - STEERING CYLINDER AND TIE ROD - POWER GUIDE AXLE (04) - STEERING

Схема запчастей Case IH 2344 - (05-17) - STEERING CYLINDER AND TIE ROD - POWER GUIDE AXLE (04) - STEERING
23
28
44
10
20
5a
8
9
25
30
3
19
24
31
27
10
16
12
11
45
28
25
9
26
12
4
6
6
46
32
8
33
1
31
27
13
43
38
18
41
39
13
22
17
47
24
5
7
7
14
34
30
26
42
32
11
5a
34
40
23
2
33
FIT
1:1
100%

Артикул

Название

Примечание

Количество

1

127913C93

STEERING CYLINDER

57 ID x 229 mm strk, Steering, See Figure(s) 05-24, Serial Range: -JJC0174399

1шт.

1

1958024C1

STEERING CYLINDER

64 ID x 229 mm strk, Steering, See Figure(s) 05-24, Start Serial: JJC0174400

1шт.

87337226R

REMAN-HYD CYLINDER

2344 ( 1/98 - 1/02) Start Serial : JJCO174400 Reman For New P/N 1958024C1

1шт.

87337226C

CORE-HYD CYLINDER

Return Number

1шт.

2

REF

INSTRUCTION

Carrier, King Pin, See Figure(s) 05-20, REF 3

2шт.

3

128088A2

FLEXIBLE HOSE

1956 mm (77 in)

1шт.

With 108 to 120 Inch Power Guide Axles

1шт.

3

128091A2

FLEXIBLE HOSE

2160 mm (85 in)

1шт.

With 120 to 144 Inch Power Guide Axles

1шт.

4

128083A2

FLEXIBLE HOSE

1727 mm (68 in)

1шт.

With 108 to 120 Inch Power Guide Axles

1шт.

4

128084A2

FLEXIBLE HOSE

1960 mm (77-1/8 in)

1шт.

With 120 to 144 Inch Power Guide Axles

1шт.

5

229298A1

BOOT

1шт.

5a

A41424

SEAL

Cylinder Ball Socket

2шт.

6

186140C91

BALL JOINT

Inc. 7 - 11, Serial Range: -JJC0174449

2шт.

6

437222A1

BALL JOINT

Inc. 7 - 11, Start Serial: JJC0174450

2шт.

7

110373R1

DUST CAP

1шт.

8

425-1314

SLOTTED NUT,7/8"-14, G5

1шт.

9

446308C91

CLAMP

Inc. 10, 11

1шт.

10

413-730

BOLT,Hex, 7/16" - 14 x 1-7/8", Gr 5

7/16 x 1-7/8

1шт.

11

231-4117

LOCK NUT,7/16"-14, GB

7/16

1шт.

12

432-816

COTTER PIN,1/8" x 1"

2шт.

13

219-1

LUBE NIPPLE,1/8" - 27 NPTF

2шт.

14

496-11094

WASHER,0.94" ID x 1.75" OD x 0.13" Thk

15/16 x 1-3/4 x 1/8

1шт.

16

515-25476

CLAMP,1 7/8", Insul, 1/2" Bolt

1шт.

17

413-572

BOLT,Hex, 5/16" - 18 x 4-1/2", Gr 5

5/16 x 4-1/2

1шт.

18

425-105

NUT,5/16"-18, G5

1шт.

19

495-81116

WASHER,8.74mm ID x 25.4mm OD x 1.7mm Thk

11/32 x 1 x 3/64

1шт.

20

492-11031

LOCK WASHER,5/16"

1шт.

22

1970102C1

TUBE

Tie Rod, Outer

1шт.

23

1970103C1

TUBE,1.062" ID, 1.625" OD, 33" Length

Tie Rod, Inner

2шт.

24

1968998C1

BALL JOINT

2шт.

25

1970391C1

JAM NUT

1-1/8 NF

2шт.

26

110373R1

DUST CAP

2шт.

27

425-1314

SLOTTED NUT,7/8"-14, G5

2шт.

28

432-816

COTTER PIN,1/8" x 1"

2шт.

30

219-1

LUBE NIPPLE,1/8" - 27 NPTF

2шт.

31

326-856

BOLT,Hex, 1/2" - 13 x 3-1/2", Gr 8

4шт.

32

1970104C1

SPACER

4шт.

33

232-4118

NUT,1/2"-13, GC

4шт.

34

1970101C1

CLAMP

4шт.

38

1970383C1

GUIDE

2-4шт.

39

413-1280

BOLT,Hex, 3/4" - 10 x 5", Gr 5

4шт.

40

232-51312

FLANGE NUT,Flg, USR, 3/4"-10

4шт.

41

201-304

ELBOW,90 Degree Elbow, 11/16" - 16 Male ORFS x 9/16" - 18 Male ORB

Inc. 42, 43

1шт.

43

238-6012

O-RING,0.07" Thk x 0.364" ID, -12, Cl 6, 90 Duro

1шт.

44

201-332

ELBOW,90 Degree Elbow, 13/16" - 16 Male ORFS x 9/16" - 18 Male ORB

Incl 45, 46

1шт.

46

238-6014

O-RING,0.07" Thk x 0.489" ID, -14, Cl 6, 90 Duro

1шт.

47

306132C1

CABLE TIE,14.5" L

CABLE STRAP 14 in

1шт.

42

237-6006

O-RING,0.078" Thk x 0.468" ID, -906, Cl 6, 90 Duro

1шт.

45

237-6006

O-RING,0.078" Thk x 0.468" ID, -906, Cl 6, 90 Duro

1шт.

Выбрано товаров: 52