Запчасти Case IH 2344 (04-05) - HARNESS, ENGINE (06) - ELECTRICAL

Схема запчастей Case IH 2344 - (04-05) - HARNESS, ENGINE (06) - ELECTRICAL
12
14
20
13
2
10
12
9
1
23
5a
13
21
15
19
1
1
1
17
6
11
3
5
4
22
18
7
16
8
FIT
1:1
100%

Артикул

Название

Примечание

Количество

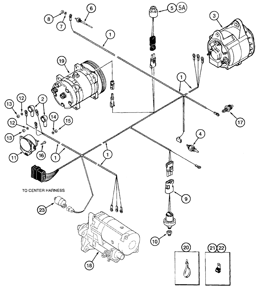
1

241937A3

HARNESS

Engine, Inc. 2

1шт.

2

399470R1

BOOT

2шт.

3

125849A1

ALTERNATOR,12V, 135A, W/ Pulley

135 amp, See Figure(s) 04-40

1шт.

3

125849A1R

REMAN-ALTERNATOR

Remanufactured Alternator, 12 volt 135 ampere

1шт.

3

125849A1C

CORE-ALTERNATOR

Return Part Number

1шт.

3

125849A1GV

ALTERNATOR

Value, 12 volt 135 ampere

1шт.

4

1345488C3

TEMPERATURE SWITCH

Coolant Temperature

1шт.

5

232948A1

SWITCH, A/C HIGH PRE

, Serial Range: -JJC0174359

1шт.

5a

369798A2

SWITCH

High Pressure, Air Conditioning, Start Serial: JJC0174360

1шт.

6

279476A1

SENSOR

Coolant Level

1шт.

7

492-11010

LOCK WASHER,#10

1шт.

8

225-14210

NUT,#10-32

1шт.

9

1964960C1

PRESSURE SWITCH

Engine Oil Pressure

1шт.

10

217-9

ADAPTER,1/8"-27 Fem NPTF x 1/8"-27 NPTF Male

1шт.

11

178149A1

SOLENOID SWITCH

See Figure(s) 04-01, Serial Range: -JJC0174399

1шт.

12

492-11031

LOCK WASHER,5/16"

2шт.

13

425-105

NUT,5/16"-18, G5

2шт.

14

492-11010

LOCK WASHER,#10

1шт.

15

225-14210

NUT,#10-32

1шт.

16

276-1458

SELF-TAP SCREW,Hex Hd, #10 x 1/2"

2шт.

17

121756C2

SENSOR

Coolant Temperature

1шт.

18

193432A1

STARTING MOTOR

See Figure(s) 04-41

1шт.

18

193432A2GV

STARTER MOTOR,12V, 4.8kW

Value, 12V, 4KW

1шт.

18

193432A2R

REMAN-STARTER,12V, 4.8kW

Remanufactured Starter 12 volt, 4.0 KW

1шт.

18

193432A2C

CORE-STARTER,12V, 4.8kW

Return Part Number

1шт.

19

1999755C2

COMPRESSOR

See Figure(s) 09G-25

1шт.

19

86993462R

REMAN-COMPRESSOR

2344 (1/98-1/02); Reman For New P/N 1999755C2

1шт.

19

86993462C

CORE-COMPRESSOR

Return Part Number

1шт.

19

48017123R

REMAN-A/C COMP KIT

Reman AC Compressor Kit

1шт.

19

48017123C

REMAN-A/C COMP KIT

Return Part Number

1шт.

19

1999755C3R

REMAN-A/C COMPRESSOR

Inc.- 8 Mounting Holes, 2 Groove Pulley, For Use w/ HFC134A Refrigerant

1шт.

19

1999755C3C

CORE-COMPRESSOR

Return Part Number

1шт.

20

22-824

CABLE TIE,3/16" x 7 1/4"

CABLE STRAP

1шт.

21

515-30222

CLAMP,7/8", 1/2" Bolt

4шт.

22

1345263C1

CLIP

3/4 ID

1шт.

23

279492A1

RESTRICTION SWITCH

Air Restriction

1шт.

Выбрано товаров: 36