Запчасти Case IH 2344 (04-38) - ALTERNATOR - MOUNTING (06) - ELECTRICAL

Схема запчастей Case IH 2344 - (04-38) - ALTERNATOR - MOUNTING (06) - ELECTRICAL
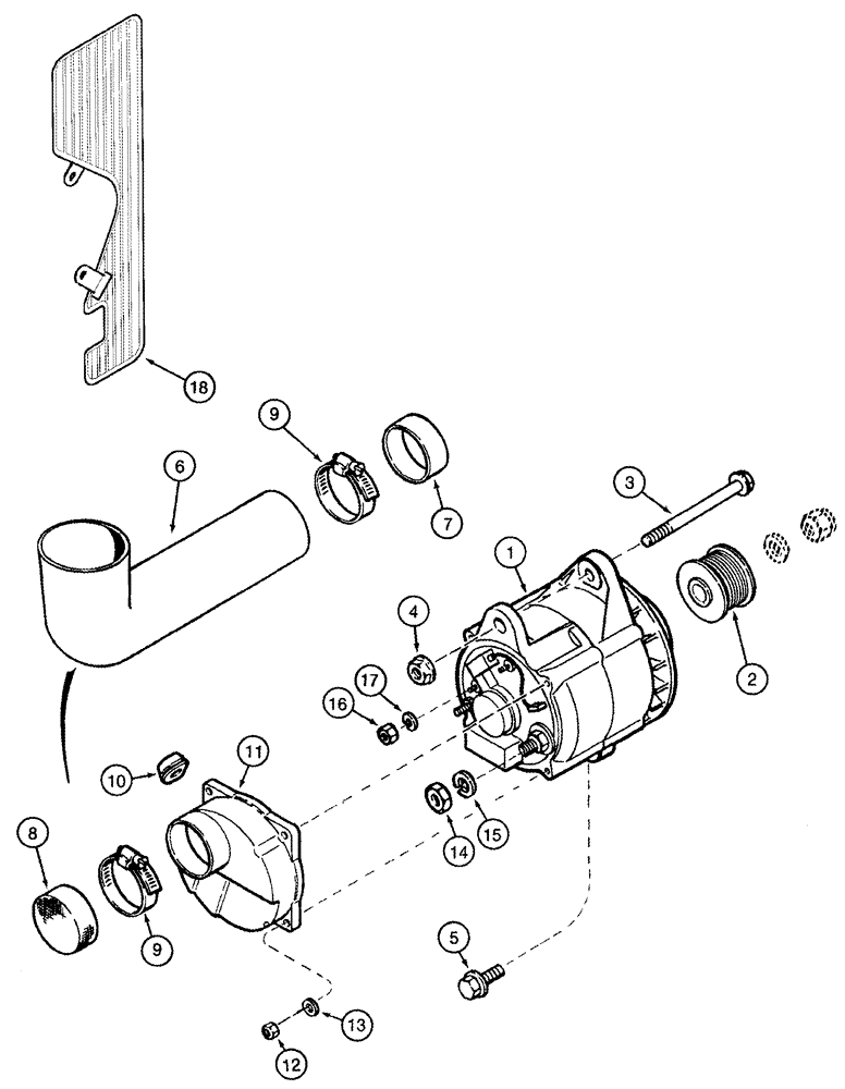
15
8
7
11
9
4
10
12
17
3
2
13
14
6
16
1
9
5
18
FIT
1:1
100%

Артикул

Название

Примечание

Количество

1

125849A1

ALTERNATOR,12V, 135A, W/ Pulley

135 amp, See Figure(s) 04-40

1шт.

1

125849A1R

REMAN-ALTERNATOR

Remanufactured Alternator, 12 volt 135 ampere

1шт.

1

125849A1C

CORE-ALTERNATOR

Return Part Number

1шт.

1

125849A1GV

ALTERNATOR

Value, 12 volt 135 ampere

1шт.

2

A189616

PULLEY

1шт.

3

J903105

FLANGE BOLT,Hex, M12 x 1.75 x 150mm, Cl 8.8

12 x 150

1шт.

4

829-2312

FLANGE NUT,M12 x 1.75, Flg, Cl 10

1шт.

5

360-820

BOLT,Hex, 1/2" - 13 x 1 1/4", Gr 8

1/2 x 1-1/4; 8

1шт.

6

143953A1

ELBOW

Degree 90

1шт.

7

179418A1

TUBE,53.975 mm OD

1шт.

8

1979627C1

COVER

1шт.

9

214-1532

HOSE CLAMP,#32, 1.56" - 2.5", Type F Worm, W/ Liner

2шт.

10

1964826C1

GROMMET

1шт.

11

1338890C1

COVER

1шт.

12

825-1405

NUT,M5, Cl 8

8шт.

13

495-31025

WASHER,3/16"

1/4 x 9/16 x 3/64

4шт.

14

425-147

JAM NUT,Jam, 7/16"-14, G5

7/16

1шт.

15

492-11044

LOCK WASHER,7/16"

1шт.

16

825-1404

NUT,M4, Cl 8

1шт.

17

892-11004

LOCK WASHER,M4

1шт.

18

244136A1

SCREEN

Australia Only

1шт.

Выбрано товаров: 21