Запчасти Case IH 2344 (04-43) - MOTOR ASSY - WIPER, WINDSHIELD (06) - ELECTRICAL

Схема запчастей Case IH 2344 - (04-43) - MOTOR ASSY - WIPER, WINDSHIELD (06) - ELECTRICAL
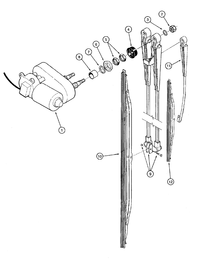
10
7
2
8
6
4
11
5
9
12
3
1
FIT
1:1
100%

Артикул

Название

Примечание

Количество

137838A1

WIPER MOTOR

MOTOR, WIPER Windshield Wiper, Double Blade, Inc. 1 - 7

1шт.

1

NSS

NOT SOLD SEPARAT

Motor

1шт.

138013A1

REPAIR KIT

Inc. 2 - 7

1шт.

2

829-1408

NUT,Hex, M8 x 1.25, Cl 10.9

2шт.

3

893-11008

LOCK WASHER,Ext Tooth, M8

2шт.

4

NSS

NOT SOLD SEPARAT

Cover

2шт.

5

NSS

NOT SOLD SEPARAT

Nut

4шт.

6

NSS

NOT SOLD SEPARAT

Retainer

2шт.

7

NSS

NOT SOLD SEPARAT

Seal

2шт.

8

123936A1

SPACER

2шт.

352976A1

WIPER BLADE

Inc. 9 - 12

1шт.

9

123150A1

WIPER ARM

ARM, WIPER 1000 mm

1шт.

10

123151A1

WIPER BLADE

1000 mm (39-3/8 in)

1шт.

11

231284A1

WIPER ARM

ARM, WIPER 176 mm lg

1шт.

12

231283A1

WIPER BLADE

330 mm lg

1шт.

Выбрано товаров: 15