Запчасти Case IH 2344 (08-05) - OIL COOLER SYSTEM (07) - HYDRAULICS

Схема запчастей Case IH 2344 - (08-05) - OIL COOLER SYSTEM (07) - HYDRAULICS
16
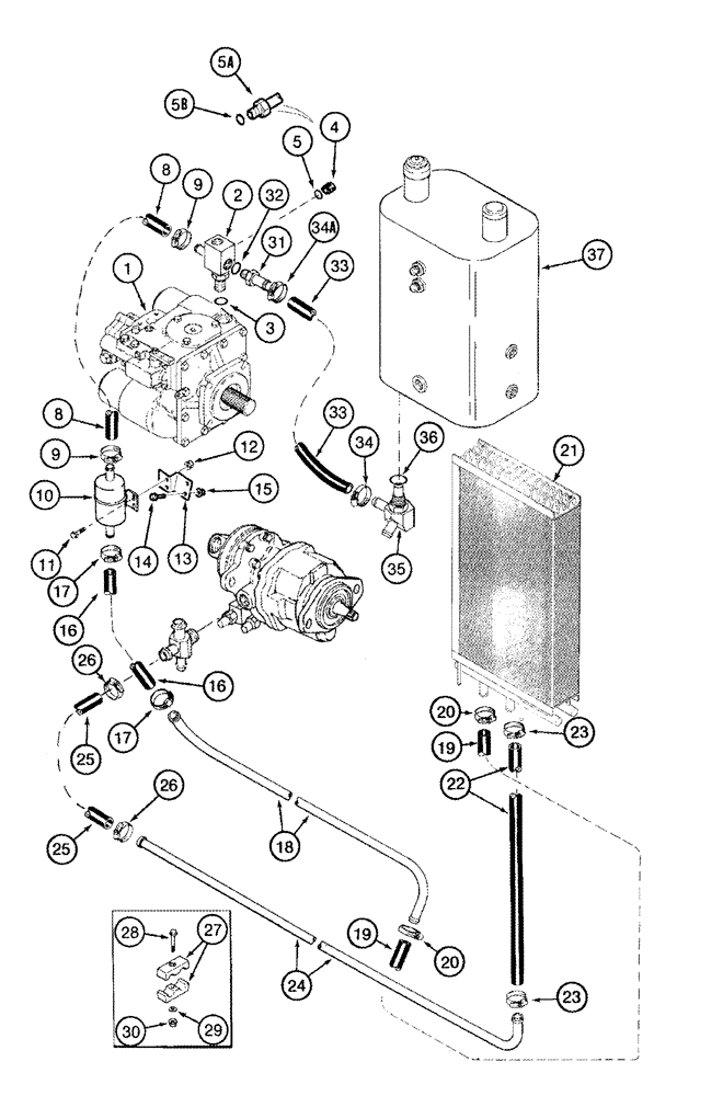
8
30
34
26
26
1
33
29
5b
25
12
5a
27
17
14
37
19
15
11
28
10
31
34a
4
23
5
33
13
21
22
3
24
25
17
32
20
9
16
18
20
9
36
23
8
2
19
FIT
1:1
100%

Артикул

Название

Примечание

Количество

1

REF

INSTRUCTION

Pump Assy, Hydrostatic, See Figure(s) 06-07 - 06-10

1шт.

2

123521A2

TEE

Inc. 3

1шт.

3

237-6012

O-RING,0.116" Thk x 0.924" ID, -912, Cl 6, 90 Duro

1шт.

4

76349

PLUG,9/16" - 18 ORB

Incl. 5

1шт.

Used without Power Guide Axle

1шт.

5a

217-397

FITTING,1/2" Hose Barb x 9/16" - 18 Male ORB

Incl 5B

1шт.

With Power Guide Axle

1шт.

6

177678A1

TEMPERATURE SWITCH

Inc. 7, Oil Temperature, Not Illustrated, See Figure(s) 04-03, REF 22

1шт.

7

237-6008

O-RING,0.087" Thk x 0.644" ID, -908, Cl 6, 90 Duro

Not Illustrated, See Figure(s) 04-03, Ref 22A

1шт.

8

1979762C2

HOSE

610 mm (24-1/8 in), Pump to Filter, Cut From 364361C1

1шт.

9

214-1516

HOSE CLAMP,#16, 0.81" - 1.5", Type F Worm, W/ Liner

2шт.

10

123488A1

FILTER SCREEN

In-Line

1шт.

11

409-7616

BOLT,Hex Flg, 3/8" - 16 x 1", Spcl

2шт.

12

231-5146

FLANGE NUT,3/8"-16

2шт.

13

238516A1

SUPPORT

1шт.

14

409-7616

BOLT,Hex Flg, 3/8" - 16 x 1", Spcl

2шт.

15

231-5146

FLANGE NUT,3/8"-16

2шт.

16

127985A1

HYDRAULIC HOSE,25.40 mm ID x 585.00 mm

Filter to Tube, Cut from 1541952C1

1шт.

17

214-3228

HOSE CLAMP,1" - 1-7/8", HD Worm, W/ Liner

2шт.

18

126850A1

TUBE,1832, 127 mm Length

Oil Cooler Supply

1шт.

19

121298A1

HYDRAULIC HOSE,25.40 mm ID x 890.00 mm, SAE 16

Tube to Cooler, Cut from 364361C1

1шт.

20

214-1516

HOSE CLAMP,#16, 0.81" - 1.5", Type F Worm, W/ Liner

2шт.

21

195441A3

COOLER

Combination, Fuel and Oil, For Mounting, See Figure(s) 08-06

1шт.

22

121298A1

HYDRAULIC HOSE,25.40 mm ID x 890.00 mm, SAE 16

Cooler to Tube, Cut from 364361C1

1шт.

23

214-1516

HOSE CLAMP,#16, 0.81" - 1.5", Type F Worm, W/ Liner

2шт.

24

126851A1

TUBE,1832, 284 mm Length

Cooler Return

1шт.

25

128080A1

HYDRAULIC HOSE,25.40 mm ID x 760.00 mm

Cut from 1541952C1

1шт.

26

214-3228

HOSE CLAMP,1" - 1-7/8", HD Worm, W/ Liner

2шт.

27

1347071C1

CLAMP

1 OD

2шт.

28

413-540

BOLT,Hex, 5/16" - 18 x 2-1/2", Gr 5

2шт.

29

495-21038

WASHER,5/16"

(flat, 3/8 x 7/8 x 3/32")

2шт.

30

231-5145

SERRATED NUT,Flg, USR, 5/16"-18

2шт.

31

123487A1

VALVE

40 psi, Inc. 32

1шт.

32

237-6014

O-RING,0.116" Thk x 1.048" ID, -914, Cl 6, 90 Duro

1шт.

33

1347315C3

HYDRAULIC HOSE,1.00" ID x 26.00"

Cut from 3 x 364361C1

1шт.

34

214-3228

HOSE CLAMP,1" - 1-7/8", HD Worm, W/ Liner

1шт.

34a

214-1516

HOSE CLAMP,#16, 0.81" - 1.5", Type F Worm, W/ Liner

1шт.

35

182812A1

TEE

Inc. 36

1шт.

36

237-6020

O-RING,0.118" Thk x 1.475" ID, -920, Cl 6, 90 Duro

1шт.

37

123413A3

TANK, HYDRAULIC OIL

Hydraulic Oil, See Figure(s) 08-01, 08-02

1шт.

5

237-6006

O-RING,0.078" Thk x 0.468" ID, -906, Cl 6, 90 Duro

1шт.

5b

237-6006

O-RING,0.078" Thk x 0.468" ID, -906, Cl 6, 90 Duro

1шт.

Выбрано товаров: 0