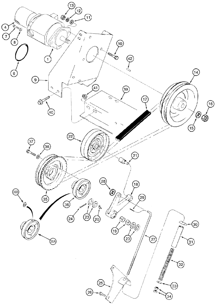
Запчасти Case IH 2344 (08-09) - PUMP, AUXILIARY - MOUNTING AND DRIVE (07) - HYDRAULICS

Схема запчастей Case IH 2344 - (08-09) - PUMP, AUXILIARY - MOUNTING AND DRIVE (07) - HYDRAULICS
14
33
23
8
31
36b
24
28
30
11
23
35
36a
40
4
7
34
13
9
21
36
39
17
25
12
26
19
32
10
22
41
27
6
18
38
37
19
42
20
29
15
1
FIT
1:1
100%

Артикул

Название

Примечание

Количество

123266A2

PUMP, HYDRAULIC

Inc. 1 - 8, Auxiliary

1шт.

1

187702A1

PUMP, HYDRAULIC

Inc. 2, 3, Piston Type, Front

1шт.

87338787R

REMAN-HYD PUMP

2344 (1/98-1/02), Reman for New P/N 187702A1

1шт.

87338787C

CORE-HYDRAULIC PUMP

Return Number

1шт.

2

187731A1

SEAL KIT

Seal Repair, Piston Pump, Not Illustrated

1шт.

3

187732A1

EQUALIZER

Compensator, Piston Pump, Not Illustrated

1шт.

4

233428A1

PUMP, HYDRAULIC,25.2 CC

Inc. 5, Gear Type, Rear

1шт.

5

233429A1

SEAL KIT

Not Illustrated

1шт.

6

238-6042

O-RING,0.07" Thk x 3.239" ID, -42, Cl 6, 90 Duro

Used between pumps

1шт.

7

413-620

BOLT,Hex, 3/8" - 16 x 1-1/4", Gr 5

2шт.

8

495-51041

WASHER,3/8"

13/32 x 47/64 x 1/16

2шт.

9

112452A1

SUPPORT

Auxiliary Pump

1шт.

10

413-824

BOLT,Hex, 1/2" - 13 x 1-1/2", Gr 5

2шт.

11

495-81287

WASHER,13.49mm ID x 31.75mm OD x 3.4mm Thk

17/32 x 1-1/4 x 7/64

2шт.

12

80679

LOCK WASHER,1/20.507 CST ZND

2шт.

13

425-108

NUT,1/2" - 13, Gr 5

2шт.

14

123804A1

PULLEY

Drive, Auxiliary Pump

1шт.

15

496-31081

WASHER,13/16" x 1 1/2" x .219", HDN

13/16 x 1-1/2 x 7/32

1шт.

16

231-46112

LOCK NUT,3/4"-16, GB

3/4 NF

1шт.

17

1541700C1

V-BELT,2490.62 mm L

Drive, Auxiliary Pump

1шт.

18

1330517C1

LEVER

Inc. 19, Auxiliary Pump Drive

1шт.

19

188068C1

BUSHING,25.4mm ID x 28.57mm OD x 19.05mm L

2шт.

20

219-90

LUBE NIPPLE,45 Degree Elbow, 1/4" -28 NPTF

1/4 tpr x 13/16

1шт.

21

274844R91

BEARING ASSY,30mm OD x 73.66mm L

Idler Pulley

1шт.

22

192865C1

PULLEY

8 in OD, Idler

1шт.

23

495-81073

WASHER,1-1/32" x 1-3/4" x .060" Thk

1-1/32 x 1-3/4 x 1/16

1шт.

24

432-1624

COTTER PIN,1/4" x 1 1/2"

1шт.

25

194729C2

SUPPORT

Pump Drive

1шт.

26

413-828

BOLT,Hex, 1/2" - 13 x 1-3/4", Gr 5

2шт.

27

191823C2

ROD

Auxiliary Drive Jackshaft

1шт.

28

495-11053

WASHER,1/2", SAE

(17/32" x 1-1/16" x 3/32")

1шт.

29

432-1216

COTTER PIN,3/16" x 1"

1шт.

30

194652C1

PIVOT

1шт.

31

1989254C1

SPACER

165 mm (6-1/2 in)

1шт.

32

V368

SPRING

1шт.

33

495-81287

WASHER,13.49mm ID x 31.75mm OD x 3.4mm Thk

17/32 x 1-1/4 x 7/64

1шт.

34

425-108

NUT,1/2" - 13, Gr 5

2шт.

35

1330488C1

PULLEY

8,85 OD, Drive, Auxiliary Pump

1шт.

36

196482C2

HUB

No Longer Used, Order 196482C3

1шт.

36a

196482C3

HUB

Grease Fitting Access Hole

1шт.

36b

219-87

LUBE NIPPLE,1/4" - 28 NPTF

1шт.

37

426-840

BOLT,Hex, 1/2" - 13 x 2-1/2", Gr 8

3шт.

38

495-11053

WASHER,1/2", SAE

(17/32" x 1-1/16" x 3/32")

3шт.

39

112454A3

SUPPORT

Jackshaft and Auxiliary Pump, For Mounting, See Figure(s) 09A-04, REF 1

1шт.

40

360-820

BOLT,Hex, 1/2" - 13 x 1 1/4", Gr 8

1/2 x 1-1/4; 8

4шт.

41

232-5138

FLANGE NUT,Flg, USR, 1/2"-13, G8

4шт.

42

194022A1

KEY

Pump Shaft

1шт.

Выбрано товаров: 47