Запчасти Case IH 2344 (08-27) - HYDRAULICS - UNLOADER CLUTCH - JJC0174399 (07) - HYDRAULICS

Схема запчастей Case IH 2344 - (08-27) - HYDRAULICS - UNLOADER CLUTCH - JJC0174399 (07) - HYDRAULICS
29
36
15
30
28
10
26
33
12
37
4
27
34
6
22
24
36
9
23
25
35
21
13
16
40
38
20
32
32
3
14
5
7
2
10
14
41
31
18
17
39
19
11
18
1
FIT
1:1
100%

Артикул

Название

Примечание

Количество

1

REF

INSTRUCTION

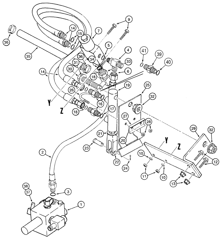
Valve, Pressure, Includes : 1A, 1B, Pressure Regulator, See Page (s) : 08-63

1шт.

1a

REF

INSTRUCTION

Valve, Pressure, Includes : 1B, Pressure Reducing, Not Illustrated, See Page (s) : 8-63

1шт.

1b

190709A1

SEAL KIT

Package , Seals Valve Cartridge, Not Illustrated

1шт.

2

128068A2

FLEXIBLE HOSE

Hose 760 mm (30 in), Includes : 3, Unloader Clutch Valve Supply

1шт.

4

201-406

TEE,11/16"-16 x 9/16"-18 Run, ORFS

Incl 5, 6

1шт.

6

238-6012

O-RING,0.07" Thk x 0.364" ID, -12, Cl 6, 90 Duro

2шт.

7

131152A1

CONTROL VALVE

Valve , Solenoid Unloader Clutch, See Page (s) : 8-87

1шт.

9

413-432

BOLT,Hex, 1/4" - 20 x 2", Gr 5

2шт.

10

495-81113

WASHER,0.34" ID x 0.75" OD x 0.18" Thk

Washer 11/32 x 3/4 x 3/16

2шт.

11

231-5144

SERRATED NUT,Flg, USR, 1/4"-20

2шт.

12

409-7620

BOLT,Hex Flg, 3/8" - 16 x 1 1/4", Spcl

2шт.

13

231-5146

FLANGE NUT,3/8"-16

2шт.

14

128068A2

FLEXIBLE HOSE

Hose 760 mm (30 in), Includes : 15, At Unloader Clutch Cylinder

2шт.

16

201-101

HYD CONNECTOR,11/16" - 16 Male ORFS x 9/16" - 18 Male ORB

36893, Incl 17, 18

1-2шт.

18

238-6012

O-RING,0.07" Thk x 0.364" ID, -12, Cl 6, 90 Duro

1шт.

19

112397A2

CYLINDER

Cylinder Assy Includes : 19A, Unloader Clutch

1шт.

19a

188294A1

SEAL KIT

Package , Seals Not Illustrated

1шт.

20

425-118

NUT,1/2"-20, G5

1шт.

21

189153A1

WASHER

Washer

1шт.

22

213-128

ADJUSTABLE CLEVIS,1/2"-20 x 3"

1шт.

23

427-8136

CLEVIS PIN,1/2" x 1.360"

Pin 1/2 x 1-3/8

1шт.

24

432-820

COTTER PIN,1/8" x 1 1/4"

1шт.

25

175611A2

HOLDER

Retainer

1шт.

26

188528A1

U-BOLT,1/4" - 20 x 34.80mm W x 44mm L, Gr 5

BOLT "U" Bolt , U

1шт.

27

176023A2

SUPPORT

Bracket

1шт.

28

425-104

NUT,1/4"-20, Cl 5

2шт.

29

193708A1

SUPPORT

Bracket Unloader Valve and Cylinder Support

1шт.

30

413-1048

BOLT,Hex, 5/8" - 11 x 3", Gr 5

1шт.

31

495-11066

WASHER,5/8", SAE

Washer 21/32 x 1-5/16 x 3/32

1шт.

32

231-51410

FLANGE NUT,Flg, USR, 5/8"-11

2шт.

33

113896A1

TEE

Tee Includes : 34 Valve Return Hose

1шт.

35

128073A1

HYDRAULIC HOSE,9.52 mm ID x 880.00 mm

Cut from S118400X, Valve Return to Tee

1шт.

36

214-1706

HOSE CLAMP,#06, 0.44" - 0.78", Type M Worm

2шт.

37

113896A1

TEE

Tee Inc. 38, At Pressure Regulator Valve

1шт.

39

327679A1

CHECK VALVE

Valve , Check Inline, To Slow Unloader Engagement, Includes : 40, 41

1шт.

40

237-6008

O-RING,0.087" Thk x 0.644" ID, -908, Cl 6, 90 Duro

1шт.

41

238-6012

O-RING,0.07" Thk x 0.364" ID, -12, Cl 6, 90 Duro

1шт.

3

237-6006

O-RING,0.078" Thk x 0.468" ID, -906, Cl 6, 90 Duro

1шт.

5

237-6006

O-RING,0.078" Thk x 0.468" ID, -906, Cl 6, 90 Duro

1шт.

15

237-6006

O-RING,0.078" Thk x 0.468" ID, -906, Cl 6, 90 Duro

1шт.

17

237-6006

O-RING,0.078" Thk x 0.468" ID, -906, Cl 6, 90 Duro

1шт.

34

237-6006

O-RING,0.078" Thk x 0.468" ID, -906, Cl 6, 90 Duro

1шт.

38

237-6006

O-RING,0.078" Thk x 0.468" ID, -906, Cl 6, 90 Duro

1шт.

Выбрано товаров: 43