Запчасти Case IH 2344 (08-33) - ACCUMULATOR - MOUNTING AND SYSTEM - ASN JJC0174360 (07) - HYDRAULICS

Схема запчастей Case IH 2344 - (08-33) - ACCUMULATOR - MOUNTING AND SYSTEM - ASN JJC0174360 (07) - HYDRAULICS
6
3
22
9
13
11
5
17
15
12
4
14
2
16
18
21
10
7
20
8
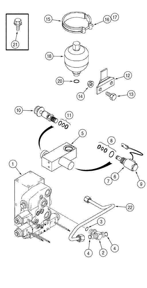
1
4
FIT
1:1
100%

Артикул

Название

Примечание

Количество

1

124565A3

VALVE, CONTROL

Header Lift, See Figure(s) 08-32 - 08-34

1шт.

2

201-403

TEE,1"-14 x 7/8"-14 Br, ORFS

Includes Ref. 3, 4, For Attaching Parts, See Figure(s) 08-33

1шт.

3

237-6010

O-RING,0.097" Thk x 0.755" ID, -910, Cl 6, 90 Duro

1шт.

4

238-6016

O-RING,0.07" Thk x 0.614" ID, -16, Cl 6, 90 Duro

2шт.

368154A1

CONTROL VALVE

Inc. 5 - 11, Accumulator, Solenoid Operated

1шт.

5

NSS

NOT SOLD SEPARAT

Body

1шт.

6

377447A1

VALVE

Inc. 7, 8, Cartridge

1шт.

7

NSS

NOT SOLD SEPARAT

Valve, Solenoid

1шт.

8

377450A1

SEAL KIT

Seal, Inc. (2) O-Rings and (2) Backup Ring

1шт.

9

377448A1

COIL

12V

1шт.

10

377449A1

VALVE

Needle, Adjustable, Inc.11

1шт.

11

377451A1

SEAL KIT

Seal, Inc. (2) O-Rings and (1) Backup Ring

1шт.

12

368156A2

SUPPORT

1шт.

13

413-516

BOLT,Hex, 5/16" - 18 x 1", Gr 5

2шт.

14

231-5145

SERRATED NUT,Flg, USR, 5/16"-18

2шт.

15

368157A1

CLAMP,134mm

Inc. 16, 17

1шт.

16

864-8070

HEX SOC SCREW,M8 x 70mm, Cl 8.8

M8 x 70

1шт.

17

829-1408

NUT,Hex, M8 x 1.25, Cl 10.9

1шт.

377446A1

ACCUMULATOR

Inc. 18 - 20

1шт.

18

NSS

NOT SOLD SEPARAT

Body

1шт.

19

377452A1

KIT

Accumulator Charging, Not Illustrated

1шт.

20

237-6016

O-RING,0.116" Thk x 1.171" ID, -916, Cl 6, 90 Duro

1шт.

21

409-7512

BOLT,Hex Flg, 5/16" - 18 x 3/4", Spcl

2шт.

22

368155A2

TUBE

Accumulator Valve to Header Lift Valve

1шт.

Выбрано товаров: 24