Запчасти Case IH 2344 (09G-19) - HEATER - AIR CONDITIONING - ASN JJC0174360 (10) - CAB & AIR CONDITIONING

Схема запчастей Case IH 2344 - (09G-19) - HEATER - AIR CONDITIONING - ASN JJC0174360 (10) - CAB & AIR CONDITIONING
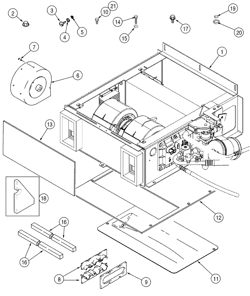
12
6
4
2
5
15
18
11
16
20
3
13
8
1
10
16
14
7
9
21
19
17
FIT
1:1
100%

Артикул

Название

Примечание

Количество

1

366852A2

UNIT HEATER

Air Conditioning, See Figure(s) 09G-20 (01), Serial Range: JJC0174360-JJC0174449

1шт.

1

431088A1

UNIT HEATER

Air Conditioning, See Figure(s) 09G-20 (02), Start Serial: JJC0174450

1шт.

2

825-5148

SERRATED NUT,M8, Flg Ser

6шт.

3

117067A1

SELF-TAP SCREW,Pan Hd, #10-24 x 3/4"

3шт.

4

492-11010

LOCK WASHER,#10

3шт.

5

231-51409

SERRATED NUT,Flg, USR, #10-24

3шт.

6

175435A3

BLOWER

1шт.

7

840-1516

SCREW,Pan, M5 x 16mm, Cl 4.8

5шт.

8

125264A2

CLAMP

2шт.

9

125000A2

GASKET

1шт.

10

191216A1

SELF-TAP SCREW,Hex Wash Hd, #10-24 x 5/8"

6шт.

11

121595A2

PAN

1шт.

12

279438A1

INSULATOR

Center Floor

1шт.

13

279305A2

INSULATOR

Rear Wall

1шт.

14

276-13520

SELF-TAP SCREW,Hex Hd, #10 x 1 1/4"

4шт.

15

492-11010

LOCK WASHER,#10

4шт.

16

192269A1

FOAM INSULATION,25mm W x 500mm L x 19mm Thk

500 mm (19-5/8 in), Cut From 1971350C1

2шт.

17

458-512

BOLT,Hex, 5/16" - 18 x 3/4", Gr 5

4шт.

18

297573A1

INSULATOR

1шт.

20

493-11039

LOCK WASHER,3/8", Int-Ext Tooth

1шт.

21

191216A1

SELF-TAP SCREW,Hex Wash Hd, #10-24 x 5/8"

10шт.

19

493-81000

LOCK WASHER,Ext-Int Tooth, #10

(3/16")

1шт.

Выбрано товаров: 0