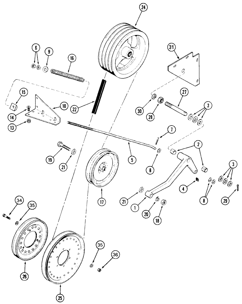
Запчасти Case IH 2344 (09A-01) - BELT DRIVE - JACKSHAFT, FAN (13) - FEEDER

Схема запчастей Case IH 2344 - (09A-01) - BELT DRIVE - JACKSHAFT, FAN (13) - FEEDER
3
15
19
35
14
3
28
20
8
36
34
10
9
24
26
18
6
8
17
31
30
27
22
5
21
25
2
7
4
35
29
21
1
16
13
FIT
1:1
100%

Артикул

Название

Примечание

Количество

1

191529C91

LEVER ASSY.

Inc. 2

1шт.

2

556448R1

BUSHING,19.07mm ID x 22.23mm OD x 25.4mm L

2шт.

3

495-11081

WASHER,3/4", SAE

9шт.

4

219-87

LUBE NIPPLE,1/4" - 28 NPTF

1шт.

5

174520C2

ROD

1шт.

6

425-108

NUT,1/2" - 13, Gr 5

2шт.

7

432-1216

COTTER PIN,3/16" x 1"

1шт.

8

495-11053

WASHER,1/2", SAE

(17/32" x 1-1/16" x 3/32")

3шт.

9

495-81025

WASHER,13.49mm ID x 31.75mm OD x 4.93mm Thk

17/32 x 1-1/4 x 5/32

1шт.

10

191777C2

SUPPORT

1шт.

13

231-5146

FLANGE NUT,3/8"-16

2шт.

15

194652C1

PIVOT

1шт.

16

155311C1

SPRING

1шт.

17

663887R91

PULLEY,203.2mm Idler Dia x 214.63mm OD x 48.42mm W

8 OD, Fan Jackshaft Idler

1шт.

18

425-1410

JAM NUT,Jam, 5/8"-11, G5

5/8

1шт.

19

413-1048

BOLT,Hex, 5/8" - 11 x 3", Gr 5

1шт.

20

492-11062

BEARING WASHER,5/8"

1шт.

21

495-11066

WASHER,5/8", SAE

21/32 x 1-5/16 x 3/32

2шт.

22

191305C1

V-BELT,0.879" W x 112.19" L

Over center, Fan jackshaft

1шт.

24

191603C2

PULLEY

12 in OD, Feeder

1шт.

25

183325C1

PULLEY

13 in OD, Fan Jackshaft

1шт.

26

193948C1

PULLEY,39.61mm W x 254mm OD

9-3/4 in OD, Cleaning Unit

1шт.

27

188298C2

STUD

1шт.

28

425-1012

NUT,3/4"-10, G5

2шт.

29

432-1620

COTTER PIN,1/4" x 1 1/4"

1шт.

30

492-11075

LOCK WASHER,3/4"

3/4"

1шт.

31

192011C2

SUPPORT

See Figure(s) 09H-03

1шт.

Used with 192623C3

1шт.

34

413-640

BOLT,Hex, 3/8" - 16 x 2-1/2", Gr 5

3шт.

35

495-81129

WASHER,13/32" x 3/4" x .120"

13/32 x 3/4 x 7/64

6шт.

36

231-4116

NUT,3/8"-16, GB

3/8

3шт.

14

477-73816

SERRATED SCREW,Sl Truss Hd, 3/8" x 1"

2шт.

Выбрано товаров: 0