Запчасти Case IH 2344 (02-06) - ROTARY AIR SCREEN CHUTE (01) - ENGINE

Схема запчастей Case IH 2344 - (02-06) - ROTARY AIR SCREEN CHUTE (01) - ENGINE
13
30
38
39
3
19
29
2
24
2
44
2
12
5
2
41
22
26
42
16
8
47
11
37
45
3
45
32
10
3
20
4
47
28
27
12
3
30
14
23
18
3
34
2
2
2
3
33
2
46
47
35
21
17
3
15
3
3
1
40
43
30
9
2
3
2
FIT
1:1
100%

Артикул

Название

Примечание

Количество

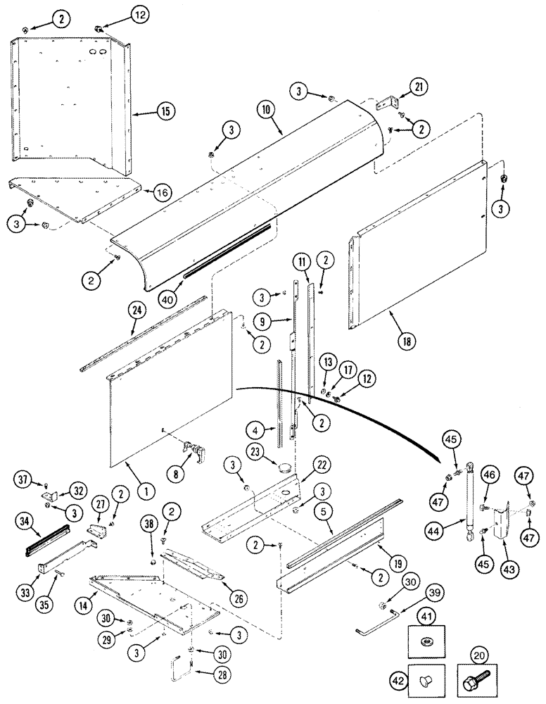
1

1979861C3

TRAP DOOR

Radiator Access

1шт.

2

477-73108

SERRATED SCREW,Sl Truss Hd, 5/16" - 18 x 1/2"

5/16 x 1/2

57шт.

3

231-5145

SERRATED NUT,Flg, USR, 5/16"-18

83шт.

4

1347460C1

DOOR SEAL,648mm L

648 mm (25-1/8")

2шт.

5

1347459C2

DOOR SEAL

37 inch (935 mm) long, cut from bulk seal 1977215CX

1шт.

8

1302494C2

LATCH

1шт.

9

1979856C3

DEFLECTOR

1шт.

10

1977122C8

CHUTE (DOWNWARD)

1шт.

11

1970200C1

SUPPORT

1шт.

12

199953C1

SELF-TAP SCREW,HWH, 5/16" - 18 x 13/16"

20шт.

13

495-61041

WASHER,10.31mm ID x 25.4mm OD x 1.6mm Thk

11шт.

14

433707A1

SHEET

Lower Rear

1шт.

15

259683A1

SHEET

Inner Rear

1шт.

16

1541858C2

SUPPORT

Upper

1шт.

17

492-11031

LOCK WASHER,5/16"

5шт.

18

1979854C1

SHEET ASSY.

1шт.

19

1979853C2

CHUTE (DOWNWARD)

1шт.

20

256873

BOLT,Hex Serr, 5/16" - 18 x 1/2", 5SPL, Full Thd

13шт.

21

1317704C1

SUPPORT

1шт.

22

1979471C4

SUPPORT

1шт.

23

1302758C1

PLUG

89 mm OD

1шт.

24

NSS

NOT SOLD SEPARAT

Seal, Cut From 1338148CX

1шт.

26

1315674C2

SUPPORT

1шт.

27

1968548C1

SUPPORT

1шт.

28

1979918C1

HANDLE

1шт.

29

495-81024

WASHER,17/32" x 1 1/4" x .060"

17/32 x 1-1/4 x 1/16

1шт.

30

231-5148

FLANGE NUT,Flg, USR, 1/2"-13

6шт.

32

1347430C1

SUPPORT

1шт.

33

1968546C2

SUPPORT

1шт.

34

1338012C1

BRUSH, COMMUTATOR

BRUSH

1шт.

35

151-507

RIVET,Pop, 1/8" x .575"

1/8 x 1/2

2шт.

37

477-73112

SERRATED SCREW,Sl Truss Hd, 5/16" - 18 x 3/4"

2шт.

38

1970461C1

GROMMET

1-3/8 x 2 x 5/16

5шт.

39

182995A1

BAR

1шт.

40

128719A1

SEAL

RUBBER SEAL 31-7/8 inch (810 mm) long, Cut From F43996

2шт.

41

95-21044

WASHER,3/8"

7/16 x 1 x 5/64

2шт.

42

205-77

HOLE PLUG BUTTON,11/32"

11/32 ID

2шт.

43

259983A1

SUPPORT

1шт.

44

229626A1

CYLINDER

19 ID x 200 mm strk, Door Lift

1шт.

45

1340345C1

BALL STUD

BALL PIN

2шт.

46

409-7512

BOLT,Hex Flg, 5/16" - 18 x 3/4", Spcl

1шт.

47

231-5145

SERRATED NUT,Flg, USR, 5/16"-18

3шт.

Выбрано товаров: 0