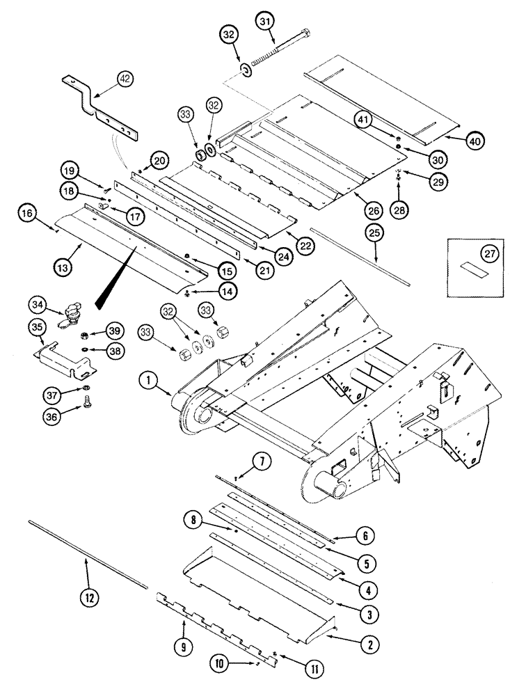
Запчасти Case IH 2344 (09A-21) - FEEDER - COVERS (13) - FEEDER

Схема запчастей Case IH 2344 - (09A-21) - FEEDER - COVERS (13) - FEEDER
9
17
32
33
39
37
19
32
2
12
20
11
29
6
33
26
5
13
1
38
10
15
14
30
16
35
34
18
7
32
8
22
40
21
33
4
27
42
41
25
3
36
31
28
24
FIT
1:1
100%

Артикул

Название

Примечание

Количество

1

REF

INSTRUCTION

Housing, Feeder, See Figure(s) 09A-18, 09A-19

1шт.

2

242744A1

DOOR

Lower

1шт.

239254A1

SEAL

Inc. 3, 3A, 4, 6

1шт.

3

1319963C1

SEAL

1шт.

3a

151-559

RIVET,Pop, 4.75mm OD x 12.7mm L

8-10шт.

4

1319961C1

SUPPORT

1шт.

5

1319965C1

BAR

1шт.

6

197429C1

SEALING STRIP

1шт.

7

443-11012

SCREW,Cross Flat Hd, #10-24 x 3/4"

No. 10 x 3/4

6шт.

8

196922C1

LOCK NUT

No. 10

6шт.

9

193364C2

HINGE

1шт.

10

477-73812

SERRATED SCREW,Truss HD, 3/8" - 16 x 3/4"

3/8 x 3/4

6шт.

11

231-5146

FLANGE NUT,3/8"-16

6шт.

12

159012C1

ROD

1шт.

13

131035A1

COVER

1шт.

14

434-816

CARRIAGE BOLT,Sht Sq Nk, 1/2" - 13 x 1", Gr 5

1/2 x 1

2шт.

15

329-288

FLANGE NUT,Flg, 1/2"-13, G8

2шт.

16

413-48

BOLT,Hex, 1/4" - 20 x 1/2", Gr 5

2шт.

17

1322144C2

STOP

2шт.

18

231-5144

SERRATED NUT,Flg, USR, 1/4"-20

2шт.

19

409-7616

BOLT,Hex Flg, 3/8" - 16 x 1", Spcl

4шт.

20

231-5146

FLANGE NUT,3/8"-16

4шт.

21

634204R2

SEAL,55mm W x 942.8mm L

1шт.

22

138252A1

FLAP

Upper

1шт.

24

197418C1

SUPPORT

1шт.

25

175906C1

ROD

1шт.

26

186355A1

SHEET

Inc. 27

1шт.

With 60 Inch Feeder

1шт.

26

186354A1

SHEET

Inc. 27

1шт.

With 54-1/2 Inch Feeder

1шт.

27

D80270

ANTI-SKID STRIP,635mm / 25 Inch

Non-Slip, 635 mm (25 in) x 51 mm (2 in)

1шт.

28

415-824

CARRIAGE BOLT,Sht Sq Nk, 1/2" - 13 x 1 1/2", Gr 8

1/2 x 1-1/2; 8

8шт.

29

195-81030

WASHER

17/32 x 1-1/2 x 3/16

8-10шт.

30

425-148

JAM NUT,Jam, 1/2"-13, G5

Replaces 329-288

8шт.

31

1321504C1

SCREW,440mm L, W/ 3/4" - 10 Nut

1шт.

32

396-31081

WASHER,20.63mm ID x 38.1mm OD x 5.56mm Thk

4шт.

33

425-1012

NUT,3/4"-10, G5

3шт.

34

138699A1

LOCK

1шт.

35

130658A1

SUPPORT

1шт.

36

477-73812

SERRATED SCREW,Truss HD, 3/8" - 16 x 3/4"

3/8 x 3/4

2шт.

37

495-11041

WASHER,0.406" ID x 0.812" OD x 0.065" W

(13/32 x 13/16 x 1/16")

2шт.

38

492-11038

LOCK WASHER,3/8"

2шт.

39

425-106

NUT,3/8"-16, Cl 5

2шт.

40

1321638C1

COVER

1шт.

41

425-148

JAM NUT,Jam, 1/2"-13, G5

8шт.

42

139045A2

SUPPORT

1шт.

Выбрано товаров: 0