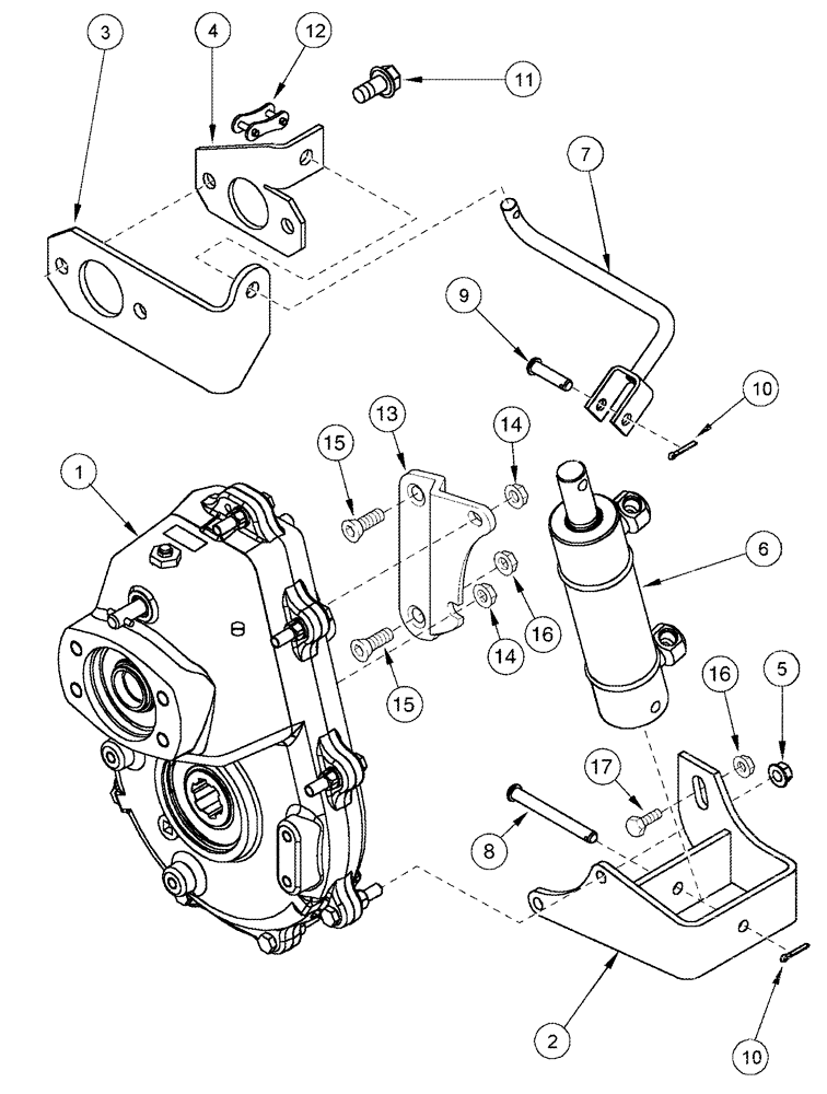
Запчасти Case IH 2344 (09A-28) - GEARBOX ASSY - FEEDER REVERSER - ASN JJC0174400 (13) - FEEDER

Схема запчастей Case IH 2344 - (09A-28) - GEARBOX ASSY - FEEDER REVERSER - ASN JJC0174400 (13) - FEEDER
7
8
1
11
12
3
6
17
2
14
5
16
13
10
4
9
15
15
10
16
14
FIT
1:1
100%

Артикул

Название

Примечание

Количество

401134A2

GEARBOX

Inc. 1 - 12

1шт.

1

86980131

GEARBOX

See Figure(s) 09A-29

1шт.

1

86980131R

REMAN-GEARBOX

2344 FEEDER REVERSER ASN JJC0174400 (1/98-1/02)

1шт.

1

86980131C

CORE-GEARBOX

Return Number

1шт.

2

405720A1

SUPPORT

1шт.

3

388772A1

BRACKET

1шт.

4

388773A1

BRACKET

1шт.

5

231-5146

FLANGE NUT,3/8"-16

2шт.

6

382543A1

CYLINDER

Clutch

1шт.

6

87449896R

REMAN-HYD CYLINDER

Clutch

1шт.

6

87449896C

CORE-HYD CYLINDER

Return Number

1шт.

7

391768A1

ROD

1шт.

8

439-1656

HEADED PIN,3/8" x 3 1/2"

3/8 x 3-1/2; 2

1шт.

9

439-5624

HEADED PIN,3/8" x 1 1/2"

3/8 x 1-1/2; 5

1шт.

10

432-812

COTTER PIN,3/4" OAL x 1/8" W

2шт.

11

409-7816

BOLT,Hex Flg, 1/2" - 13 x 1", Spcl

1/2 x 1

2шт.

12

242-1410

LINK CHAIN

1шт.

13

405718A1

SUPPORT

1шт.

14

231-5146

FLANGE NUT,3/8"-16

2шт.

15

361-45024

HEX SOC SCREW,1/2" - 13 x 1-1/2"

1/2 x 1-1/2

2шт.

16

231-5148

FLANGE NUT,Flg, USR, 1/2"-13

2шт.

17

434-820

CARRIAGE BOLT,Sht Sq Nk, 1/2" - 13 x 1 1/4", Gr 5

1/2 x 1-1/4

1шт.

Выбрано товаров: 22