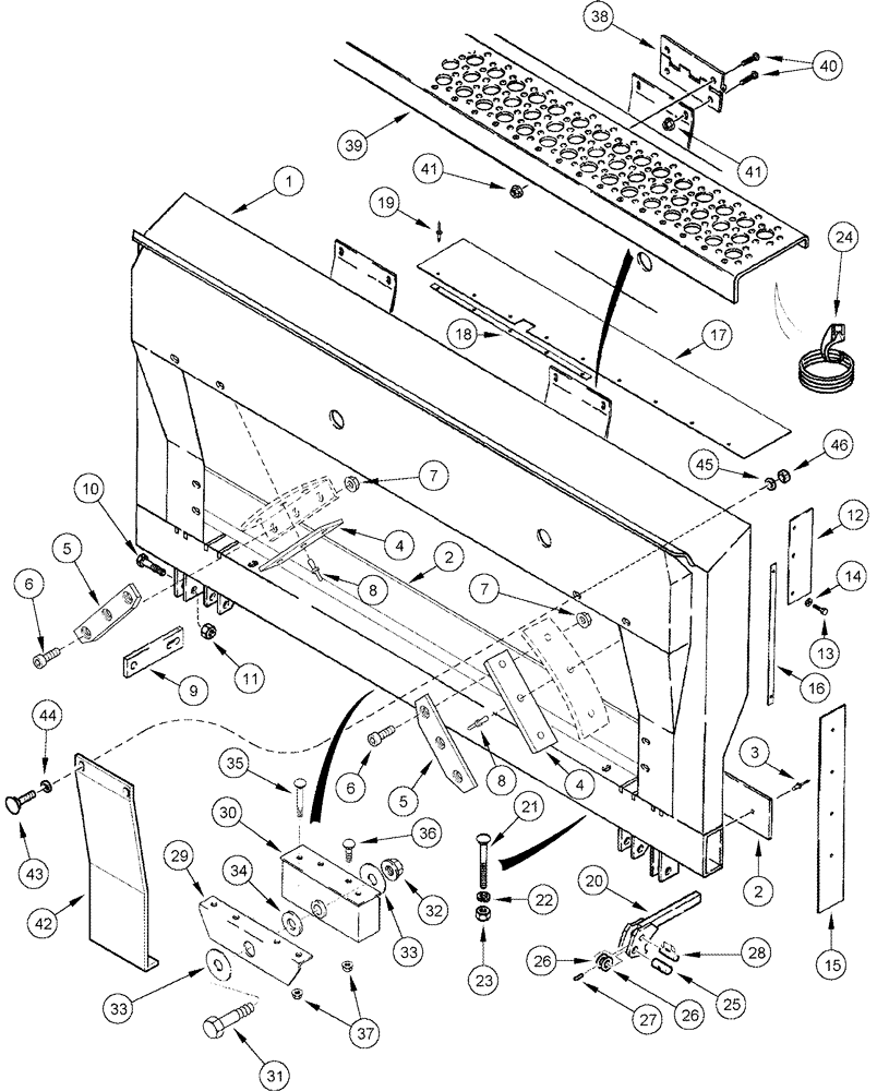
Запчасти Case IH 2344 (09A-32) - FIELD TRACKER® - SUPPORT, HEADER PIVOT - ASN JJC0174400 (13) - FEEDER

Схема запчастей Case IH 2344 - (09A-32) - FIELD TRACKER® - SUPPORT, HEADER PIVOT - ASN JJC0174400 (13) - FEEDER
25
24
10
33
3
7
26
39
32
8
33
42
6
23
40
36
44
13
16
28
46
27
45
12
1
5
37
21
43
20
2
4
18
6
35
31
2
5
41
22
29
30
11
26
17
41
7
8
38
15
19
9
14
34
4
FIT
1:1
100%

Артикул

Название

Примечание

Количество

144255A3

SUPPORT

Inc. 1 - 4

1шт.

1

NSS

NOT SOLD SEPARAT

Support

1шт.

2

100274A1

WEAR PLATE

1шт.

3

151-559

RIVET,Pop, 4.75mm OD x 12.7mm L

13шт.

4

350017A1

SLIDE

Horizontal

2шт.

5

350018A1

SLIDE

Vertical

2шт.

6

461-7258

HEX SOC SCREW,Btn Hd, 1/4"-20 x 1/2"

1/4 x 1/2

6шт.

7

231-5144

SERRATED NUT,Flg, USR, 1/4"-20

6шт.

8

419289A1

RIVET,Pop, 6.35mm OD x 16.66mm L

1/4 x 21/32

6шт.

9

100287A1

STOP

2шт.

10

413-828

BOLT,Hex, 1/2" - 13 x 1-3/4", Gr 5

4шт.

11

231-4218

LOCK NUT,1/2"-13, GB

1/2

4шт.

12

108739A1

RUBBER SEAL,3.17mm Thk

2шт.

13

281-5488

SELF-TAP SCREW,Hex Wash Hd, 5/16"-18 x 1/2"

5/16 x 1/2

6шт.

14

495-21038

WASHER,5/16"

(flat, 3/8 x 7/8 x 3/32")

6шт.

15

108740A1

RUBBER SEAL

2шт.

16

108645A2

STRIP

300 mm (11-13/16 in)

2шт.

16

226606A2

STRAP

210 mm (8-1/4 in)

2шт.

16a

495-61020

WASHER,0.203" ID x 0.75" OD x 0.067" Thk

13/64 x 3/4 x 1/16, Not Illustrated

2шт.

17

144934A1

GUARD

2шт.

18

144935A2

STRAP

370 mm (14-9/16 in)

2шт.

19

390747A1

RIVET

3/16 x 0.78 in

18шт.

20

100295A1

HANDLE

2шт.

21

411-572

CARRIAGE BOLT,Sq Nk, 5/16" - 18 x 4 1/2", Gr 2

5/16 x 4-1/2; 2

2шт.

22

492-11031

LOCK WASHER,5/16"

2шт.

23

425-105

NUT,5/16"-18, G5

2шт.

24

126046A1

GASKET,287.02mm L

292 mm (11-1/2 in), Cut From 1330108CX

2шт.

25

177141C1

PIN,15.88mm OD x 41mm L

2шт.

26

495-81175

WASHER,21/32" x 1" x .120"

21/32 x 1 x 7/64

2шт.

27

38-11616

LOCK PIN,1/4" x 1", Slotted

2шт.

28

1338021C1

PIN,7.94mm OD

2шт.

29

240586A2

SUPPORT

1шт.

30

240587A1

SUPPORT

1шт.

31

413-1680

BOLT,Hex, 1" - 8 x 5", Gr 5

1 x 5

1шт.

32

232-53116

FLANGE NUT,Flg, 1"-8

1шт.

33

936727R1

WASHER,26.16mm ID x 56.9mm OD x 6.35mm Thk

1-1/32 x 2-1/4 x 1/4

2шт.

34

240613A2

SPACER

1шт.

35

434-820

CARRIAGE BOLT,Sht Sq Nk, 1/2" - 13 x 1 1/4", Gr 5

1/2 x 1-1/4

4шт.

36

433-872

CARRIAGE BOLT,Sq Nk, 1/2" - 13 x 4 1/2", Gr 5

1/2 x 4-1/2

4шт.

37

231-5148

FLANGE NUT,Flg, USR, 1/2"-13

8шт.

38

140767A2

HINGE

2шт.

39

140768A4

STEP

1шт.

40

477-73812

SERRATED SCREW,Truss HD, 3/8" - 16 x 3/4"

3/8 x 3/4

8шт.

41

231-5146

FLANGE NUT,3/8"-16

8шт.

42

100478A1

LARGE PLATE

PLATE, LARGE

2шт.

43

434-512

CARRIAGE BOLT,Sht Sq Nk, 5/16" - 18 x 3/4", Gr 5

8шт.

44

495-21038

WASHER,5/16"

(flat, 3/8 x 7/8 x 3/32")

8шт.

45

492-11031

LOCK WASHER,5/16"

8шт.

46

425-105

NUT,5/16"-18, G5

8шт.

Выбрано товаров: 0