Запчасти Case IH 2366 (05-12) - AXLE, ADJUSTABLE - STEERING KNUCKLE, HUB AND WHEELS - BSN JJC0252949 (04) - STEERING

Схема запчастей Case IH 2366 - (05-12) - AXLE, ADJUSTABLE - STEERING KNUCKLE, HUB AND WHEELS - BSN JJC0252949 (04) - STEERING
23
4
7
3
10
21
18
14
6
17
11
1
9
19
8
13
12
2
16
5
15
FIT
1:1
100%

Артикул

Название

Примечание

Количество

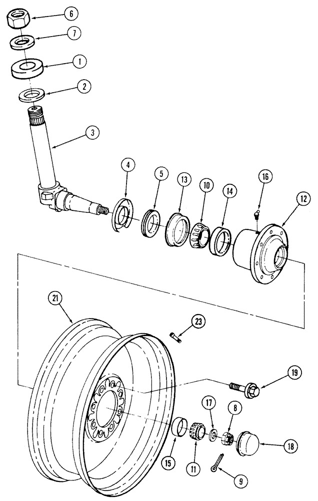
1

185106C91

BEARING ASSY,44.2mm ID x 70.1mm OD x 19.05mm W

2шт.

2

15943DA

SEALING WASHER,60.33mm ID x 72.23mm OD x 4.76mm Thk

2шт.

3

1315374C2

STEERING KNUCKLE

Inc. 4, 5

2шт.

4

1259522C1

SHIELD

1шт.

5

491641C1

SEAL

1шт.

6

425-1522

JAM NUT,Jam, 1 3/8"-12, G5

1-3/8 NF

2шт.

7

495-81218

WASHER,35.71mm ID x 69.85mm OD x 1.37mm Thk

1-13/32 x 2-3/4 x 3/64

2шт.

8

1259683C1

NUT

M30 - 1.5

2шт.

9

432-1640

COTTER PIN,1/4" x 2 1/2"

1/4" x 2 1/2"

2шт.

10

ST753B

BEARING ASSY,66.67mm ID x 22mm W

2-5/8 inch ID

2шт.

11

130504H

ROLLER BEARING,42.887 mm ID x 25.48 mm

2шт.

12

1259528C1

HUB

Inc. 13 - 15

2шт.

13

1264549C1

SEALING WASHER,106mm ID x 130mm OD x 1.6mm Thk

1шт.

14

29214H

BEARING CUP,110mm OD x 18.82mm W

4-5/16 OD

1шт.

15

130503H

BEARING CUP

3-17/64 OD

1шт.

16

219-17

LUBE NIPPLE,3/16" NPTF

2шт.

17

896-12030

WASHER,33mm ID x 56mm OD x 5mm Thk

33 x 56 x 5 mm

2шт.

18

189425C1

HUB CAP

2шт.

Use Loctite No. 242

1шт.

345-49

SEALANT

Not Illustrated

1шт.

19

460-924

BOLT,Hex, 9/16" - 18 x 1 1/2", Gr 8

9/16 x 1-1/2

16шт.

21

186642C2

WHEEL

16.1 x 16, For 18.4 x 16 inch Tire

2шт.

21

1541719C2

WHEEL

24 x 12, For 14.9 x 24 inch Tire

2шт.

23

536705R91

VALVE

2шт.

23

179482C1

VALVE STEM

7/16 in dia.

2шт.

24

407184R1

VALVE

Inflation, Not Illustrated

2шт.

Used with Tubeless Tires

1шт.

Выбрано товаров: 27