Запчасти Case IH 2366 (04-38) - ALTERNATOR - MOUNTING (06) - ELECTRICAL

Схема запчастей Case IH 2366 - (04-38) - ALTERNATOR - MOUNTING (06) - ELECTRICAL
25
11
6
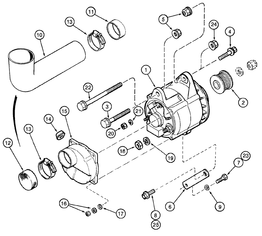
1
5
2
10
14
20
15
13
18
3
24
13
9
4
8
21
19
17
7
22
23
12
16
FIT
1:1
100%

Артикул

Название

Примечание

Количество

1

125849A1

ALTERNATOR,12V, 135A, W/ Pulley

135 amp, See Figure 04-40

1шт.

1

125849A1R

REMAN-ALTERNATOR

Remanufactured Alternator, 12 volt 135 ampere

1шт.

1

125849A1C

CORE-ALTERNATOR

Return Part Number

1шт.

1

125849A1GV

ALTERNATOR

Value, 12 volt 135 ampere

1шт.

2

86975356

PULLEY

, Serial Range: -JJC0255699

1шт.

2

J926858

PULLEY

, Start Serial: JJC0255700

1шт.

3

854-12065

BOLT,Hvy Hex, M12 x 65mm, Cl 10.9

M12 x 65; 10.9, Serial Range: -JJC0255699

1шт.

4

854-12050

BOLT,Hvy Hex, M12 x 50mm, Cl 10.9

, Serial Range: -JJC0255699

1шт.

5

829-2312

FLANGE NUT,M12 x 1.75, Flg, Cl 10

, Serial Range: -JJC0255699

2шт.

6

J911485

SUPPORT

, Serial Range: -JJC0255699

1шт.

6

J944312

BRACE

, Start Serial: JJC0255700

1шт.

7

614-8030

BOLT,Hex, M8 x 1.25 x 30mm, Cl 8.8, Full Thd

, Serial Range: -JJC0255699

1шт.

8

360-820

BOLT,Hex, 1/2" - 13 x 1 1/4", Gr 8

1/2 x 1-1/4, Serial Range: -JJC0255699

1шт.

9

892-11008

LOCK WASHER,8mm ID

1шт.

10

143953A1

ELBOW

90 degree, Serial Range: -JJC0255699

1шт.

11

179418A1

TUBE,53.975 mm OD

, Serial Range: -JJC0255699

1шт.

12

1979627C1

COVER

1шт.

13

214-1532

HOSE CLAMP,#32, 1.56" - 2.5", Type F Worm, W/ Liner

, Serial Range: -JJC0255699

2шт.

14

1964826C1

GROMMET

1шт.

15

1338890C1

COVER

1шт.

16

825-1405

NUT,M5, Cl 8

8шт.

17

495-31025

WASHER,3/16"

1/4 x 9/16 x 3/64

4шт.

18

425-147

JAM NUT,Jam, 7/16"-14, G5

7/16

1шт.

19

492-11044

LOCK WASHER,7/16"

1шт.

20

825-1404

NUT,M4, Cl 8

1шт.

21

892-11004

LOCK WASHER,M4

1шт.

22

87030021

BOLT,Hex, M12 x 150mm, Cl 10.9

M12 x 150, Start Serial: JJC0255700

1шт.

23

857-10020

BOLT,Hvy Hex, M10 x 20mm, Cl 10.9

, Start Serial: JJC0255700

1шт.

24

825-2412

FLANGE NUT,M12 x 1.75, Flg, Cl 8

M12; 8, Start Serial: JJC0255700

1шт.

25

409-7820

BOLT,Hex Flg, 1/2" - 13 x 1 1/4", Spcl

, Start Serial: JJC0255700

1шт.

Выбрано товаров: 30