Запчасти Case IH 2366 (04-42) - MOTOR ASSY - FEEDER REVERSER - BSN JJC0253999 (06) - ELECTRICAL

Схема запчастей Case IH 2366 - (04-42) - MOTOR ASSY - FEEDER REVERSER - BSN JJC0253999 (06) - ELECTRICAL
25
41
11
30
40
2
3
36
12
4
9
33
45
43
37
27
10
42
19
5
44
46
14
22
23
7
30
39
29
38
1
13
18
31
31
34
21
32
15
17
6
20
30
28
24
26
16
35
8
FIT
1:1
100%

Артикул

Название

Примечание

Количество

245927C93

STARTING MOTOR

Inc. 1 - 46

1шт.

245927C93R

REMAN-STARTER

REMANUFACTURED STARTING MOTOR

1шт.

245927C93C

CORE-STARTER

Return Number, STARTING MOTOR

1шт.

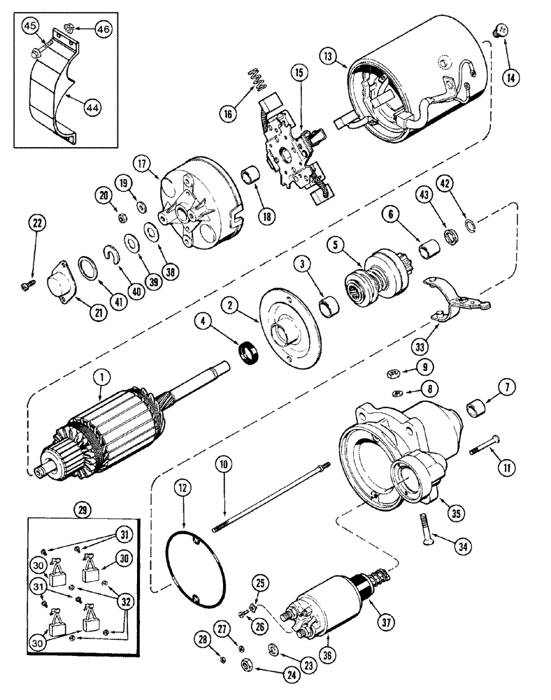
1

A186232

ARMATURE

1шт.

2

A186233

HOUSING

1шт.

3

3079432R1

BUSHING

1шт.

4

A186234

SEAL

1шт.

5

A186235

DRIVE,Starter

Drive

1шт.

6

3079254R1

BUSHING

2шт.

7

3055738R2

BUSHING

1шт.

8

3053133R1

SEALING RING,M8 x 11.5 x 1

1шт.

9

691265C1

NUT

1шт.

10

3079172R1

STUD

2шт.

11

A186236

SCREW,Torx, M5 x 45mm

3шт.

12

A186237

RETAINER

1шт.

13

A186238

COIL

1шт.

14

3079552R1

BOLT,Flat

4шт.

15

K965157

BRUSH, COMMUTATOR

BRUSH

1шт.

16

3079420R1

SPRING

4шт.

17

A186239

COVER

1шт.

18

K965145

BUSHING

1шт.

19

K965147

WASHER

2шт.

20

825-1406

NUT,M6, Cl 8

2шт.

21

K965149

COVER

1шт.

22

K965146

SCREW

2шт.

23

A186240

WASHER

2шт.

24

825-1410

NUT,M10, Cl 8

2шт.

25

A186241

CLAMP

1шт.

26

K965151

SCREW

1шт.

27

A186243

WASHER

2шт.

28

933824R1

THIN NUT,Thin, M4 x .5, Cl 04

M4

2шт.

29

3079359R91

BRUSH, COMMUTATOR

BRUSH Inc. 30 - 32

1шт.

30

NSS

NOT SOLD SEPARAT

BRUSH

4шт.

31

NSS

NOT SOLD SEPARAT

SCREW

4шт.

32

NSS

NOT SOLD SEPARAT

NUT

4шт.

33

K965134

LEVER

1шт.

34

3079430R1

BOLT,Flat

1шт.

35

A186246

FRAME

M5 x 8

1шт.

36

A186244

SWITCH

1шт.

36

251829A1

SOLENOID

1шт.

37

A186245

DIAPHRAGM

1шт.

3079555R91

PACKAGE

Motor Repair, Inc. 38 - 43

1шт.

38

NSS

NOT SOLD SEPARAT

SHIM

1шт.

39

NSS

NOT SOLD SEPARAT

SHIM

1шт.

40

NSS

NOT SOLD SEPARAT

WASHER

1шт.

41

NSS

NOT SOLD SEPARAT

RING

1шт.

42

NSS

NOT SOLD SEPARAT

RETAINER

1шт.

43

NSS

NOT SOLD SEPARAT

RING

1шт.

44

246652A1

GUARD

2шт.

45

409-7416

BOLT,Hex Flg, 1/4" - 20 x 1", Spcl

4шт.

46

231-5144

SERRATED NUT,Flg, USR, 1/4"-20

4шт.

Выбрано товаров: 51