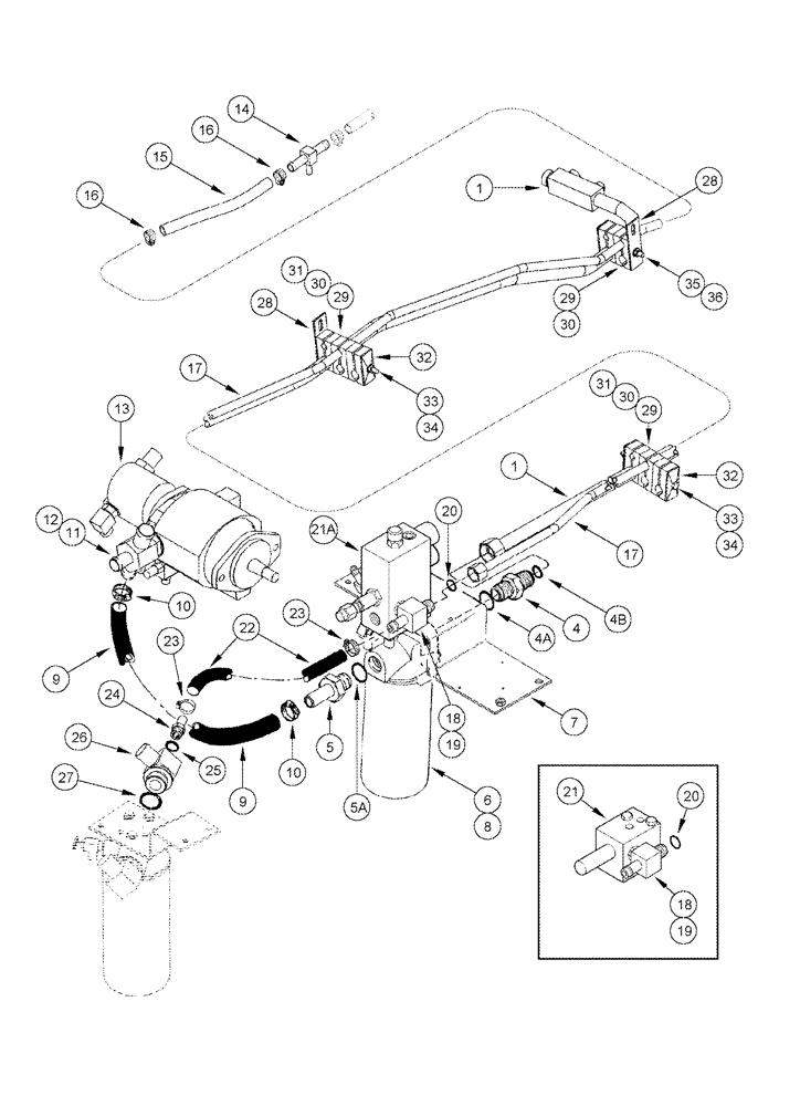
Запчасти Case IH 2366 (08-10) - HYDRAULICS - AUXILIARY PUMP RETURN (07) - HYDRAULICS

Схема запчастей Case IH 2366 - (08-10) - HYDRAULICS - AUXILIARY PUMP RETURN (07) - HYDRAULICS
9
26
30
8
23
18
29
7
32
20
16
28
35
6
31
23
30
18
5a
1
33
31
34
10
16
29
19
1
12
13
33
28
10
4a
14
15
11
27
34
9
21a
29
25
19
20
36
30
32
17
4
17
4b
21
22
5
24
FIT
1:1
100%

Артикул

Название

Примечание

Количество

1

124372A1

HYD TUBE

Manifold Return

1шт.

4

201-122

HYD CONNECTOR,1 7/16"-12 ORFS x 1 5/8"-12 ORB

1-7/16 fc x 1-5/8, Inc. 4A, 4B

1шт.

4a

237-6020

O-RING,0.118" Thk x 1.475" ID, -920, Cl 6, 90 Duro

1шт.

5

217-173

FITTING,1" Hose Barb x 1-5/8" - 12 Male ORB

Includes Ref. 5A

1шт.

5a

237-6020

O-RING,0.118" Thk x 1.475" ID, -920, Cl 6, 90 Duro

1шт.

6

87784C92

HYDRAULIC OIL FILTER

Return Oil, See Figure 08-03

1шт.

7

124802A2

SUPPORT

1шт.

8

409-768

BOLT,Hex Flg, 3/8" - 16 x 1/2", Spcl

3/8 x 1/2

3шт.

9

NSS

NOT SOLD SEPARAT

HOSE, 585 mm (23 in.), Cut From 1541952C1

1шт.

10

214-3228

HOSE CLAMP,1" - 1-7/8", HD Worm, W/ Liner

2шт.

11

182813A1

TEE

1-1/4 x 1 x 1 in., Inc. 12

1шт.

12

237-6020

O-RING,0.118" Thk x 1.475" ID, -920, Cl 6, 90 Duro

1шт.

13

123266A2

PUMP, HYDRAULIC

Auxiliary, See Figure 08-11

1шт.

14

177975A1

TEE

5/8 x 3/8 x 5/8, For Attaching Parts, See Figure(s) 08-21, Ref. 32 and 08-22, Ref. 32

1шт.

15

128104A2

HYDRAULIC HOSE,15.88 mm ID x 250.00 mm

Cut from S118576X

1шт.

16

214-1410

HOSE CLAMP,#10, 0.56" - 1.06", Type F Worm

2шт.

17

141658A1

HYD TUBE,0.625 mm OD, 2187, 193 mm Length

Return, Low Pressure

1шт.

18

141657A1

TEE

Return Tube At Regulator Valve, Inc. 19, 20

1шт.

19

237-6008

O-RING,0.087" Thk x 0.644" ID, -908, Cl 6, 90 Duro

1шт.

20

238-6016

O-RING,0.07" Thk x 0.614" ID, -16, Cl 6, 90 Duro

1шт.

21

REF

INSTRUCTION

VALVE Pressure, See Figure 08-21, Serial Range: -JJC0253999

1шт.

21a

REF

INSTRUCTION

VALVE Pressure, See Figure 08-22, Start Serial: JJC0254000

1шт.

22

127999A1

HYDRAULIC HOSE,15.88 mm ID x 460.00 mm

Return, Charge Pump Filter, Cut from S118576X

1шт.

23

214-1410

HOSE CLAMP,#10, 0.56" - 1.06", Type F Worm

2шт.

24

217-395

FITTING,5/8" Hose Barb x 3/4" - 16 Male ORB

Includes Ref. 25

1шт.

25

237-6008

O-RING,0.087" Thk x 0.644" ID, -908, Cl 6, 90 Duro

1шт.

26

123522A1

FITTING

Suction, Charge Pump Filter, Inc. 27

1шт.

27

237-6020

O-RING,0.118" Thk x 1.475" ID, -920, Cl 6, 90 Duro

1шт.

28

124575A1

SUPPORT

2шт.

29

118577A1

CLAMP

Matched Set For 1 and 1/2 inch Diameter Tubes

3шт.

30

124668A1

CLAMP

Matched Set For 3/4 and 5/8 inch Diameter Tubes

3шт.

31

255212A1

CLAMP

Matched Set For 3/4 and 5/8 inch Diameter Tubes

2шт.

32

1347127C1

PLATE

4шт.

33

413-588

BOLT,Hex, 5/16" - 18 x 5-1/2", Gr 5

5/16 x 5-1/2

2шт.

34

231-5315

FLANGE NUT,Flg, 5/16"-18

2шт.

35

413-564

BOLT,Hex, 5/16" - 18 x 4", Gr 5

5/16 x 4

1шт.

36

231-5315

FLANGE NUT,Flg, 5/16"-18

1шт.

4b

238-6021

O-RING,15/16 X 1 - 1/16, Cl 6

1шт.

Выбрано товаров: 38