Запчасти Case IH 2366 (08-29) - HYDRAULICS - UNLOADER CLUTCH - BSN JJC0253999 (07) - HYDRAULICS

Схема запчастей Case IH 2366 - (08-29) - HYDRAULICS - UNLOADER CLUTCH - BSN JJC0253999 (07) - HYDRAULICS
10
39
33
30
9
36
29
14
11
12
21
6
18
4
3
32
14
22
36
38
10
13
19
40
16
24
41
1
25
23
31
32
7
34
26
37
27
15
35
28
2
20
17
18
5
FIT
1:1
100%

Артикул

Название

Примечание

Количество

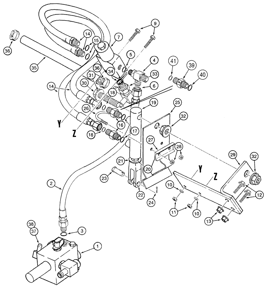
1

233738A1

VALVE

Pressure Regulator, See Figure 08-21, Ref 5, Inc. 6 - 7B, Serial Range: -JJC0252949

1шт.

1

233738A2

VALVE

Pressure Regulator, See Figure 08-21, Ref 5, Inc. 6 - 7B, Serial Range: JJC0252950-JJC0253999

1шт.

2

128068A2

FLEXIBLE HOSE

Unloader Clutch Valve Supply, 760 mm (30 in.), Inc. 3

1шт.

4

201-406

TEE,11/16"-16 x 9/16"-18 Run, ORFS

Incl 5, 6

1шт.

6

238-6012

O-RING,0.07" Thk x 0.364" ID, -12, Cl 6, 90 Duro

2шт.

7

131152A1

CONTROL VALVE

Unloader Clutch, See Figure 08-31

1шт.

9

413-432

BOLT,Hex, 1/4" - 20 x 2", Gr 5

2шт.

10

495-81113

WASHER,0.34" ID x 0.75" OD x 0.18" Thk

11/32 x 3/4 x 3/16

2шт.

11

231-5144

SERRATED NUT,Flg, USR, 1/4"-20

2шт.

12

409-7620

BOLT,Hex Flg, 3/8" - 16 x 1 1/4", Spcl

2шт.

13

231-5146

FLANGE NUT,3/8"-16

2шт.

14

128068A2

FLEXIBLE HOSE

At Unloader Clutch Cylinder, 760 mm (30 in.), Inc. 15

2шт.

16

201-101

HYD CONNECTOR,11/16" - 16 Male ORFS x 9/16" - 18 Male ORB

Incl 17, 18

1-2шт.

18

238-6012

O-RING,0.07" Thk x 0.364" ID, -12, Cl 6, 90 Duro

1шт.

19

112397A2

CYLINDER

Unloader Clutch, Inc. 19A

1шт.

19a

188294A1

SEAL KIT

Not Illustrated

1шт.

20

425-118

NUT,1/2"-20, G5

1шт.

21

189153A1

WASHER

1шт.

22

213-128

ADJUSTABLE CLEVIS,1/2"-20 x 3"

1шт.

23

427-8136

CLEVIS PIN,1/2" x 1.360"

1/2 x 1-3/8

1шт.

24

432-820

COTTER PIN,1/8" x 1 1/4"

1шт.

25

175611A2

HOLDER

1шт.

26

188528A1

U-BOLT,1/4" - 20 x 34.80mm W x 44mm L, Gr 5

BOLT "U"

1шт.

27

176023A2

SUPPORT

1шт.

28

425-104

NUT,1/4"-20, Cl 5

2шт.

29

193708A1

SUPPORT

Unloader Valve and Cylinder Support

1шт.

30

413-1048

BOLT,Hex, 5/8" - 11 x 3", Gr 5

1шт.

31

495-11066

WASHER,5/8", SAE

21/32 x 1-5/16 x 3/32

1шт.

32

231-51410

FLANGE NUT,Flg, USR, 5/8"-11

2шт.

33

113896A1

TEE

Valve Return Hose, Inc. 34

1шт.

35

128073A1

HYDRAULIC HOSE,9.52 mm ID x 880.00 mm

Valve Return to Tee, Cut from S118400X

1шт.

36

214-1706

HOSE CLAMP,#06, 0.44" - 0.78", Type M Worm

2шт.

37

113896A1

TEE

At Pressure Regulator Valve, Inc. 38

1шт.

39

327679A1

CHECK VALVE

Inline, To Slow Unloader Engagement, Inc. 40, 41

1шт.

41

238-6012

O-RING,0.07" Thk x 0.364" ID, -12, Cl 6, 90 Duro

1шт.

3

237-6006

O-RING,0.078" Thk x 0.468" ID, -906, Cl 6, 90 Duro

1шт.

5

237-6006

O-RING,0.078" Thk x 0.468" ID, -906, Cl 6, 90 Duro

1шт.

15

237-6006

O-RING,0.078" Thk x 0.468" ID, -906, Cl 6, 90 Duro

1шт.

17

237-6006

O-RING,0.078" Thk x 0.468" ID, -906, Cl 6, 90 Duro

1шт.

34

237-6006

O-RING,0.078" Thk x 0.468" ID, -906, Cl 6, 90 Duro

1шт.

38

237-6006

O-RING,0.078" Thk x 0.468" ID, -906, Cl 6, 90 Duro

1шт.

40

237-6006

O-RING,0.078" Thk x 0.468" ID, -906, Cl 6, 90 Duro

1шт.

Выбрано товаров: 42