Запчасти Case IH 2366 (09G-23) - HEATER - AIR CONDITIONING - RECEIVER-DRYER SYSTEM - BSN JJC0252949 (10) - CAB & AIR CONDITIONING

Схема запчастей Case IH 2366 - (09G-23) - HEATER - AIR CONDITIONING - RECEIVER-DRYER SYSTEM - BSN JJC0252949 (10) - CAB & AIR CONDITIONING
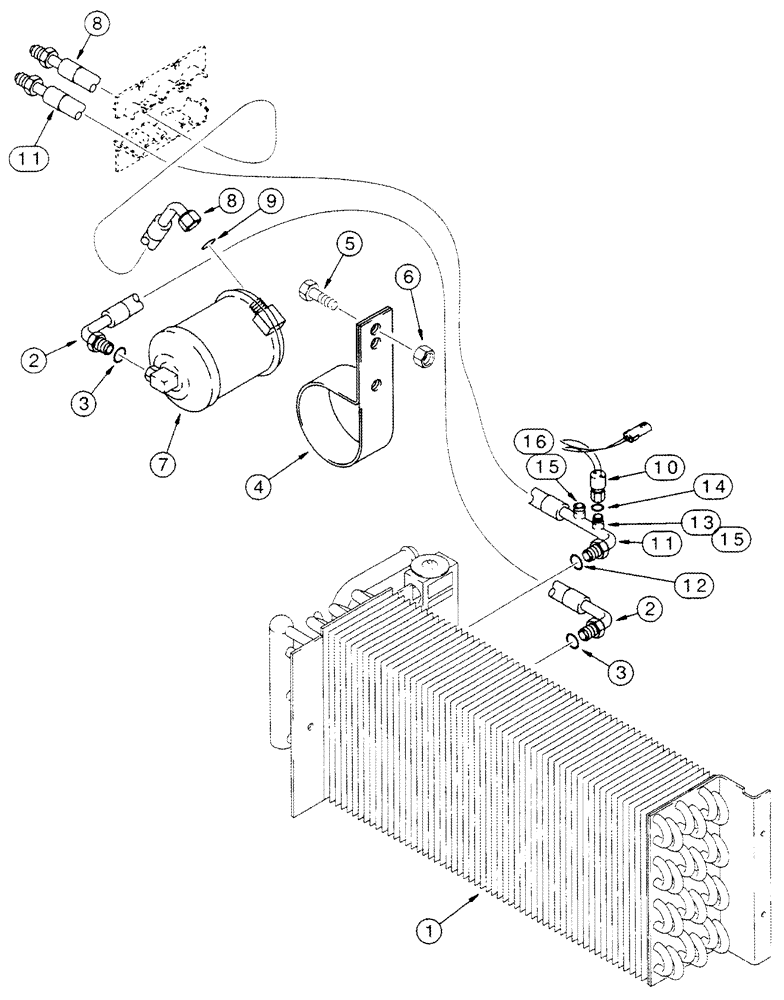
11
11
9
15
15
2
13
3
10
16
3
14
4
6
8
5
2
7
1
12
8
FIT
1:1
100%

Артикул

Название

Примечание

Количество

1

121590A3

EVAPORATOR

See Figure 09G-18

1шт.

2

124912A1

LARGE HOSE

HOSE,LARGE 551 mm (21-3/4 in.), Inc. 3, Serial Range: -JJC0254999

1шт.

2

124912A2

HOSE

540 mm (21-1/4 in.), Inc. 3, Start Serial: JJC0255000

1шт.

3

128483A1

O-RING,1.78mm Thk x 7.65mm ID, 70 Duro

5/16 ID x 1/16

2шт.

4

D145289

SUPPORT

1шт.

5

627-12030

BOLT,Hex, M12 x 1.75 x 30mm, Cl 10.9, Full Thd

2шт.

6

829-1412

NUT,M12, Cl 10.9

2шт.

7

1990758C2

RECEIVER-DRYER

1шт.

8

124914A1

HOSE

662 mm (26-1/8 in.), Inc. 9

1шт.

9

128483A1

O-RING,1.78mm Thk x 7.65mm ID, 70 Duro

5/16 ID x 1/16

1шт.

10

122579A1

SWITCH, A/C LOW PRES

Low

1шт.

11

124913A2

HOSE

900 mm (35-7/16 in.), Inc. 12 - 16

1шт.

12

128485A1

O-RING,1.78mm Thk x 14mm ID, 70 Duro

9/16 ID x 1/16

1шт.

13

NSS

NOT SOLD SEPARAT

FITTING

1шт.

14

128483A1

O-RING,1.78mm Thk x 7.65mm ID, 70 Duro

5/16 ID x 1/16

1шт.

15

1250594C2

CORE

Replaces 1250594C1

1шт.

16

122553A1

CAP

1шт.

Выбрано товаров: 17