Запчасти Case IH 2366 (09G-25) - AIR CONDITIONING - COMPRESSOR MOUNTING AND DRIVE (10) - CAB & AIR CONDITIONING

Схема запчастей Case IH 2366 - (09G-25) - AIR CONDITIONING - COMPRESSOR MOUNTING AND DRIVE (10) - CAB & AIR CONDITIONING
5
7
11
9
2
8
7
12
8
8
8
3
8
4
7
11
10
8
9
6
1
FIT
1:1
100%

Артикул

Название

Примечание

Количество

86993462

AIRCOND. COMPRESSOR

Inc. 1 - 4

1шт.

86993462GV

AIRCOND. COMPRESSOR

Value

1шт.

86993462R

REMAN-COMPRESSOR

2366 (1/98-8/04)

1шт.

86993462C

CORE-COMPRESSOR

Return Part Number

1шт.

48017123R

REMAN-A/C COMP KIT

Reman AC Compressor Kit

1шт.

48017123C

REMAN-A/C COMP KIT

Return Part Number

1шт.

1999755C3R

REMAN-A/C COMPRESSOR

Inc.- 8 Mounting Holes, 2 Groove Pulley, For Use w/HFC134A Refrigerant

1шт.

1999755C3C

CORE-COMPRESSOR

Return Part Number

1шт.

1999755C2C

CORE-A/C COMPRESSOR

Return Part Number

1шт.

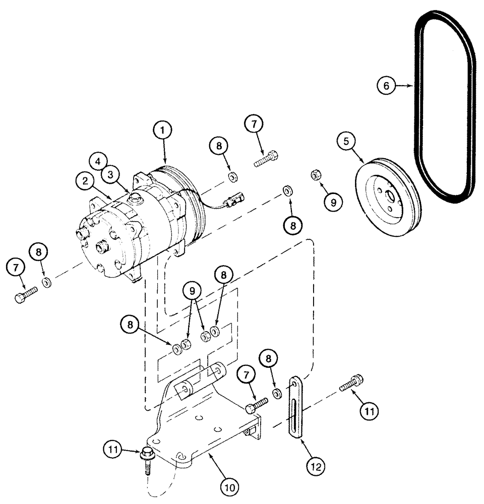
1

135324A1

CLUTCH

1шт.

2

NSS

NOT SOLD SEPARAT

COMPRESSOR

1шт.

3

A49667

PLUG

1шт.

4

128483A1

O-RING,1.78mm Thk x 7.65mm ID, 70 Duro

5/16 ID x 1/16

1шт.

5

A189155

PULLEY

Drive

1шт.

6

396829R1

V-BELT,0.50" W x 44.00" L

, Serial Range: -JJC0255699

1шт.

6

235414A1

BELT,12.70 mm W x 901.70 mm L

, Start Serial: JJC0255700

1шт.

7

614-10035

BOLT,Hex, M10 x 1.5 x 35mm, Cl 8.8, Full Thd

3шт.

8

896-16010

WASHER,11mm ID x 24mm OD x 3mm Thk

11 x 24 x 3 mm

6шт.

9

832-41310

NUT,M10 x 1.5, Cl 10

3шт.

10

237872A3

BRACKET

1шт.

11

905-10025

BOLT,Hex Flg, M10 x 25mm

5шт.

12

84716C1

SUPPORT

1шт.

Выбрано товаров: 22