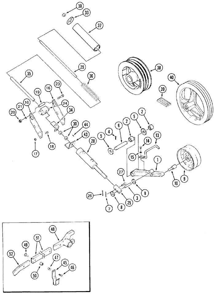
Запчасти Case IH 2366 (09A-06) - SEPARATOR - DRIVE PULLEY AND IDLER (13) - FEEDER

Схема запчастей Case IH 2366 - (09A-06) - SEPARATOR - DRIVE PULLEY AND IDLER (13) - FEEDER
2
4
24
17
13
50
1
23
9
51
47
39
15
21
29
8
30
40
28
46
30
16
16
38
43
3
19
48
2
44
37
8
33
45
14
7
52
10
34
49
18
6
5
35
36
20
25
5
26
27
FIT
1:1
100%

Артикул

Название

Примечание

Количество

1

195457C93

LEVER

Inc. 2 & 3

1шт.

2

1302308C1

BUSHING,25.65mm ID x 31.85mm OD x 28.57mm L

1 x 1-1/4 x 1-1/8

2шт.

3

195459C2

PIN

1шт.

4

432-1224

COTTER PIN,3/16" x 1-1/2"

2шт.

5

495-81073

WASHER,1-1/32" x 1-3/4" x .060" Thk

1-1/32 x 1-3/4 x 1/16

7шт.

6

1315229C2

PIN,25.4mm OD x 135mm L

1шт.

7

432-1216

COTTER PIN,3/16" x 1"

1шт.

8

495-81175

WASHER,21/32" x 1" x .120"

21/32 x 1 x 1/8

2шт.

9

174757C1

PULLEY

Idler, 8 in OD

1шт.

10

559205R91

BEARING ASSY,15.92 mm ID x 30 mm OD x 82.55 mm

1шт.

13

193284C1

ROD

1шт.

14

413-612

BOLT,Hex, 3/8" - 16 x 3/4", Gr 5

2шт.

15

492-11038

LOCK WASHER,3/8"

2шт.

16

125380A1

SUPPORT

2шт.

17

231-5146

FLANGE NUT,3/8"-16

6шт.

18

409-7620

BOLT,Hex Flg, 3/8" - 16 x 1 1/4", Spcl

6шт.

19

196676C1

SPACER

1шт.

20

425-106

NUT,3/8"-16, Cl 5

1шт.

21

492-11038

LOCK WASHER,3/8"

1шт.

23

413-656

BOLT,Hex, 3/8" - 16 x 3-1/2", Gr 5

3/8 x 3-1/2

1шт.

24

186747C3

PIVOT

1шт.

25

125381A1

TUBE,25.4 mm ID, 34.92 mm OD

1шт.

26

432-612

COTTER PIN,3/32" x 3/4"

1шт.

27

427-6178

CLEVIS PIN,9.53mm OD x 45.24mm L

1шт.

28

REF

INSTRUCTION

CYLINDER ASSY., See Figure 08-33A

1шт.

29

1303058C1

ROD

1шт.

30

425-1010

NUT,5/8"-11, G5

3шт.

33

495-81030

WASHER,21/32" x 2" x .179"

21/32 x 2 x 11/64

1шт.

34

186748C1

BRACKET

1шт.

35

186744C1

TUBE,16.7 mm ID, 22.2 mm OD, 289.1 mm Length

1шт.

36

186745C1

SPRING

1шт.

37

186746C1

TUBE

1шт.

38

191461C1

PULLEY,110mm OD

Drive, 11 in OD, See Figure 06-01, Serial Range: -JJC0253999

1шт.

38

389433A1

PULLEY ASSY.

Drive, 11 in OD, See Figure 06-02, Start Serial: JJC0254000

1шт.

39

191241C3

BELT,22.33 mm W x 3302.69 mm L

Over center, Separator Drive

1шт.

40

191452C2

PULLEY

Driven, 14-3/4 in OD

1шт.

43

186749C1

BRACKET

1шт.

44

38-11612

LOCK PIN,1/4" x 3/4", Slotted

1/4" x 3/4", Slotted

1шт.

45

1979908C1

CLIP

2шт.

46

477-73112

SERRATED SCREW,Sl Truss Hd, 5/16" - 18 x 3/4"

2шт.

47

231-5145

SERRATED NUT,Flg, USR, 5/16"-18

2шт.

48

1979527C1

WRENCH-HOOK

1шт.

49

477-73820

SERRATED SCREW,Truss HD, 3/8" - 16 x 1-1/4"

3/8 x 1-1/4

2шт.

50

231-5146

FLANGE NUT,3/8"-16

2шт.

51

1979526C2

HANDLE

1шт.

52

1979751C2

BAR

1шт.

Выбрано товаров: 46