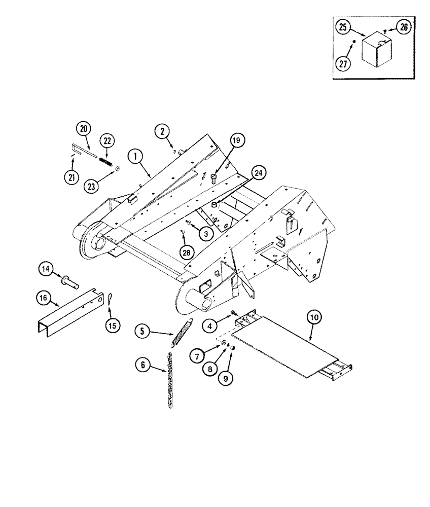
Запчасти Case IH 2366 (09A-20) - FEEDER - SUPPORTS AND LIFT BRACKET (13) - FEEDER

Схема запчастей Case IH 2366 - (09A-20) - FEEDER - SUPPORTS AND LIFT BRACKET (13) - FEEDER
10
5
14
9
2
20
3
16
4
7
26
22
28
15
23
8
19
1
21
24
25
6
27
FIT
1:1
100%

Артикул

Название

Примечание

Количество

1

REF

INSTRUCTION

HOUSING, See Figure(s) 09A-18, 09A-19

1шт.

2

477-73820

SERRATED SCREW,Truss HD, 3/8" - 16 x 1-1/4"

3/8 x 1-1/4

8шт.

3

413-828

BOLT,Hex, 1/2" - 13 x 1-3/4", Gr 5

1шт.

4

413-824

BOLT,Hex, 1/2" - 13 x 1-1/2", Gr 5

4шт.

5

635503R1

SPRING,148.8mm Free Length

2шт.

6

167570C1

CHAIN,203.2mm L

2шт.

7

195-81030

WASHER

17/32 x 1-1/2 x 3/16

4шт.

8

80679

LOCK WASHER,1/20.507 CST ZND

4шт.

9

425-108

NUT,1/2" - 13, Gr 5

4шт.

10

252124A1

SUPPORT

1шт.

14

439-52092

HEADED PIN,1 1/4" x 5 3/4"

1-1/4 x 5-3/4

2шт.

14a

242303A1

PIN

1-1/4 x 6-1/2, Not Illustrated

2шт.

15

432-1632

COTTER PIN,1/4" x 2"

1/4" x 2"

2-4шт.

16

243060A3

STAND

1шт.

19

477-73820

SERRATED SCREW,Truss HD, 3/8" - 16 x 1-1/4"

3/8 x 1-1/4

8шт.

20

243058A3

PIN,9.53mm OD

1шт.

21

432-812

COTTER PIN,3/4" OAL x 1/8" W

3шт.

22

M296

SPRING

1шт.

23

495-11041

WASHER,0.406" ID x 0.812" OD x 0.065" W

(13/32 x 13/16 x 1/16")

1шт.

24

231-5146

FLANGE NUT,3/8"-16

8шт.

25

1327992C2

GUARD

Feeder Sensor, See Figure 04-01

1шт.

26

256873

BOLT,Hex Serr, 5/16" - 18 x 1/2", 5SPL, Full Thd

2шт.

27

488837C1

SPRING NUT

5/16

2шт.

28

415-820

CARRIAGE BOLT,Sht Sq Nk, 1/2" - 13 x 1 1/4", Gr 8

1/2 x 1-1/4; 8

8шт.

Выбрано товаров: 0