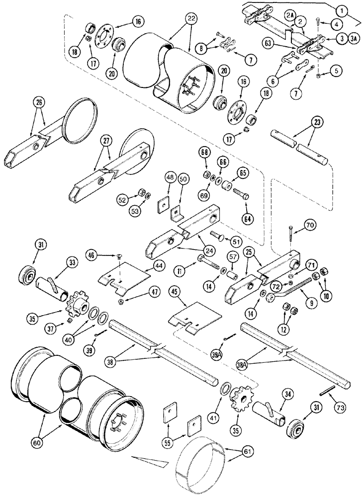
Запчасти Case IH 2366 (09A-22) - FEEDER - CONVEYOR (13) - FEEDER

Схема запчастей Case IH 2366 - (09A-22) - FEEDER - CONVEYOR (13) - FEEDER
38
40
26
20
25
46
52
55
14
12
71
64
38a
57
34
51
1
16
18
68
5
20
17
3a
41
17
11
7
63
14
31
70
53
60
39a
6
66
18
65
39
61
16
37
10
3
35
2a
35
44
69
73
22
8
27
24
7
33
48
9
50
45
23
4
31
2
47
FIT
1:1
100%

Артикул

Название

Примечание

Количество

1

117871A1

CHAIN,Feeder

Conveyor Assy, Smooth Slats, Inc. 2 (12), 3, 4 & 5 (48 ea), 6 (2), Serial Range: -JJC0255699

1шт.

With 54-1/2 Inch Feeder

1шт.

Corn and Grain Combine

1шт.

1

136439A1

CHAIN,Feeder

Conveyor Assy, Smooth Slats, Inc. 2 (12), 3A, 4 & 5 (48 ea), 6 (2), Serial Range: -JJC0255699

1шт.

With 60 Inch Feeder

1шт.

Corn and Grain Combine

1шт.

1

117865A1

CHAIN (AG)

Conveyor Assy, Serrated Slats , Inc. 2A (9), 3, 4 & 5 (36 ea), 6 (2)

1шт.

With 54-1/2 Inch Feeder

1шт.

Corn, Grain and Rice Combine

1шт.

1

136438A1

CHAIN,Feeder

Conveyor Assy, Serrated Slats, Inc. 2A (10), 3A, 4 & 5 (40 ea), 6 (2)

1шт.

With 60 Inch Feeder

1шт.

Corn, Grain and Rice Combine

1шт.

2

118268A1

SLAT

Package, Smooth, Serial Range: -JJC0255699

1шт.

With 54-1/2 Inch Feeder

1шт.

With 47 Inch Feeder

1шт.

2a

118270A1

SLAT

Package, Serrated

1шт.

With 54-1/2 Inch Feeder

1шт.

With 60 Inch Feeder

1шт.

3

107871A1

CHAIN (AG),A557, 69 Links x 41.4mm = 2856.6mm

A557

2шт.

With 54-1/2 Inch Feeder

1шт.

3

107928A1

CHAIN (AG),A557, 69 Links x 41.4mm = 2856.6mm

2шт.

With 54-1/2 Inch Feeder

1шт.

3a

118661A1

CHAIN,A557, 75 Links x 41.4mm = 3105mm

A557

2шт.

With 60 Inch Feeder

1шт.

3a

107929A1

CHAIN (AG),A557, 75 Links x 41.4mm = 3105mm

2шт.

With 60 Inch Feeder

1шт.

4

426-616

BOLT,Hex, 3/8" - 16 x 1", Gr 8

1шт.

5

1306680C1

FLANGE NUT

3/8

1шт.

6

1324294C1

LINK,40.893mm Pitch

A557, Connecting

1шт.

7

1329837C2

PIN,2.63mm OD

1шт.

8

1324835C1

OFFSET LINK

A557, Offset

1шт.

9

176508C1

BOLT,5/8" - 11 x 228.60mm

2шт.

10

425-1010

NUT,5/8"-11, G5

4шт.

11

187218C2

BOLT

1/2 x 1-1/2; 8

2шт.

12

425-1010

NUT,5/8"-11, G5

4шт.

14

396-41066

WASHER,16.66mm ID x 38.1mm OD x 5.05mm Thk

5/8 x 1-1/2 x 3/16

6шт.

16

1330461C1

FLANGED BEARING

4шт.

17

1306680C1

FLANGE NUT

3/8

12шт.

18

557995R11

COLLAR

2шт.

20

84330032

BALL BEARING,31.76mm ID x 62mm OD x 18mm W

2шт.

22

1957437C1

DRUM

1шт.

Without Stone Retarder

1шт.

23

187207C2

SHAFT,31.75mm OD x 909.3mm L

1шт.

24

1338287C3

ARM

3/8

1шт.

With or Without Stone Retarder

1шт.

25

1338288C3

ARM

RH, Models with Smooth Slats

1шт.

With or Without Stone Retarder

1шт.

26

1319875C5

ARM

Left Hand, Models With Serrated Slats

1шт.

With or Without Stone Retarder

1шт.

27

1319876C5

ARM

Right Hand, Models With Serrated Slats

1шт.

With or Without Stone Retarder

1шт.

31

179665C91

BALL BEARING,38.1mm Hex x 85mm OD x 30mm W

2шт.

33

178780C3

SPACER

Left Hand

1шт.

34

178781C3

SPACER

Right Hand

1шт.

35

1970248C1

SPROCKET ASSY.

9T

2шт.

37

197643C1

SET SCREW

4шт.

38

1320160C3

SHAFT

No Longer Used, Order: 1320160C4, Ref. 38A

1шт.

38a

1320160C4

SHAFT

1шт.

39

432-2040

COTTER PIN,5/16" x 2 1/2"

used with 1320160C3 5/16" x 2 1/2"

2шт.

39a

432-2440

COTTER PIN,3/8" x 2 1/2"

used with 1320160C4 3/8" x 2 1/2", Serial Range: -JJC0254999

1шт.

39a

38-12440

LOCK PIN,3/8" x 2 1/2", Slotted

Spring, 2-1/1 x 3/4, Start Serial: JJC0255000

1шт.

40

495-81093

WASHER,45.24mm ID x 63.5mm OD x 3.4mm Thk

1-3/4 x 2-1/2 x 1/8

1шт.

41

495-81092

WASHER,1-7/8" ID x 2-1/2" OD x 1/16" Thk

1-25/32 x 2-1/2 x 3/64

1шт.

1300464C91

PACKAGE

Inc. 44 - 47

1шт.

44

185818C1

STRIPPER ASSY.

Left Hand

1шт.

45

185819C1

STRIPPER ASSY.

Right Hand

1шт.

46

477-73812

SERRATED SCREW,Truss HD, 3/8" - 16 x 3/4"

3/8 x 3/4

4шт.

47

231-5146

FLANGE NUT,3/8"-16

4шт.

48

187347C1

PLATE

2шт.

Without Stone Retarder

1шт.

50

1345418C2

BRACKET

2шт.

51

433-1036

CARRIAGE BOLT,Sq Nk, 5/8" - 11 x 2 1/4", Gr 5

5/8 x 2-1/4

2шт.

52

425-1010

NUT,5/8"-11, G5

2шт.

53

492-11062

BEARING WASHER,5/8"

2шт.

55

187225C1

BAR

2шт.

With Stone Retarder

1шт.

57

187217C1

SPACER,7/8" Tube x 1 13/16"

2шт.

60

1957439C3

ROLLER

1шт.

With Stone Retarder

1шт.

61

112047A2

KIT

Inc. 62, Service Repair Only 1957439C3

1шт.

With Stone Retarder

1шт.

62

112046A2

PROTECTION STRIP

Not Illustrated

4шт.

63

1989692C1

LINK,A557, 3 Links

Attaching

1шт.

65

197211C1

SPACER

2шт.

64

189709C1

BOLT,Hex, 1/2" - 13 x 3"

2шт.

66

495-81162

WASHER,17/32" x 1 1/2" x .179"

17/32 x 1-1/2 x 11/64

2шт.

68

425-108

NUT,1/2" - 13, Gr 5

2шт.

69

80679

LOCK WASHER,1/20.507 CST ZND

2шт.

70

326-656

BOLT,Hex, 3/8" - 16 x 3-1/2", Gr 8

2шт.

71

314148R1

SPACER,10.7mm ID x 17.14mm OD x 11.9mm L

2шт.

72

231-1446

NUT,3/8" - 16, Gr 5

2шт.

73

402485A1

PIN,9.53mm OD x 61mm L

JJC0254000 to

1шт.

Выбрано товаров: 92