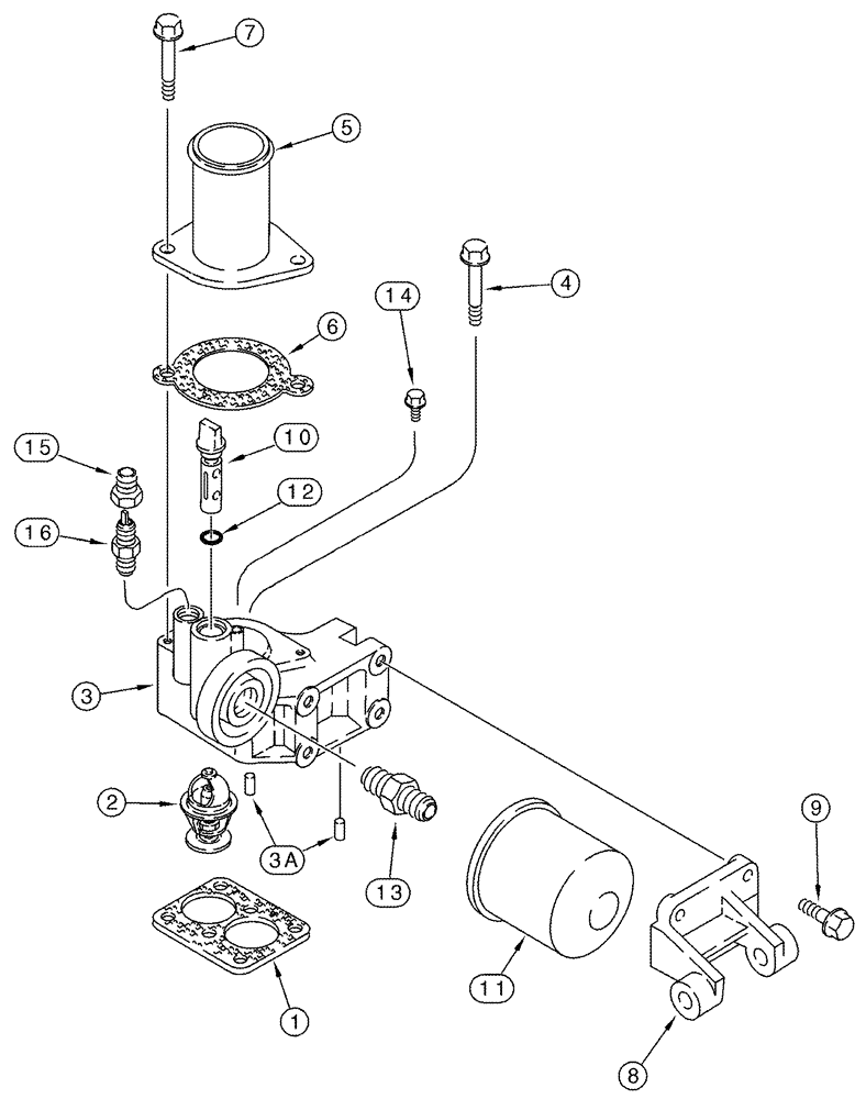
Запчасти Case IH 2366 (02-21[01]) - HOUSING, THERMOSTAT - FILTER, WATER - BSN JJC0255700 (01) - ENGINE

Схема запчастей Case IH 2366 - (02-21[01]) - HOUSING, THERMOSTAT - FILTER, WATER - BSN JJC0255700 (01) - ENGINE
12
8
9
3
2
3a
15
14
16
13
11
4
1
6
7
10
5
FIT
1:1
100%

Артикул

Название

Примечание

Количество

1

J914310

GASKET,0.8mm Thk

1шт.

2

J928639

THERMOSTAT

, Serial Range: -JJC0255699

1шт.

2

J940632

THERMOSTAT

Inc. 238-5227 (2), Start Serial: JJC0255700

1шт.

J926509

HOUSING,Thermostat

Includes 3, 3A

1шт.

3

NSS

NOT SOLD SEPARAT

HOUSING, Order J926509

1шт.

3a

180811A1

ROLL PIN

2шт.

4

845-8080

BOLT,Hvy Hex, M8 x 80mm, Cl 8.8

2шт.

5

J912800

CONNECTION

1шт.

6

J918779

GASKET,1.19mm Thk

1шт.

7

845-8095

BOLT,Hvy Hex, M8 x 95mm, Cl 8.8

2шт.

8

J918544

SUPPORT

1шт.

9

845-8025

BOLT,Hex Flg, M8 x 25mm, Cl 8.8

4шт.

10

J912837

COCK

No Longer Used, Order 294926A1

1шт.

10

294926A1

SHUT-OFF VALVE

Replaces J912837

1шт.

11

A77544

FILTER

1шт.

12

238-5111

O-RING,0.103" Thk x 0.424" ID, -111, Cl 5, 75 Duro

1шт.

13

A77623

ADAPTER,3/4" - 10 x 11/16" - 16

1шт.

14

845-6010

BOLT,Hvy Hex, M6 x 10mm, Cl 8.8

1шт.

15

J911925

COUPLING

1шт.

16

J911901

VALVE, CHECK

1шт.

Выбрано товаров: 20