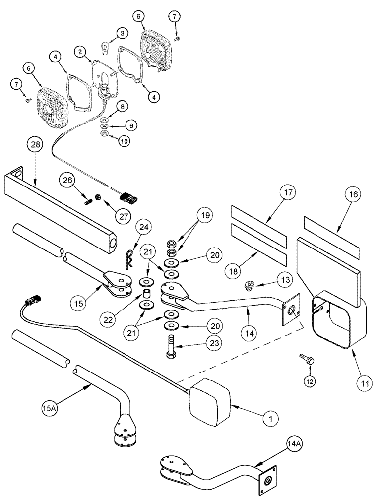
Запчасти Case IH 2377 (04-42) - LAMP ASSY - FLASHERS, SIDE (06) - ELECTRICAL

Схема запчастей Case IH 2377 - (04-42) - LAMP ASSY - FLASHERS, SIDE (06) - ELECTRICAL
4
14
15a
26
16
23
9
15
6
19
7
22
18
3
8
28
10
14a
2
20
20
27
12
17
7
4
13
11
21
24
6
1
21
FIT
1:1
100%

Артикул

Название

Примечание

Количество

1

398378A1

LAMP,Halogen, 12V, 32W, Clear

Inc. 2 - 10

2шт.

2

NSS

NOT SOLD SEPARAT

Body

1шт.

3

A41264

BULB,#1156, 12V

1шт.

4

A43731

GASKET

2шт.

A44202

KIT

Inc. 6, 7

1шт.

6

NSS

NOT SOLD SEPARAT

Lens

2шт.

7

187-1083

SELF-TAP SCREW,Cross Pan Hd, #8 x 5/8"

No. 8 x 5/8

8шт.

8

495-11053

WASHER,1/2", SAE

(17/32" x 1-1/16" x 3/32")

1шт.

9

80679

LOCK WASHER,1/20.507 CST ZND

1шт.

10

425-118

NUT,1/2"-20, G5

1шт.

11

390636A1

BRACKET

2шт.

12

409-7512

BOLT,Hex Flg, 5/16" - 18 x 3/4", Spcl

4шт.

13

231-5145

SERRATED NUT,Flg, USR, 5/16"-18

4шт.

14

86991379

TUBE

Marker Lamp, Outer

2шт.

15

86991378

ARM

Marker Lamp, Inner

2шт.

16

311864A1

REFLECTOR

Amber

2шт.

17

311863A1

REFLECTOR

Red

2шт.

18

311865A1

REFLECTOR

Orange

2шт.

19

231-4146

NUT,3/8"-16, GB

4шт.

20

495-81143

WASHER,13/32" x 1 1/2" x .120"

4шт.

21

403388A1

WASHER

1-1/8 x 3/8 x 1/8, Nylon

8шт.

22

87036413

SPACER,10.34mm ID x 15.88mm OD x 23.8mm L

5/8 x 15/16

2шт.

23

413-652

BOLT,Hex, 3/8" - 16 x 3-1/4", Gr 5

2шт.

24

480523R1

HAIR PIN COTTER

2шт.

25

473321C1

CABLE TIE,8" OAL x 0.098" W

CABLE STRAP

4шт.

26

485-13816

SET SCREW,Sq Hd, 3/8"-16 x 1"

4шт.

26

9706726

BOLT,Hex Flg, 3/8" - 16 x 1"

4шт.

26

477-73816

SERRATED SCREW,Sl Truss Hd, 3/8" x 1"

4шт.

27

425-106

NUT,3/8"-16, Cl 5

4шт.

27

231-5146

FLANGE NUT,3/8"-16

(5)

8шт.

28

403052A2

BRACKET

2шт.

Выбрано товаров: 31