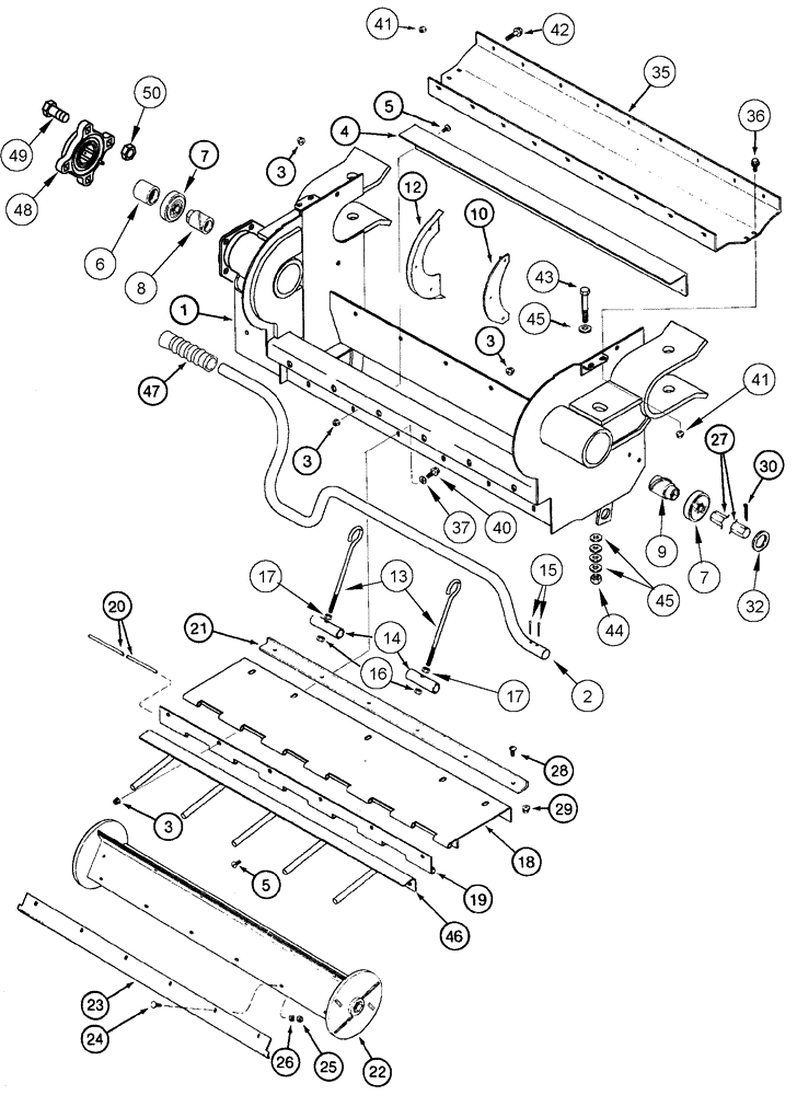
Запчасти Case IH 2377 (09A-19) - ROCK TRAP (13) - FEEDER

Схема запчастей Case IH 2377 - (09A-19) - ROCK TRAP (13) - FEEDER
24
49
22
41
7
17
10
7
4
26
3
15
19
21
5
50
23
6
35
8
40
45
20
37
1
47
29
9
42
27
41
3
46
3
16
36
43
28
18
32
25
44
30
45
3
12
14
5
13
48
2
17
FIT
1:1
100%

Артикул

Название

Примечание

Количество

389585A1

STONE TRAP

Incl. 1 - 23, 24 - 28, 30, 32, 48 - 50

1шт.

1

386208A1

HOUSING

1шт.

2

241654A1

STEM

Rod Door Latch

1шт.

3

231-5145

SERRATED NUT,Flg, USR, 5/16"-18

37шт.

4

1320278C1

BRACKET

1шт.

5

477-73112

SERRATED SCREW,Sl Truss Hd, 5/16" - 18 x 3/4"

15шт.

6

162172C1

SPACER

1-13/16 x 2-1/4 x 1-15/16

1шт.

7

179665C91

BALL BEARING,38.1mm Hex x 85mm OD x 30mm W

2шт.

8

390631A1

SPACER

LH

1шт.

9

390632A1

SPACER

RH

1шт.

10

1320254C1

PLATE

Two Stud

2шт.

12

195202C1

SEAL

2шт.

13

131950A1

STEM

Rod

2шт.

14

131964A1

TUBE,19.05 mm ID, 25.4 mm OD, 90 mm Length

Pivot

2шт.

15

432-1224

COTTER PIN,3/16" x 1-1/2"

2шт.

16

231-4146

NUT,3/8"-16, GB

2шт.

17

425-106

NUT,3/8"-16, Cl 5

2шт.

241643A2

TRAP DOOR

Inc. 18 - 20

1шт.

18

NSS

NOT SOLD SEPARAT

Door

1шт.

19

243445A1

HINGE

1шт.

20

1320120C1

ROD

1шт.

21

1324881C1

ANGLE

1шт.

22

1319832C2

DRUM

1шт.

23

1324437C1

EXTENSION

Smooth

3шт.

23a

1320922C2

BLADE

Serrated, Not Illustrated

1шт.

24

434-624

CARRIAGE BOLT,Sht Sq Nk, 3/8" - 16 x 1 1/2", Gr 5

3/8 X 1-1/2

18шт.

25

425-106

NUT,3/8"-16, Cl 5

18шт.

26

492-11038

LOCK WASHER,3/8"

18шт.

27

389022A1

SHAFT

1шт.

28

477-73812

SERRATED SCREW,Truss HD, 3/8" - 16 x 3/4"

3/8 x 3/4

6шт.

29

231-5146

FLANGE NUT,3/8"-16

6шт.

30

432-2040

COTTER PIN,5/16" x 2 1/2"

5/16" x 2 1/2"

2шт.

32

495-81093

WASHER,45.24mm ID x 63.5mm OD x 3.4mm Thk

1-3/4 x 2-1/2 x 1/8

2шт.

35

1327926C4

COVER

1шт.

36

409-7616

BOLT,Hex Flg, 3/8" - 16 x 1", Spcl

4шт.

36

409-7620

BOLT,Hex Flg, 3/8" - 16 x 1 1/4", Spcl

6шт.

37

495-81135

WASHER,10.31mm ID x 25.4mm OD x 3.4mm Thk

8шт.

40

409-7516

BOLT,Hex Flg, 5/16" - 18 x 1", Spcl

9шт.

41

231-5146

FLANGE NUT,3/8"-16

30шт.

41

1306680C1

FLANGE NUT

3/8

4шт.

42

409-7612

BOLT,3/8"-16 x 1.09" OAL

8шт.

43

326-16128

BOLT,Hex, 1" - 8 x 8", Gr 8

If used

2шт.

43

426-16104

BOLT,Hex, 1" - 8 x 6-1/2", Gr 8

If Used

2шт.

44

231-42116

LOCK NUT,1"-8, GB

1 in; 8

2шт.

45

495-11106

WASHER,1", SAE

(1-1/16 x 2 x 1/8")

10шт.

46

1320776C1

SUPPORT

1шт.

47

283483A1

GRIP

1шт.

48

389588A1

BEARING ASSY,30.84 mm

1шт.

49

409-7824

BOLT,Hex Flg, 1/2" - 13 x 1 1/2", Spcl

1/2 x 1-1/2

4шт.

50

231-5148

FLANGE NUT,Flg, USR, 1/2"-13

4шт.

Выбрано товаров: 50