Запчасти Case IH 2377 (09B-19) - CONCAVES - CONTROL (14) - ROTOR, CONCANVES & SIEVE

Схема запчастей Case IH 2377 - (09B-19) - CONCAVES - CONTROL (14) - ROTOR, CONCANVES & SIEVE
33
12
27
37
11
10
13
9
26
24
4
6
35
8
3
18
17
14
30
36
35
23
11
7
36
29
1
28
21
16
15
19
31
34
31
32
5
22
2
25
32
20
FIT
1:1
100%

Артикул

Название

Примечание

Количество

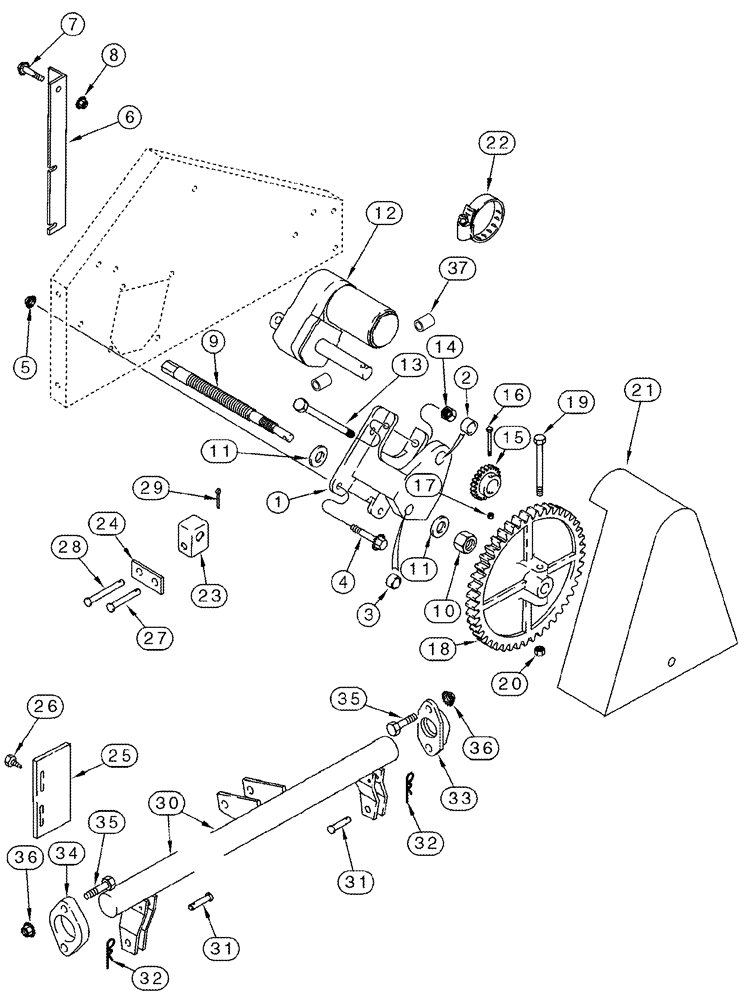
1

142607A2

HOUSING

Inc. 2, 3

1шт.

2

551068R1

BUSHING,22.28mm ID x 25.43mm OD x 22.23mm L

2шт.

3

568921R1

BUSHING,15.9mm ID x 19.02mm OD x 22.23mm L

1шт.

4

409-7620

BOLT,Hex Flg, 3/8" - 16 x 1 1/4", Spcl

2шт.

4

409-7624

BOLT,Hex Flg, 3/8" - 16 x 1 1/2", Spcl

3/8 x 1-1/4

2шт.

5

231-5146

FLANGE NUT,3/8"-16

4шт.

6

185779A2

SUPPORT

1шт.

7

409-7616

BOLT,Hex Flg, 3/8" - 16 x 1", Spcl

1шт.

8

231-5146

FLANGE NUT,3/8"-16

1шт.

9

131436A2

SHAFT

1шт.

10

232-41110

NUT,5/8"-11, GC

1шт.

11

496-11066

WASHER,21/32" x 1 5/16" x .095", HDN

2шт.

12

143239A2

MOTOR, ELECTRIC

Concave Control

1шт.

12

143239A2R

REMAN-ELECTRIC MOTOR

2377, BTW HAJ292001 & HAJ300000

1шт.

12

143239A2C

CORE-ELECTRIC MOTOR

Return Number

1шт.

13

413-880

BOLT,Hex, 1/2" - 13 x 5", Gr 5

1/2 x 5

1шт.

14

231-1448

NUT,1/2"-13, GB

1шт.

15

135406A2

GEAR

20T, Driver

1шт.

16

413-428

BOLT,Hex, 1/4" - 20 x 1-3/4", Gr 5

.25 X 1.75 UNC GR5 YZD

1шт.

17

230-4214

LOCK NUT,1/4"-20, GA

1шт.

18

135410A2

GEAR

70T, Driven

1шт.

19

413-436

BOLT,Hex, 1/4" - 20 x 2-1/4", Gr 5

1шт.

20

230-4214

LOCK NUT,1/4"-20, GA

1шт.

21

144528A1

SHIELD

1шт.

22

214-1540

HOSE CLAMP,#40, 2.06" - 3", Type F Worm, W/ Liner

1шт.

23

192886C1

NUT

1шт.

24

192888C1

PLATE

Concave Control

2шт.

25

188168C1

PLATE

Concave Indicator

1шт.

26

276-1458

SELF-TAP SCREW,Hex Hd, #10 x 1/2"

2шт.

27

439-1848

HEADED PIN,1/2" x 3"

1/2 x 3; 2

1шт.

28

439-1838

HEADED PIN,1/2" x 2 3/8"

1/2 x 2-3/8; 2

1шт.

29

432-1216

COTTER PIN,3/16" x 1"

2шт.

30

191422C2

LEVER

1шт.

31

439-1823

HEADED PIN,12.7mm OD x 22.23mm L

1/2 x 1-7/16; 2

2шт.

32

432-1216

COTTER PIN,3/16" x 1"

2шт.

33

188351C1

HUB

1шт.

34

192890C2

HUB

1шт.

35

413-824

BOLT,Hex, 1/2" - 13 x 1-1/2", Gr 5

4шт.

36

231-5148

FLANGE NUT,Flg, USR, 1/2"-13

4шт.

37

87036416

SPACER,13.51mm ID x 19.05mm OD x 26.97mm L

2шт.

Выбрано товаров: 40