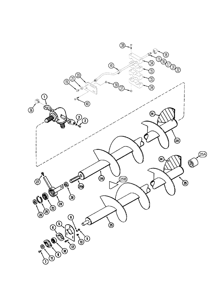
Запчасти Case IH 2377 (09E-12) - UNLOADER - AUGER, UPPER (17) - GRAIN TANK & UNLOADER

Схема запчастей Case IH 2377 - (09E-12) - UNLOADER - AUGER, UPPER (17) - GRAIN TANK & UNLOADER
1
7
38
31
34
36
12
32
25
25a
5
37
25b
2
35
26a
26
30
30
28
17
15
18
23
40
29
8
16
24
25
10
41
27
9
19
35
3
13
8
28
6
20
21
34
39
26
11
FIT
1:1
100%

Артикул

Название

Примечание

Количество

1

1347351C2

GEARBOX,Bearing, Upper Unloading Assembly

1шт.

See Figure 09E-16

1шт.

1347351C2R

REMAN-GEARBOX

2377 BTW HAJ292001&HAJ300000 (11/04-)

1шт.

1347351C2C

CORE-TRANSMISSION

Return Number

1шт.

2

426-612

BOLT,Hex, 3/8" - 16 x 3/4", Gr 8

4шт.

3

492-11038

LOCK WASHER,3/8"

4шт.

5

182838C1

SUPPORT

1шт.

6

50591

FLANGE,52mm

2шт.

7

434-512

CARRIAGE BOLT,Sht Sq Nk, 5/16" - 18 x 3/4", Gr 5

2шт.

8

492-11031

LOCK WASHER,5/16"

2шт.

9

425-105

NUT,5/16"-18, G5

2шт.

10

160796C91

BALL BEARING,25.4mm ID x 51.99mm OD x 16.56mm W

1шт.

11

87315151

COLLAR,25.48mm ID x 37.8mm OD x 12.7mm L

1шт.

12

409-7516

BOLT,Hex Flg, 5/16" - 18 x 1", Spcl

3шт.

13

231-5145

SERRATED NUT,Flg, USR, 5/16"-18

3шт.

15

1339004C1

HOSE,3.17mm ID x 1778mm L

Grease, 1778 mm (70 in)

2шт.

16

430376A1

HOSE

Grease, 1935 mm (76 in)

1шт.

17

428284A1

HOSE

Grease, 1720 mm (68 in)

1шт.

18

219-438

ADAPTER,45 Degree, 1/4"-1/8 NPTF

1/4-28 tpr x 13/16

2шт.

19

219-8

LUBE NIPPLE,1/4" - 28 NPTF

5шт.

20

418495A1

BRACKET

Lube Bank

1шт.

21

F53473

LOCK NUT,1/8-27 NPSM

1/8 PT

5шт.

23

203389C91

BALL BEARING,25.43mm Hex x 62mm OD x 24mm W

1шт.

24

1317859C1

SUPPORT

1шт.

25

199018A2

AUGER

172 in, Rear Split

1шт.

25

199023A2

AUGER

208 in, Rear Split, Inc. 25A, 25B

1шт.

25a

198994A1

HUB

End

1шт.

25b

220336A1

STIFFENER

1шт.

26

198987A2

AUGER

172/208 in, Front Split

1шт.

26

282176A2

AUGER

208 in, Front Split, Extended Wear

1шт.

26a

220040A2

SHAFT

152 mm (6 in)

1шт.

27

409-7512

BOLT,Hex Flg, 5/16" - 18 x 3/4", Spcl

2шт.

28

1277949C1

SPACER

4шт.

29

360936R1

RING

1шт.

30

182587A1

KIT

Unloader Auger Reinforcements

1шт.

31

428294A1

HOSE

Grease, 1925 mm (76 in)

1шт.

32

1345098C1

HOSE

Grease, 1524 mm (60 in)

1шт.

34

429629A1

CLAMP

2шт.

35

419590A1

CLAMP

2шт.

36

219-439

ADAPTER,90 Degree, 1/4"-1/8 NPTF

3шт.

37

231-5144

SERRATED NUT,Flg, USR, 1/4"-20

2шт.

38

413-448

BOLT,Hex, 1/4" - 20 x 3", Gr 5

3 x 1/4

2шт.

39

231-5145

SERRATED NUT,Flg, USR, 5/16"-18

6шт.

39

231-5146

FLANGE NUT,3/8"-16

12шт.

40

477-73112

SERRATED SCREW,Sl Truss Hd, 5/16" - 18 x 3/4"

2шт.

41

515-23381

CLAMP,1 1/2", Insul, 3/8" Bolt

, Serial Range: -HAJ0295001

1шт.

41

515-23412

CLAMP,1 5/8", Insul, 3/8" Bolt

, Start Serial: HAJ0295001

1шт.

Выбрано товаров: 47