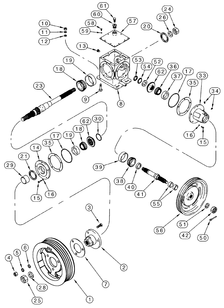
Запчасти Case IH 2377 (09F-05) - STRAW CHOPPER - HOUSING, GEAR (19) - STRAW SPREADER & CHOPPER

Схема запчастей Case IH 2377 - (09F-05) - STRAW CHOPPER - HOUSING, GEAR (19) - STRAW SPREADER & CHOPPER
28
26
29
35
11
41
39
17
12
24
15
15
51
7
33
54
36
55
34
4
5
61
59
10
57
62
14
18
18
30
20
42
54
6
62
60
25
17
37
9
16
52
16
19
13
1
40
19
8
21
23
58
35
50
38
2
56
FIT
1:1
100%

Артикул

Название

Примечание

Количество

419764A1

GEARBOX

Inc. 8, 13 - 23, 29 - 41, 52 - 54, 57 - 62

1шт.

419764A1R

REMAN-REDUCTION UNIT

2377 CASE IH AXIAL-FLOW COMBINE (NA) BTW HAJ292001&HAJ300000 (11/04-)

1шт.

419764A1C

CORE-REDUCTION UNIT

Return Number

1шт.

1

364320A2

PULLEY,384.8mm OD

Drive, 15 OD, 5 Groove Pulley

1шт.

2

181211C1

HUB

1шт.

3

566206R2

BOLT,5/8" - 18 x 2.38", Class 8

3шт.

4

429-1110

NUT,5/8"-18, G8

3шт.

5

492-21062

LOCK WASHER,5/8"

3шт.

6

496-41066

WASHER,5/8" ID x 1-1/2" OD x 3/16" Thk

3шт.

7

181363C1

SHIM

0,06 in

1шт.

8

181278C1

BEARING HOUSING

1шт.

9

433-828

CARRIAGE BOLT,Sq Nk, 1/2" - 13 x 1 3/4", Gr 5

1/2 x 1-3/4

6шт.

10

425-108

NUT,1/2" - 13, Gr 5

6шт.

11

80679

LOCK WASHER,1/20.507 CST ZND

6шт.

12

496-41053

WASHER,13.49mm ID x 31.75mm OD x 5.05mm Thk

6шт.

13

86568834

PLUG,1/4" - 18 NPT

2шт.

14

181274C1

BEARING HOUSING,79.375 mm ID x 177.8 mm OD x 38.1 mm

1шт.

15

413-620

BOLT,Hex, 3/8" - 16 x 1-1/4", Gr 5

10шт.

16

492-11038

LOCK WASHER,3/8"

10шт.

17

238-5250

O-RING,0.139" Thk x 4.984" ID, -250, Cl 5, 75 Duro

2шт.

18

298029R91

BEARING ASSY,47.63mm ID x 22.23mm W

2шт.

19

ST874A

TAPERED BEARING,90.03mm OD x 16mm W

2шт.

20

181287C1

SEAL,47.65mm ID x 79.5mm OD x 9.53mm Thk

Front

1шт.

21

181288C1

SEAL,60.33mm ID x 79.5mm OD x 9.53mm Thk

Rear

1шт.

23

411043A1

SHAFT

1шт.

24

231-42116

LOCK NUT,1"-8, GB

1 in

1шт.

25

231-41120

NUT,1 1/4"-7, GB

1шт.

26

496-21106

WASHER,1 1/16" x 2" x .209", HDN

1шт.

28

87301675

WASHER,1.38" ID x 2.5" OD x 0.25" Thk

1-3/8 x 2-1/2 x 1/4

1шт.

29

181269C1

SPACER

1шт.

1315284C1

PACKAGE

Inc. 30

1шт.

30

181255C1

SNAP RING

Ring Snap, 2,59 mm (0,102 in)

1шт.

30

181256C1

RING, SNAP

RING SNAP 2,67 mm (0,105 in)

1шт.

30

181257C1

RING, SNAP

RING SNAP 2,74 mm (0,108 in)

1шт.

30

181258C1

RING, SNAP

RING SNAP 2,82 mm (0,111 in)

1шт.

30

181259C1

RING, SNAP

RING SNAP 2,89 mm (0,114 in)

1шт.

30

181260C1

RING, SNAP

RING SNAP 2,97 mm (0,117 in)

1шт.

30

181261C1

RING, SNAP

RING SNAP 3,05 mm (0,120 in)

1шт.

30

181262C1

RING, SNAP

RING SNAP 3,12 mm (0,123 in)

1шт.

30

181263C1

RING, SNAP

RING SNAP 3,20 mm (0,126 in)

1шт.

30

181264C1

RING, SNAP

RING SNAP 3,28 mm (0,129 in)

1шт.

30

181265C1

RING, SNAP

RING SNAP 3,35 mm (0,132 in)

1шт.

30

181266C1

RING, SNAP

RING SNAP 3,43 mm (0,135 in)

1шт.

33

191245C2

HUB

1шт.

34

217-84

PLUG,Hex Hd, 1/8"-27, Brass

1/8 PT

2шт.

195484C2

SHIM KIT

Inc. 35

1шт.

35

194548C1

SHIM,135.1mm ID x 177.8mm OD x 0.13mm Thk

0.005

4шт.

35

194549C1

SHIM,135.1mm ID x 177.8mm OD x 0.18mm Thk

0.007

4шт.

35

194550C1

SHIM,135.1mm ID x 177.8mm OD x 0.5mm Thk

0.020

2шт.

36

ST2071

TAPERED BEARING,34.92mm ID x 23.81mm W

1шт.

37

17498D

TAPERED BEARING," ID x 76.2125 mm OD x 23.9135 mm

1шт.

38

618023R91

BEARING ASSY,34.93mm ID x 18.2mm W

1-3/8 inch ID

1шт.

39

618024R1

BEARING CUP,65.113mm OD x 13.97mm W

2-1/2 OD

1шт.

40

192527C1

OIL SEAL,44.45mm ID x 69.95mm OD x 7.92mm Thk

1шт.

41

181195C1

SHAFT

1шт.

42

425-1314

SLOTTED NUT,7/8"-14, G5

1шт.

50

432-828

COTTER PIN,1/8" x 1 3/4"

1шт.

51

496-21094

WASHER,23.82mm ID x 44.45mm OD x 4.85mm Thk

1шт.

52

396-11119

WASHER,30.18mm ID x 57.15mm OD x 3.4mm Thk

1-3/16 x 2-1/4 x 9/64

1шт.

53

54-2006

BEARING LOCK NUT,Bearing, 1.1811" Bore

TN-06

1шт.

54

55-2006

BEARING WASHER,Type TW-106

1шт.

55

181156C2

SPACER

Spacer

2шт.

56

1315264C1

PULLEY

Chopper Drive & Driven Dual, 7 in OD, 14 in OD

1шт.

57

181281C1

COVER

1шт.

58

413-512

BOLT,Hex, 5/16" - 18 x 3/4", Gr 5

10шт.

59

492-11031

LOCK WASHER,5/16"

10шт.

60

217-46

REDUCER,3/4" - 14 NPTF x 3/8" - 18 Fem NPTF

1шт.

61

219-436

BREATHER,3/8" - 18 NPT, Short, W/ Washer

1шт.

188814C1

BEVEL GEAR

Set, Cut Bevel, If Used, Inc. 62

1шт.

62

181280C1

BEVEL GEAR

23T

1шт.

62

181279C1

BEVEL GEAR

24T

1шт.

243333A1

BEVEL GEAR

Forged Bevel, If Used, Inc. 62

1шт.

62

NSS

NOT SOLD SEPARAT

Gear

1шт.

62

NSS

NOT SOLD SEPARAT

Gear

1шт.

Выбрано товаров: 74