Запчасти Case IH 2388 (06-26) - AXLE ASSY - DRIVE (03) - POWER TRAIN

Схема запчастей Case IH 2388 - (06-26) - AXLE ASSY - DRIVE (03) - POWER TRAIN
21
14
3
5
5a
12
1
10
5
18
4
17
8
16
18
7
20
1a
9
15
6
13
10
22
6
24
2
11
FIT
1:1
100%

Артикул

Название

Примечание

Количество

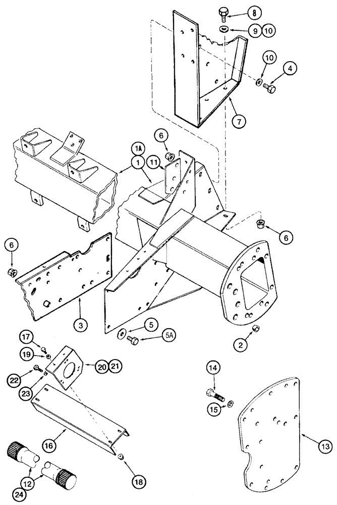
1

136416A4

AXLE

1шт.

Models with Wheels

1шт.

1

136416A5

AXLE

12 Row Ready

1шт.

Models with Wheels

1шт.

1a

136417A3

AXLE

1шт.

Models with Track Attachment

1шт.

2

135314A1

BUSHING,20.1mm ID x 21.75mm OD x 12.7mm L

4шт.

3

REF

INSTRUCTION

SUPPORT, RH Shown, See Figure(s) 09H-03, Ref. 10; 09H-04, Ref. 9

1шт.

4

426-1020

BOLT,Hex, 5/8" - 11 x 1-1/4", Gr 8

1шт.

4

426-1036

BOLT,Hex, 5/8" - 11 x 2-1/4", Gr 8

1шт.

5

137339A2

WASHER,21mm ID x 33.5mm OD x 4mm Thk

22 x 34 x 3.4 mm

1шт.

Models with Track Attachment

1шт.

5a

627-20060

BOLT,Hex, M20 x 2.5 x 60mm, Cl 10.9, Full Thd

1шт.

6

232-51310

FLANGE NUT,Flg, USR, 5/8"-12

1шт.

7

REF

INSTRUCTION

SEPARATOR, RH Shown, See Figure(s) 09H-03, Ref. 4; 09H-04, Ref. 7

1шт.

8

326-1024

BOLT,Hex, 5/8" - 11 x 1-1/2", Gr 8

1шт.

9

396-41066

WASHER,16.66mm ID x 38.1mm OD x 5.05mm Thk

If Used

1шт.

10

496-11066

WASHER,21/32" x 1 5/16" x .095", HDN

1шт.

11

236510A1

PLATE

Reinforcement

2шт.

12

REF

INSTRUCTION

SHAFT, Axle, Drive, 748 mm, See Figure 06-28

2шт.

Models with Wheels

1шт.

13

186832C2

PLATE

Pivot Support

2шт.

Models with Track Attachment

1шт.

14

827-20070

BOLT,Hex, M20 x 2.5 x 70mm, Cl 10.9

14шт.

Models with Track Attachment

1шт.

15

137339A2

WASHER,21mm ID x 33.5mm OD x 4mm Thk

22 x 34 x 3.4 mm

14шт.

Models with Track Attachment

1шт.

16

1338130C1

SHIELD

2шт.

Models with Track Attachment

1шт.

17

413-612

BOLT,Hex, 3/8" - 16 x 3/4", Gr 5

4шт.

Models with Track Attachment

1шт.

18

231-5146

FLANGE NUT,3/8"-16

4шт.

Models with Track Attachment

1шт.

19

495-11041

WASHER,0.406" ID x 0.812" OD x 0.065" W

4шт.

Models with Track Attachment

1шт.

20

186016C4

SUPPORT

LH

1шт.

Models with Track Attachment

1шт.

21

186017C4

SUPPORT

RH

1шт.

Models with Track Attachment

1шт.

22

614-10025

BOLT,Hex, M10 x 1.5 x 25mm, Cl 8.8

6шт.

Models with Track Attachment

1шт.

23

895-11010

WASHER,11mm ID x 20mm OD x 2mm Thk

6шт.

Models with Track Attachment

1шт.

24

242853A1

SHAFT

Drive, 770 mm, See Figure 06-28

2шт.

Models with Track Attachment

1шт.

Выбрано товаров: 45