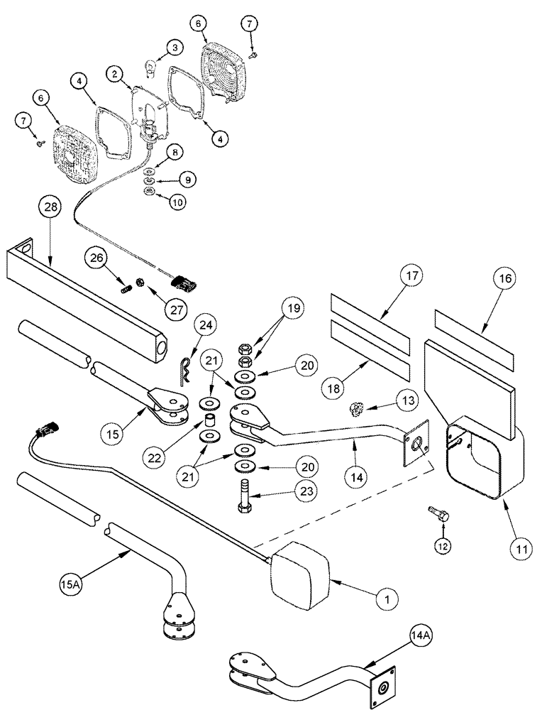
Запчасти Case IH 2388 (04-45) - LAMP ASSY - FLASHERS, SIDE ASN JJC0268800 (06) - ELECTRICAL

Схема запчастей Case IH 2388 - (04-45) - LAMP ASSY - FLASHERS, SIDE ASN JJC0268800 (06) - ELECTRICAL
11
6
1
7
19
12
22
26
13
10
24
14a
14
6
20
8
3
7
20
16
2
4
21
27
23
21
15
9
4
18
28
17
15a
FIT
1:1
100%

Артикул

Название

Примечание

Количество

1

398378A1

LAMP,Halogen, 12V, 32W, Clear

Includes 2 - 10

2шт.

2

NSS

NOT SOLD SEPARAT

Body

1шт.

3

A41264

BULB,#1156, 12V

1шт.

4

A43731

GASKET

2шт.

A44202

KIT

Includes 6, 7

1шт.

6

NSS

NOT SOLD SEPARAT

Lens

2шт.

7

187-1083

SELF-TAP SCREW,Cross Pan Hd, #8 x 5/8"

8шт.

8

495-11053

WASHER,1/2", SAE

1шт.

9

80679

LOCK WASHER,1/20.507 CST ZND

1шт.

10

425-118

NUT,1/2"-20, G5

1шт.

11

390636A1

BRACKET

2шт.

12

409-7512

BOLT,Hex Flg, 5/16" - 18 x 3/4", Spcl

4шт.

13

231-5145

SERRATED NUT,Flg, USR, 5/16"-18

4шт.

14

398043A2

ARM

Marker Lamp, Outer, Serial Range: -JJC0272999

2шт.

14a

86991379

TUBE

Marker Lamp, Outer, Start Serial: JJC0273000

2шт.

15

403387A1

TUBE

Marker Lamp, Inner, Serial Range: -JJC0272999

2шт.

15a

86991378

ARM

Marker Lamp, Inner, Start Serial: JJC0273000

2шт.

16

311864A1

REFLECTOR

Amber

2шт.

17

311863A1

REFLECTOR

Red

2шт.

18

311865A1

REFLECTOR

Orange

2шт.

19

231-4146

NUT,3/8"-16, GB

4шт.

20

495-81143

WASHER,13/32" x 1 1/2" x .120"

4шт.

21

403388A1

WASHER

1-1/8" x 3/8" x 1/8", Nylon

8шт.

22

186646C1

SPACER,5/8" Tube x 15/16"

2шт.

23

413-648

BOLT,Hex, 3/8" - 16 x 3", Gr 5

2шт.

24

480523R1

HAIR PIN COTTER

2шт.

25

473321C1

CABLE TIE,8" OAL x 0.098" W

CABLE STRAP

1шт.

26

485-13816

SET SCREW,Sq Hd, 3/8"-16 x 1"

4шт.

27

425-106

NUT,3/8"-16, Cl 5

4шт.

28

403052A2

BRACKET

2шт.

Выбрано товаров: 30