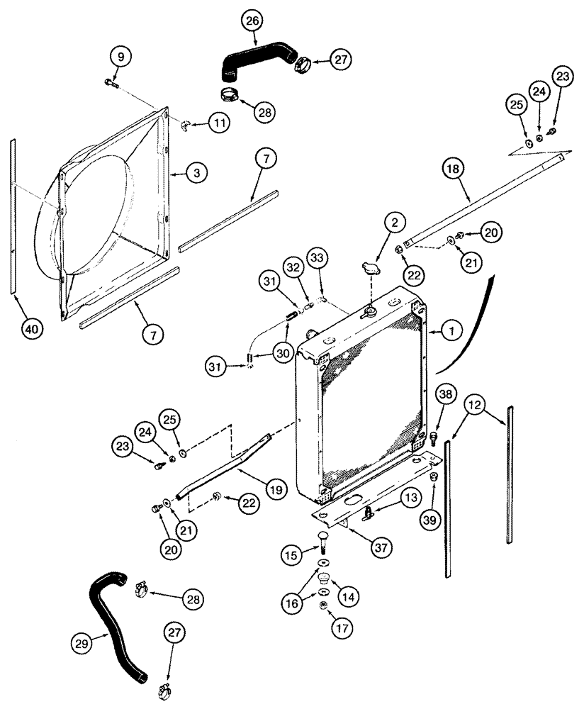
Запчасти Case IH 2388 (02-01) - RADIATOR - FAN SHROUD - BSN JJC0273000 (01) - ENGINE

Схема запчастей Case IH 2388 - (02-01) - RADIATOR - FAN SHROUD - BSN JJC0273000 (01) - ENGINE
7
12
9
27
3
20
7
18
15
33
31
27
21
31
39
37
30
21
13
26
38
17
25
23
1
29
20
24
16
11
22
40
28
28
23
2
25
24
32
22
14
19
FIT
1:1
100%

Артикул

Название

Примечание

Количество

1

194951A1

RADIATOR

1шт.

2

A170241

RADIATOR CAP

15 PSI

1шт.

3

251463A1

SHROUD

1шт.

7

237572A1

SEAL

Radiator to Shroud, 1250 mm (49-1/4") Cut from 1974883CX

2шт.

9

409-7516

BOLT,Hex Flg, 5/16" - 18 x 1", Spcl

4шт.

11

488837C1

SPRING NUT

5/16"

4шт.

12

118327A1

SEAL

Radiator to Air Chute, 985 mm (38-3/4") Cut from 195917C1

2шт.

13

86982771

VALVE

1/4" PT, Drain Cock

1шт.

14

R29799

SHOCK ABSORBER

2шт.

15

434-736

CARRIAGE BOLT,Sht Sq Nk, 7/16" - 14 x 2 1/4", Gr 5

2шт.

16

495-81013

WASHER,.469" x 1 3/4" x .120"

4шт.

17

231-4117

LOCK NUT,7/16"-14, GB

2шт.

18

196666A2

SUPPORT

Lower Front

1шт.

19

118055A2

SUPPORT

RH, Serial Range: -JJC0270499

1шт.

19

118055A3

SUPPORT

RH, Start Serial: JJC0270500

1шт.

20

409-7620

BOLT,Hex Flg, 3/8" - 16 x 1 1/4", Spcl

2шт.

21

495-81140

WASHER,13/32" x 1 1/4" x .060"

2шт.

22

231-5146

FLANGE NUT,3/8"-16

2шт.

23

199953C1

SELF-TAP SCREW,HWH, 5/16" - 18 x 13/16"

2шт.

24

492-11031

LOCK WASHER,5/16"

2шт.

25

495-81001

WASHER,5/16"

2шт.

26

117405A1

RADIATOR HOSE,50.80 mm ID, 56.00 mm ID x 368.40 mm

Engine Outlet, Upper, Serial Range: -JJC0270499

1шт.

26

416751A1

HOSE,50.80 mm ID, 56.70 mm ID x 370.00 mm, SAE 20R4 CLASS D-1

Engine Outlet, Upper, Start Serial: JJC0270500

1шт.

27

214-3240

HOSE CLAMP,1-3/4" - 2-5/8", HD Worm, W/ Liner

2шт.

28

214-3248

HOSE CLAMP,57mm - 79mm

2шт.

29

1979382C2

HOSE

Engine Inlet, Radiator, Lower 660 mm (26"), Serial Range: -JJC0270499

1шт.

29

416750A1

HOSE,50.80 mm ID, 56.70 mm ID x 436.00 mm, SAE 20R4 CLASS D-1

Engine Inlet, Lower, Start Serial: JJC0270500

1шт.

30

1960764C1

RADIATOR HOSE,9.50 mm ID x 560.00 mm, SAE 20R3

Radiator to Engine Vent

1шт.

31

214-1706

HOSE CLAMP,#06, 0.44" - 0.78", Type M Worm

2шт.

32

217-151

FITTING,3/8" Hose Barb x 1/4" Male NPTF

1шт.

33

217-1085

ELBOW,45 Degree, 1/4"-18 Female x 1/4"-18 Male

1шт.

37

198439A3

SUPPORT

1шт.

38

409-7816

BOLT,Hex Flg, 1/2" - 13 x 1", Spcl

2шт.

39

231-5148

FLANGE NUT,Flg, USR, 1/2"-13

2шт.

40

237235A1

BAR

2шт.

Выбрано товаров: 35