Запчасти Case IH 2388 (08-27) - HYDRAULICS - UNLOADER CLUTCH BSN JJC0268799 (07) - HYDRAULICS

Схема запчастей Case IH 2388 - (08-27) - HYDRAULICS - UNLOADER CLUTCH BSN JJC0268799 (07) - HYDRAULICS
42
18
41
43
19
29
34
9
15
14
8
1
35
10
22
34
4
7
21
17
37
38
20
3
24
12
32
14
36
1b
31
28
39
38
26
30
6
33
11
23
1a
13
40
2
18
27
31
25
16
10
FIT
1:1
100%

Артикул

Название

Примечание

Количество

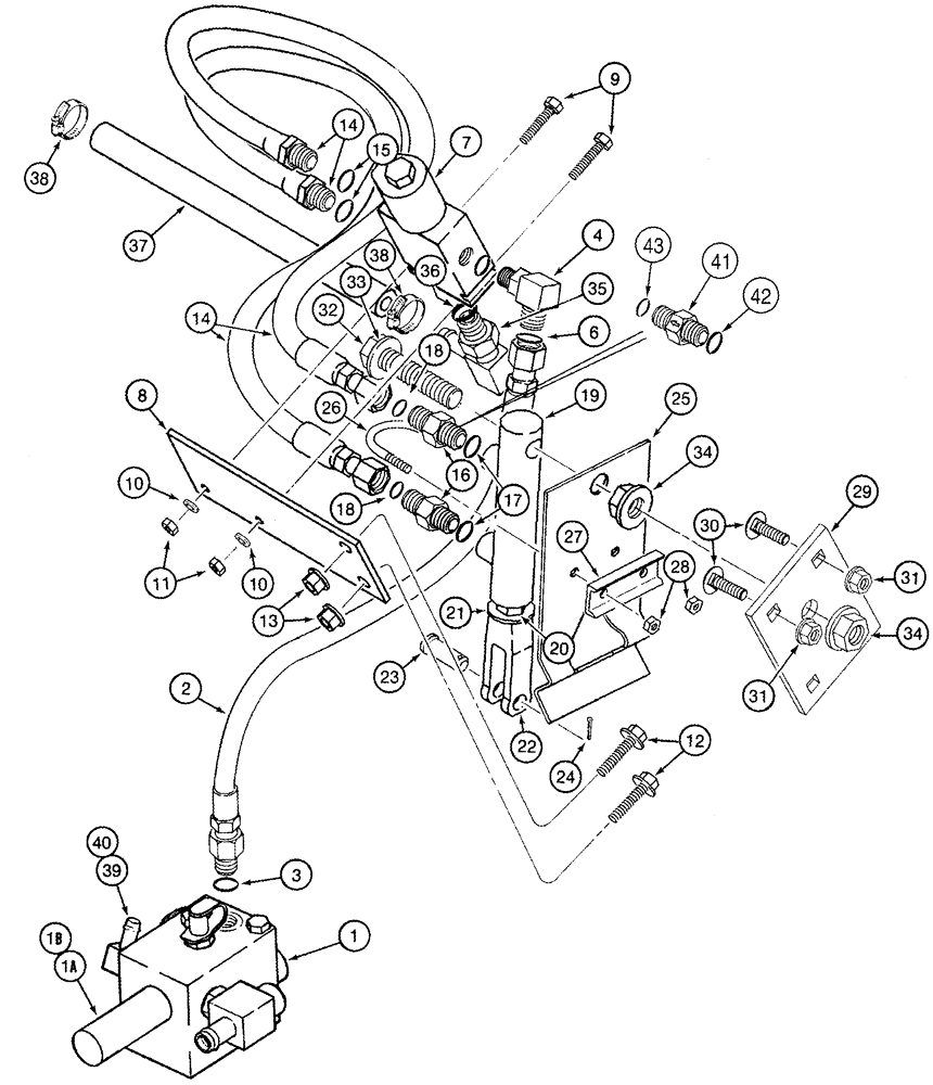
1

233738A1

VALVE

Includes 1A, 1B, Pressure Regulator, See Figure 08-19, Serial Range: -JJC0267149

1шт.

1

233738A2

VALVE

Includes 1A, 1B, Pressure Regulator, See Figure 08-19, Start Serial: JJC0267150

1шт.

1a

222894A1

VALVE POPPET

Includes 7B, Pressure Reducing, Serial Range: -JJC0267149

1шт.

1a

377593A1

VALVE PRESSURE RELIE

Includes 1B, Pressure Reducing JJC0267150 to

1шт.

1b

190709A1

SEAL KIT

Valve Cartridge, Not Illustrated

1шт.

2

128068A2

FLEXIBLE HOSE

760 mm (30"), Includes 3, Unloader Clutch Valve Supply

1шт.

3

237-6006

O-RING,0.078" Thk x 0.468" ID, -906, Cl 6, 90 Duro

1шт.

4

201-304

ELBOW,90 Degree Elbow, 11/16" - 16 Male ORFS x 9/16" - 18 Male ORB

Includes 5, 6

1шт.

6

238-6012

O-RING,0.07" Thk x 0.364" ID, -12, Cl 6, 90 Duro

2шт.

5

237-6006

O-RING,0.078" Thk x 0.468" ID, -906, Cl 6, 90 Duro

1шт.

7

131152A1

CONTROL VALVE

Unloader Clutch, See Figure 08-29

1шт.

9

413-432

BOLT,Hex, 1/4" - 20 x 2", Gr 5

2шт.

8

139024A1

SUPPORT

1шт.

10

495-81113

WASHER,0.34" ID x 0.75" OD x 0.18" Thk

2шт.

11

231-5144

SERRATED NUT,Flg, USR, 1/4"-20

2шт.

12

409-7616

BOLT,Hex Flg, 3/8" - 16 x 1", Spcl

2шт.

13

231-5146

FLANGE NUT,3/8"-16

2шт.

14

128068A2

FLEXIBLE HOSE

760 mm (30"), Includes 15, At Unloader Clutch Cylinder

2шт.

18

238-6012

O-RING,0.07" Thk x 0.364" ID, -12, Cl 6, 90 Duro

1шт.

15

237-6006

O-RING,0.078" Thk x 0.468" ID, -906, Cl 6, 90 Duro

1шт.

16

201-101

HYD CONNECTOR,11/16" - 16 Male ORFS x 9/16" - 18 Male ORB

Incl 17, 18

1-2шт.

17

237-6006

O-RING,0.078" Thk x 0.468" ID, -906, Cl 6, 90 Duro

1шт.

20

425-118

NUT,1/2"-20, G5

1шт.

19

112397A2

CYLINDER

Includes 19A, Unloader Clutch

1шт.

19a

188294A1

SEAL KIT

Not Illustrated

1шт.

23

427-8136

CLEVIS PIN,1/2" x 1.360"

1шт.

24

432-820

COTTER PIN,1/8" x 1 1/4"

1шт.

21

189153A1

WASHER

1шт.

22

213-128

ADJUSTABLE CLEVIS,1/2"-20 x 3"

1шт.

28

425-104

NUT,1/4"-20, Cl 5

2шт.

25

175611A2

HOLDER

1шт.

26

188528A1

U-BOLT,1/4" - 20 x 34.80mm W x 44mm L, Gr 5

BOLT "U"

1шт.

30

434-612

CARRIAGE BOLT,Sht Sq Nk, 3/8" - 16 x 3/4", Gr 5

4шт.

27

176023A2

SUPPORT

1шт.

31

231-5146

FLANGE NUT,3/8"-16

4шт.

32

413-1048

BOLT,Hex, 5/8" - 11 x 3", Gr 5

1шт.

29

112942A2

PLATE

Unloader Valve and Cylinder Support

1шт.

33

495-11066

WASHER,5/8", SAE

1шт.

34

231-51410

FLANGE NUT,Flg, USR, 5/8"-11

2шт.

35

217-314

FITTING,45 Degree Elbow, 5/8" Hose Barb x 7/8" - 14 Male ORB

Includes 36, Valve Return Hose

1шт.

36

237-6006

O-RING,0.078" Thk x 0.468" ID, -906, Cl 6, 90 Duro

1шт.

43

238-6012

O-RING,0.07" Thk x 0.364" ID, -12, Cl 6, 90 Duro

1шт.

37

128073A1

HYDRAULIC HOSE,9.52 mm ID x 880.00 mm

Cut from S118400X, Valve Return to Tee

1шт.

38

214-1706

HOSE CLAMP,#06, 0.44" - 0.78", Type M Worm

2шт.

39

113896A1

TEE

Includes 38

1шт.

40

237-6006

O-RING,0.078" Thk x 0.468" ID, -906, Cl 6, 90 Duro

1шт.

41

327679A1

CHECK VALVE

Includes 42, 43, Inline, To Slow Unloader Engagement, If Used

1шт.

42

237-6006

O-RING,0.078" Thk x 0.468" ID, -906, Cl 6, 90 Duro

1шт.

Выбрано товаров: 0