Запчасти Case IH 2388 (09G-10) - CAB - CONSOLE, RIGHT HAND (10) - CAB & AIR CONDITIONING

Схема запчастей Case IH 2388 - (09G-10) - CAB - CONSOLE, RIGHT HAND (10) - CAB & AIR CONDITIONING
19
20
2
9
3
2
5
4
11
8
10a
1
17
17a
23
18
16
15
18
12
22
13
6
11
10
14
FIT
1:1
100%

Артикул

Название

Примечание

Количество

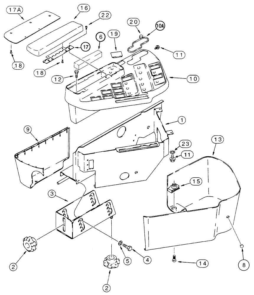
1

117580A6

CONSOLE

1шт.

2

118781A1

KNOB

Knob

3шт.

3

117107A2

SUPPORT

1шт.

4

814-8035

BOLT,Hex, M8 x 1.25 x 35mm, Cl 8.8

4шт.

5

895-15008

WASHER,9mm ID x 20mm OD x 1.6mm Thk

4шт.

6

251495A1

FOAM

No Longer Used

1шт.

7

282056A1

PLUG

If Used, Not Illustrated

1шт.

Without Accumulator

1шт.

8

353-411

PLUG,Dome, 1.000" hole, Nylon

1шт.

9

130412A1

COVER

Rear

1шт.

10

144114A4

CONSOLE

RH, Includes 10A, Includes Decals

1шт.

10a

128833A2

GUIDE

1шт.

11

841-4410

SCREW,HWH, M4 x 10mm, Cl 4.8

2шт.

12

614-6030

BOLT,Hex, M6 x 1 x 30mm, Cl 8.8, Full Thd

1шт.

13

118321A2

SKIRT

Front

1шт.

14

440-1106

SCREW,Cross Pan Hd, #10-24 x 3/8"

4шт.

15

131-861

SPRING NUT,Tinn, U, #10-24

4шт.

128970A3

ARMREST

Includes 16 - 18

1шт.

16

NSS

NOT SOLD SEPARAT

Support

1шт.

17

128849A2

HINGE

1шт.

17a

185546A1

PLATE

1шт.

18

185544A1

SCREW

5шт.

19

245918C1

LENS

Blanking Rocker Switch Opening

1шт.

20

353-402

PLUG,Dome, .375" hole, Nylon

Switch Opening

1шт.

22

841-4410

SCREW,HWH, M4 x 10mm, Cl 4.8

2шт.

23

493-81000

LOCK WASHER,Ext-Int Tooth, #10

2шт.

Выбрано товаров: 26