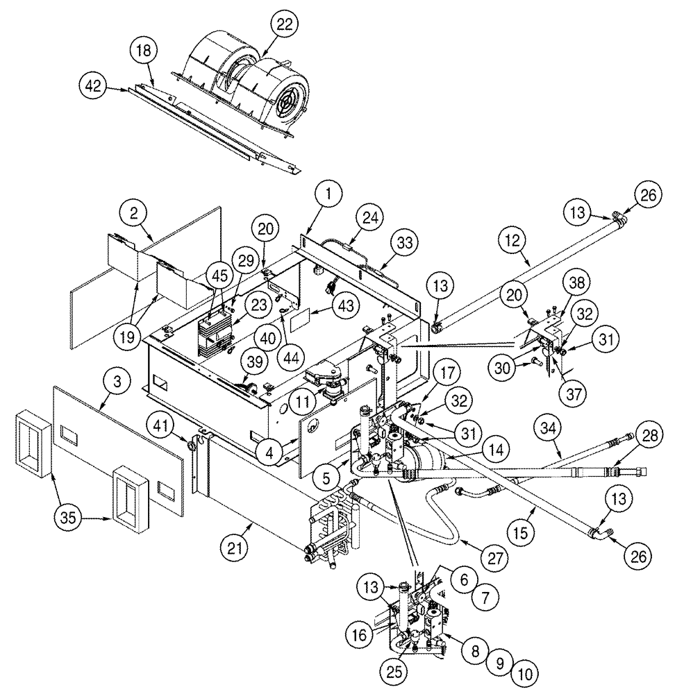
Запчасти Case IH 2388 (09G-20[01]) - BOX ASSY - AIR CONDITIONING BTW JJC0267150 & JJC0270499 (10) - CAB & AIR CONDITIONING

Схема запчастей Case IH 2388 - (09G-20[01]) - BOX ASSY - AIR CONDITIONING BTW JJC0267150 & JJC0270499 (10) - CAB & AIR CONDITIONING
25
39
13
20
15
8
3
40
31
4
16
20
42
7
43
1
31
27
14
19
44
12
26
30
34
17
9
37
10
11
23
32
13
38
33
2
26
18
35
45
21
6
32
13
28
22
5
41
13
24
29
FIT
1:1
100%

Артикул

Название

Примечание

Количество

366852A1

UNIT HEATER

Air Conditioning, Includes 1 - 45

1шт.

1

377374A1

SUPPORT

Air Conditioning Module

1шт.

2

279230A2

INSULATOR

RH

1шт.

3

279233A1

INSULATOR

Front

1шт.

4

377557A1

INSULATOR

LH

1шт.

5

411438A1

CONTROL

1шт.

87429902R

REMAN-MODULE

2388 BSN JJC0276540 BTW JJC0267150 & JJC0270499 (1/98-8/04), Reman for New P/N 411438A1

1шт.

87429902C

CORE-MODULE

Return Number

1шт.

6

281-54516

SELF-TAP SCREW,Hex Wash Hd, #10 x 1"

1шт.

7

895-25006

WASHER,6.6mm ID x 18mm OD x 1.6mm Thk

1шт.

8

1990756C2

VALVE

1шт.

9

128484A1

O-RING,0.07" Thk x 0.426" ID, -13, Cl 5, 70 Duro

7/16" ID x 1/16"

1шт.

10

128485A1

O-RING,1.78mm Thk x 14mm ID, 70 Duro

9/16" ID x 1/16"

1шт.

11

322988A1

VALVE, CONTROL

1шт.

12

1958774C1

HEATER HOSE

710 mm (28"), Cut from 97252CX

1шт.

13

1954736C1

HOSE CLAMP,#24

6шт.

14

1990758C2

RECEIVER-DRYER

1шт.

15

377551A1

HEATER HOSE,15.50 mm ID x 838.00 mm

Return

1шт.

16

377547A1

HOSE,15.50 mm ID

Valve to Core

1шт.

17

377562A1

BRACKET

Receiver-Drier

1шт.

18

377565A1

PLATE

Blower Mounting

1шт.

19

377563A1

BAFFLE

Deflector

2шт.

20

488837C1

SPRING NUT

5/16"

4шт.

21

377560A1

CORE-COMPRESSOR

Evaporator And Heater

1шт.

22

323610A1

BLOWER

1шт.

84222524R

REMAN-BLOWER

2388 BSN JJC0276540 AIR CONDITIONING BTW JJC0267150 & JJC0270499 (1/98-8/04), Reman for New P/N 323610A1

1шт.

84222524C

CORE-BLOWER

Return Number

1шт.

23

337956A1

GOVERNOR

1шт.

23

397780A1R

REMAN ELECT CONTROL

2388 CASE IH AXIAL-FLOW COMBINE (NA) BSN JJC0276540, BTW JJC0267150 & JJC0270499 (1/98-8/04), Reman for New PN 337956A1

1шт.

23

397780A1C

CORE-ELECTRONIC CONT

Return Number

1шт.

24

197319A2

SENSOR

Cab Temperature

1шт.

25

284272A2

PRESSURE SWITCH

Low Pressure, Air Conditioning

1шт.

26

127083A1

ELBOW,16mm OD x 17mm OD Bead

2шт.

27

124912A1

LARGE HOSE

HOSE,LARGE 551 mm (21-3/4")

1шт.

28

124913A2

HOSE

900 mm (35-7/16")

1шт.

29

281-54510

SELF-TAP SCREW,HWH, #10 - 24 x 5/8"

19шт.

30

614-10025

BOLT,Hex, M10 x 1.5 x 25mm, Cl 8.8

3шт.

31

829-1410

NUT,M10 x 1.5, Cl 10.9

3шт.

32

892-11010

LOCK WASHER,M10

3шт.

33

184720A2

SENSOR

Temperature, Evaporator

1шт.

34

124914A1

HOSE

662 mm (26-1/8"), Receiver-Dryer to Cab Wall

1шт.

35

124999A1

GASKET

2шт.

36

377567A1

SEAL

8 ft, Not Illustrated

1шт.

37

515-23254

CLAMP,1", Insul, 3/8" Bolt

1шт.

38

377564A1

BRACKET

1шт.

39

377538A1

CAPACITOR

1шт.

40

377537A1

WIRE HARNESS

Heating and Air Conditioning, See Figure 04-11

1шт.

41

248-1243

GROMMET,1/2" ID x 13/16" Groove Dia, Diag Cut

1шт.

42

377566A1

GASKET

3 ft

1шт.

43

NSS

NOT SOLD SEPARAT

Plate, Kysor Logo

1шт.

44

377559A1

STRAP

5шт.

45

261-54410

SELF-TAP SCREW,Cross Pan Hd, #8 x 5/8"

2шт.

Выбрано товаров: 52