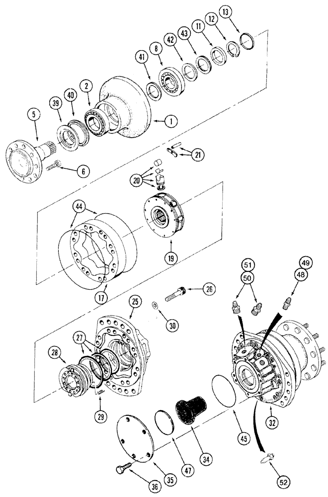
Запчасти Case IH 2388 (05-36) - MOTOR ASSY - WHEEL DRIVE - POWER GUIDE AXLE - RICE COMBINE (11) - TRACKS/STEERING

Схема запчастей Case IH 2388 - (05-36) - MOTOR ASSY - WHEEL DRIVE - POWER GUIDE AXLE - RICE COMBINE (11) - TRACKS/STEERING
43
40
48
27
13
34
50
6
36
28
35
44
8
11
19
41
32
2
42
47
21
17
26
45
20
25
1
51
39
30
23
5
12
49
FIT
1:1
100%

Артикул

Название

Примечание

Количество

366825A1

MOTOR, HYDRAULIC

Wheel Drive, Ten Hole Pattern, Includes 1 - 52, Serial Range: -JJC0275338

2шт.

87300717

MOTOR, HYDRAULIC

Wheel Drive, Includes 1 - 32, 35 - 45, 48 - 52, Start Serial: JJC0275339

2шт.

1

NSS

NOT SOLD SEPARAT

Housing

1шт.

2

305408A1

BALL BEARING,80mm ID x 140mm OD x 46mm W

Outer

1шт.

5

NSS

NOT SOLD SEPARAT

Shaft, Wheel Hub

1шт.

6

1970151C1

STUD

10шт.

8

NSS

NOT SOLD SEPARAT

Bearing, Ball

1шт.

11

NSS

NOT SOLD SEPARAT

Spacer

1шт.

12

NSS

NOT SOLD SEPARAT

Ring, Snap

1шт.

13

NSS

NOT SOLD SEPARAT

Retainer

1шт.

17

NSS

NOT SOLD SEPARAT

Ring

1шт.

19

NSS

NOT SOLD SEPARAT

Block, Cylinder

1шт.

20

NSS

NOT SOLD SEPARAT

Kit, Piston

10шт.

21

NSS

NOT SOLD SEPARAT

Kit, Retainer

1шт.

25

NSS

NOT SOLD SEPARAT

Cover

1шт.

26

426-1432

BOLT,Hex, 7/8" - 9 x 2", Gr 8

16шт.

27

1986737C1

SEAL KIT

1шт.

Use with Ref. 28

1шт.

28

NSS

NOT SOLD SEPARAT

Block, Valve

1шт.

29

NSS

NOT SOLD SEPARAT

Spring

8шт.

30

496-11094

WASHER,0.94" ID x 1.75" OD x 0.13" Thk

16шт.

32

NSS

NOT SOLD SEPARAT

Housing, Wheel

1шт.

34

1970394C2

DIAPHRAGM

1шт.

35

1347321C1

COVER

1шт.

36

NSS

NOT SOLD SEPARAT

Bolt, Cover

8шт.

276886A1

SEAL KIT

Includes 39 - 45

1шт.

Used with 121437A1

1шт.

305447A1

SEAL KIT

Includes 39 - 45

1шт.

Used with 366825A1

1шт.

39

NSS

NOT SOLD SEPARAT

Deflector

1шт.

40

NSS

NOT SOLD SEPARAT

Seal

1шт.

41

NSS

NOT SOLD SEPARAT

Seal

1шт.

42

NSS

NOT SOLD SEPARAT

Washer

1шт.

43

NSS

NOT SOLD SEPARAT

Kit, Shim

1шт.

44

NSS

NOT SOLD SEPARAT

O-Ring

2шт.

45

238-5162

O-RING,0.103" Thk x 5.737" ID, -162, Cl 5, 75 Duro

1шт.

47

1347320C1

SPACER

Wheel

1шт.

48

218-5059

HYD CONNECTOR,3/4"-16, 37 Degree x 3/4"-16, O-Ring

Incl. 149

1шт.

49

237-6008

O-RING,0.087" Thk x 0.644" ID, -908, Cl 6, 90 Duro

1шт.

50

218-5064

HYD CONNECTOR,1-1/16" - 12 Male JIC x 1-1/16" - 12 Male ORB

Incl. 51

2шт.

51

237-6012

O-RING,0.116" Thk x 0.924" ID, -912, Cl 6, 90 Duro

1шт.

52

121434A1

ADAPTER

1шт.

Выбрано товаров: 0