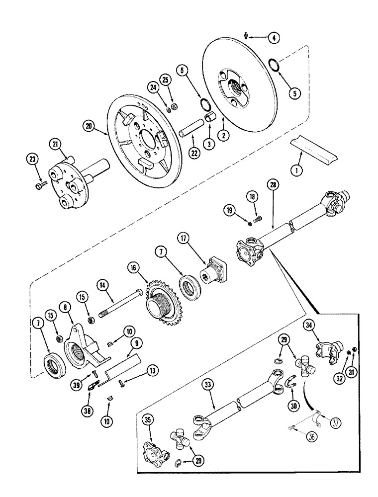
Запчасти Case IH 2388 (09A-03) - SEPARATOR - JACKSHAFT DRIVE (13) - FEEDER

Схема запчастей Case IH 2388 - (09A-03) - SEPARATOR - JACKSHAFT DRIVE (13) - FEEDER
29
37
8
10
28
7
15
20
39
5
29
4
2
10
21
14
38
9
24
36
17
35
34
3
13
30
7
16
33
22
31
18
20
25
5
1
32
19
15
FIT
1:1
100%

Артикул

Название

Примечание

Количество

1

244423A1

BELT,2615.48 mm L

Rotor Drive, If Used

1шт.

1

244423A3

V-BELT,2615.67 mm L

Rotor Drive, Seamless, If Used, Serial Range: -JJC0272999

1шт.

1

413159A1

V-BELT,2839.48 mm L

Rotor Drive, Start Serial: JJC0273000

1шт.

2

1330054C1

PULLEY

17-1/2" OD, Rotor Drive Variable, Includes 3, Serial Range: -JJC0272999

1шт.

2

413164A1

PULLEY,520.7mm OD

20-1/2" OD, Rotor Drive Variable, Includes 3, Start Serial: JJC0273000

1шт.

3

194665C1

BUSHING

3шт.

4

219-86

LUBE NIPPLE,1/8" NPTF

1шт.

5

238-5226

O-RING,0.139" Thk x 1.984" ID, -226, Cl 5, 75 Duro

2шт.

7

278927A1

THRUST BEARING,69.84mm ID x 113.79mm OD x 22.1mm W

2шт.

8

194394C1

HUB

1шт.

9

249397A1

SUPPORT

1шт.

10

231-5146

FLANGE NUT,3/8"-16

5шт.

13

477-73816

SERRATED SCREW,Sl Truss Hd, 3/8" x 1"

2шт.

14

413-12176

BOLT,3/4"-10 x 11", Gr 5

Used with 413164A1 Pulley

1шт.

14

413-12152

BOLT,Hex, 3/4" - 10 x 9-1/2", Gr 5

Used with 133005C1 Pulley

1шт.

15

329-1412

JAM NUT,Jam, 3/4"-10, G8

2шт.

16

194464C2

SPROCKET

25T

1шт.

17

191542C2

SPLINED COUPLING,12T

, Serial Range: -JJC0270499

1шт.

17

411042A1

SPLINED COUPLING,20T

, Start Serial: JJC0270500

1шт.

18

426-720

BOLT,Hex, 7/16" - 14 x 1-1/4", Gr 8

4шт.

19

492-11044

LOCK WASHER,7/16"

4шт.

20

188848C1

PULLEY

17-1/2" OD, Rotor Drive, Stationary, Serial Range: -JJC0272999

1шт.

20

411406A1

PULLEY

20-1/2" OD, Rotor Drive, Stationary, Start Serial: JJC0273000

1шт.

21

188846C2

HUB

Includes 22, Serial Range: -JJC0270499

1шт.

21

411046A1

HUB

Includes 22, Start Serial: JJC0270500

1шт.

22

191544C2

PIN,28.48mm OD x 127mm L

3шт.

23

326-828

BOLT,Hex, 1/2" - 13 x 1-3/4", Gr 8

6шт.

24

392-21050

LOCK WASHER,1/2"

6шт.

25

329-108

NUT,1/2"-13, G8

6шт.

28

191596C91

DRIVE SHAFT

Includes 29 - 35, Serial Range: -JJC0270499

1шт.

28

410487A1

DRIVE SHAFT

Includes 29, 36, 37, Serial Range: JJC0270500-JJC0272999

1шт.

28

443298A1

DRIVE SHAFT

Includes 29, 33 - 37, Start Serial: JJC0273000

1шт.

29

1300502C1

KIT

, Serial Range: -JJC0272999

1шт.

29

383499A1

U-JOINT SPIDER

Includes (4) R13992 Snap Rings, Start Serial: JJC0273000

1шт.

30

1300501C1

U-BOLT,3/8" - 24 x 1.66" W x 1.40" L

If Used

2шт.

31

425-116

NUT,3/8" - 24, Gr 5

4шт.

32

492-11038

LOCK WASHER,3/8"

4шт.

33

NSS

NOT SOLD SEPARAT

Shaft

1шт.

34

NSS

NOT SOLD SEPARAT

Yoke

1шт.

35

NSS

NOT SOLD SEPARAT

Flange, Serial Range: -JJC0272999

1шт.

35

S80726

YOKE

UNIVERSAL JOINT YOKE Flange, Start Serial: JJC0273000

1шт.

36

D137627

BOLT,Hex Flg, 5/16" - 24 x 19.05mm

5/16, Start Serial: JJC0270500

4шт.

37

D137626

CLAMP,30.175mm D Clamping Pipe

Bearing, Start Serial: JJC0270500

2шт.

38

362120R1

CLAMP,9.53mm ID, 10.32mm Bolt Hole, P Type

1шт.

39

477-73808

SERRATED SCREW,Sl Truss Hd, 3/8" - 16 x 1/2"

1шт.

Выбрано товаров: 45